Запчасти Case IH 9110 (04-01) - ENGINE AND MOUNTING (04) - Drive Train

Схема запчастей Case IH 9110 - (04-01) - ENGINE AND MOUNTING (04) - Drive Train
7
15
18
16
21
3
4
13
19
2
14
11
12
13
6
10
11
8
17
5
12
9
9
20
10
FIT
1:1
100%

Артикул

Название

Примечание

Количество

1

NAP

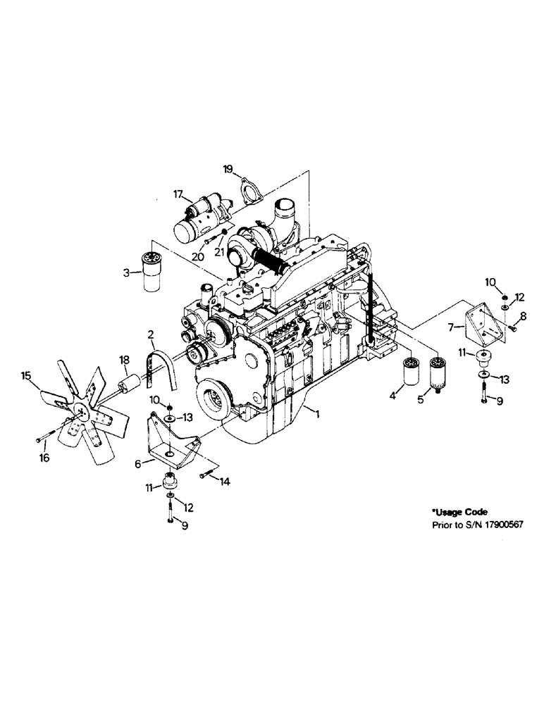
ENGINE ASSEMBLY - 6CT 8.3L - 190 HP (90-6668T1, engine assembly - 6CTA 8.3L - 190 HP) (See Fig. 4-2 through 4-59), Serial Range: -17900567

1шт.

Old part can be used on all tractors, new part should be used when stock is depleted.

1шт.

Usage Code, Prior to S/N 17900567.

1шт.

A174166

ENGINE

ASSEMBLY - 6CT 8.3L - 200 HP (See Fig. 4-2 through 4-59)

1шт.

2

33-1155T1

BELT

Fan and alternator (See Fig. 4-2)

1шт.

Old part can be used on all tractors, new part should be used when stock is depleted.

1шт.

3

33-1156T1

FILTER, ENGINE OIL

FILTER - engine oil (See Fig. 4-26)

1шт.

Old part can be used on all tractors, new part should be used when stock is depleted.

1шт.

4

33-1157T1

FILTER

- fuel, secondary (See Fig. 4-42 and 4-44)

1шт.

Old part can be used on all tractors, new part should be used when stock is depleted.

1шт.

5

33-1157T1

FILTER

- fuel, primary (See Fig. 4-42 and 4-44)

1шт.

Old part can be used on all tractors, new part should be used when stock is depleted.

1шт.

6

90-6432T1

ANCHOR

MOUNT - engine front

1шт.

7

90-6436T1

MOUNTING PARTS

MOUNT - engine side

2шт.

8

40-1212

CAPSCREW,Hex, M12 x 1.75 x 35mm, Gr 10.9

M12 x 1.75 x 35 MM G-10.9

8шт.

9

19-256

BOLT,Hex, 5/8" - 11 x 4", Gr 5

CAPSCREW, 5/8 UNC x 4 G-5

3шт.

10

19-222

LOCK NUT,5/8" - 11, GB

NUT - lock, 5/8 UNC G-B

3шт.

11

24-231

RUBBER MOUNTING

MOUNT - rubber

3шт.

12

19-1071

WASHER,21/32" x 1 5/16" x 0.15", HDN

- flat, 5/8 x 1-5/16 x 5/32 thk

3шт.

13

19-408

WASHER

- flat, 5/8 x 2-1/2 x 3/16 thk

3шт.

14

40-1237

BOLT,M12 x 1.75 x 60mm, Gr 8.8

CAPSCREW, M 12 x 1.75 x 60 MM G-8.8

4шт.

15

90-5857T1

FAN

- engine

1шт.

16

40-1074

BOLT,Hex, M10 x 1.5 x 80mm, Gr 8.8

CAPSCREW, M10 x 1.50 x 80 MM G-8.8

4шт.

17

STARTER - engine (See Fig. 2-2)

1шт.

18

J910130

SPACER

- fan

1шт.

19

SPACER - starter (See Fig. 4-54)

1шт.

20

A177921

BOLT,12 Pt Hd, M12 x 1.75 x 50mm, Gr 8.8

CAPSCREW - starter mounting

3шт.

21

19-5603

WASHER,17/32" x 1 1/16" x .095", HDN

- flat, hardened, 1/2 x 1 x 3/32 thk

3шт.

Выбрано товаров: 28