Запчасти Case IH 9110 (04-16) - THERMOSTAT HOUSING, 6T-830 ENGINE (04) - Drive Train

Схема запчастей Case IH 9110 - (04-16) - THERMOSTAT HOUSING, 6T-830 ENGINE (04) - Drive Train
15
1
12
17
21
14
18
9
4
25
23
8
22
10
22
25
3
2
16
24
19
FIT
1:1
100%

Артикул

Название

Примечание

Количество

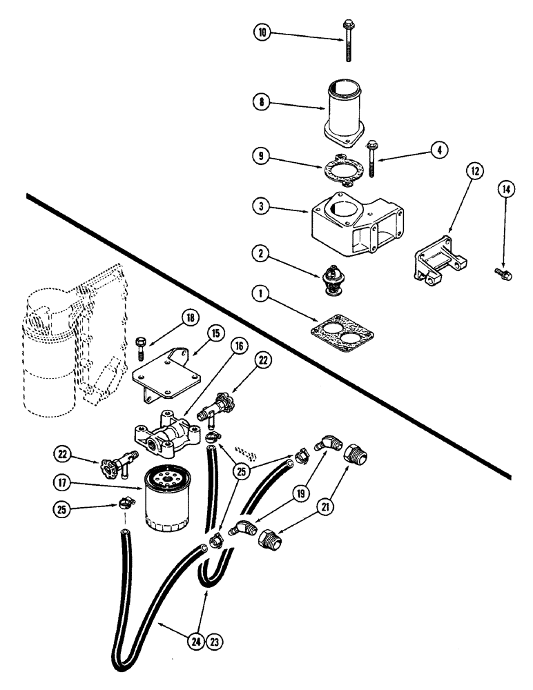
1

J909922

GASKET

- housing, thermostat

1шт.

2

J907242

THERMOSTAT

- coolant, 95 degree C

2шт.

3

J906508

HOUSING

- thermostat

1шт.

4

J902112

FLANGE BOLT,Hvy Hex, M8 x 80mm, Cl 8.8

BOLT - hex flange, M8 x 80 MM

2шт.

8

J908766

CONNECTION

TUBE - outlet

1шт.

9

J909919

GASKET

- tube

1шт.

10

J906715

FLANGE BOLT

BOLT - hex flange, M8 x 95 MM

2шт.

12

J910716

SUPPORT

- mounting, alternator

1шт.

14

813-8030

BOLT,Hex, M8 x 1.25 x 30mm, Cl 8.8, Full Thd

4шт.

15

J909931

BRACKET

- filter

1шт.

16

A152821

HEAD

- coolant filter

1шт.

17

A77544

FILTER

- coolant conditioner

1шт.

18

A77546

BOLT,Hex, 3/8" - 16 x 1.25"

SCREW - hex with washer

4шт.

19

J911944

COUPLING

-, Serial Range: elbow-hose

2шт.

21

221-89

REDUCER,Hex, 1/2" x 3/8" NPT

BUSHING - reducer, 1/2 x 3/8 inch

2шт.

22

A154051

COCK, DRAIN

VALVE - shutoff

2шт.

23

NSS

NOT SOLD SEPARAT

HOSE - Order A154065 and cut to 25 inch

1шт.

24

NSS

NOT SOLD SEPARAT

HOSE - Order A154005 and cut to 26 inch

1шт.

25

214-251

HOSE CLAMP,#06, 0.44" - 0.78", Type F Worm

CLAMP - hose, no. 6

4шт.

Выбрано товаров: 19