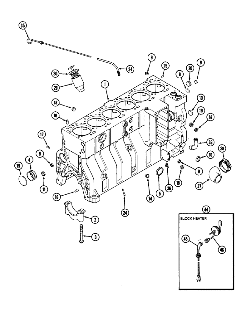
Запчасти Case IH 9110 (04-22) - CYLINDER BLOCK, 6T-830 ENGINE (04) - Drive Train

Схема запчастей Case IH 9110 - (04-22) - CYLINDER BLOCK, 6T-830 ENGINE (04) - Drive Train
9
13
15
8
16
44
9
9
45
16
1
20
35
4
24
46
9
10
11
26
5
2
29
3
18
25
14
34
28
17
27
18
18
10
30
9
FIT
1:1
100%

Артикул

Название

Примечание

Количество

J912531

SKELETON ENGINE

BLOCK ASSEMBLY - short, engine (New) (Includes stripped block, pistons, connecting rods and bearings, crankshaft and bearings) (Also order J909415), Includes: Ref. 1 - 11

1шт.

JR912531

ENGINE, EXCHANGE

Engine (Exchange) Block Assembly, Short, Engine, Remanufactured, Includes: Ref. 1 - 11

1шт.

JC912531

CORE-SHORT ENGINE

Return Part Number, Engine Short Block (Use This Part Number To Return Block Core For Credit, Includes: Ref. 1 - 11

1шт.

1

J911898

BASIC BLOCK

BLOCK ASSEMBLY - cylinder, stripped, new (Also order J909415 kit), Includes: Ref 2 - 11

1шт.

1

JR911898

ENGINE, EXCHANGE

Engine (Exchange) Block Assembly, Cylinder, Stripped, Remanufactured, Includes: Ref 1 - 11

1шт.

1

JC911898

SKELETON ENGINE

Return Part Number, Use This Part Number To Return Block Core For Credit, Includes: Ref 1 - 11

1шт.

1

47466038R

REMAN-BASIC ENGINE

Remanufactured Basic Engine Assembly, assembly includes short block assembly, cylinder head, valve cover, front cover, oil pan, water pump, thermostat and gasket kit to transfer trim parts

1шт.

1

47466038C

CORE-BASIC ENGINE

Return Part Number

1шт.

2

J905397

CAP

CAP - bearing, main

7шт.

2

87448699

REMAN-SHORT ENGINE

Remanufactured Short Engine

7шт.

2

6830SHBC

CORE-SHORT ENGINE

Return Part Number, Short Block

7шт.

3

J906655

BOLT,Flng, M14 x 2 x 128.5mm, Cl 12.9

BOLT - hex flange cap, M14 x 128 MM

14шт.

4

REF

INSTRUCTION

BUSHING - camshaft, (See Fig. 4-24)

7шт.

5

J900965

PLUG

PLUG - expansion cup, 58 MM OD

1шт.

8

A77586

PLUG

PLUG - cup, 28.9 OD

1шт.

9

A77506

PLUG

PLUG - expansion, 21 mm O.D.

4шт.

10

J905401

PLUG

PLUG - expansion, 35 MM OD

3шт.

11

A77530

PLUG

PLUG - expansion, 1-3/16 inch OD

2шт.

J909415

KIT

HARDWARE KIT - block, Includes: Ref. 14 - 26

1шт.

14

A77439

PLUG

PLUG - expansion, 22 MM OD

1шт.

15

J901969

PLUG

PLUG - expansion, 69 MM OD

1шт.

16

J901846

PIN,12.01mm OD x 24mm L

PIN - dowel

4шт.

17

J906619

PLUG,1/8" - 27

PLUG - hex pipe, 1/8 inch PT

6шт.

18

A77429

PLUG

PLUG - hex socket head, 1/2 inch PT

4шт.

19

A77505

PLUG

PLUG - hex pipe, 3/4 inch PT

2шт.

20

A77533

PLUG

PLUG - hex pipe, 1 inch PT

1шт.

24

J905928

NOZZLE INJECTION

NOZZLE - cooling piston

6шт.

25

J900257

PIN,10.01mm OD x 16mm L

PIN - dowel, 16 mm

2шт.

26

A77425

DRAIN VALVE

VALVE - drain, coolant

1шт.

27

J909389

RADIATOR HOSE,50.08 mm ID, 60.08 mm ID x 39.70 mm

Elbow, Water

1шт.

28

214-261

HOSE CLAMP,#40, 2.06" - 3", Type F Worm

CLAMP - hose, 1-13/16 to 2-3/4 inch

1шт.

29

J905408

TUBE,35.13 mm ID x 52.39 mm OD x 100 mm L

TUBE - filler, oil

1шт.

30

A77424

FILLER CAP

CAP - filler

1шт.

33

J903744

PIPE FITTING,22.42 mm ID x 28 mm OD x 90.2, 64 mm L

TUBE - drain, turbocharger

1шт.

34

J905425

TUBE,9.52 mm OD x 93 mm L

TUBE - oil dipstick

1шт.

35

J908772

DIPSTICK

DIPSTICK - oil

1шт.

44

A77595

KIT

HEATER KIT - coolant, Includes: Ref. 45 - 46

1шт.

45

J905113

CABLE

CABLE - heater

1шт.

46

NSS

NOT SOLD SEPARAT

ELEMENT - heater, 12 volt 1000 watts

1шт.

Выбрано товаров: 0