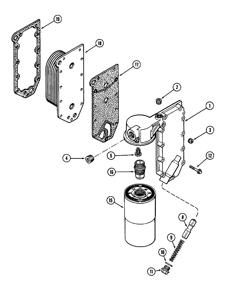
Запчасти Case IH 9110 (04-26) - OIL FILTER AND COOLER, 6T-830 ENGINE (04) - Drive Train

Схема запчастей Case IH 9110 - (04-26) - OIL FILTER AND COOLER, 6T-830 ENGINE (04) - Drive Train
15
18
2
19
4
8
12
5
16
17
1
11
3
9
10
FIT
1:1
100%

Артикул

Название

Примечание

Количество

1

J907831

HEAD

- filter and cooler

1шт.

2

A77428

PLUG

- hex socket pipe, 1/4 inch PT

1шт.

3

J906619

PLUG,1/8" - 27

- hex socket pipe, 1/8 inch PT

1шт.

4

A77505

PLUG

- hex socket pipe, 3/4 inch PT

1шт.

5

J902338

VALVE, PRESSURE RELI

VALVE - relief, pressure

1шт.

8

A77540

PLUNGER

- regulator

1шт.

9

A77541

SPRING

- compression

1шт.

10

J901798

SEALING WASHER

WASHER - sealing

1шт.

11

J906299

PLUG

- regulator

1шт.

12

J901445

FLANGE BOLT,Hvy Hex, M8 x 45mm, Cl 8.8

BOLT - hex flange, M8 x 45 MM

11шт.

15

A77537

ENGINE OIL FILTER

FILTER - oil

1шт.

16

A77542

ADAPTER

- filter

1шт.

17

J908333

GASKET

- head, filter

1шт.

JR906296

REMAN-OIL COOLER

COOLER - oil, remanufactured (North America only)

1шт.

JC906296

CORE

RETURN NUMBER - use this part number to return cooler core for credit

1шт.

18

J906296

CORE, RADIATOR

CORE - cooler, oil, new

1шт.

19

J908332

GASKET

- core, cooler

1шт.

Выбрано товаров: 17