Запчасти Case IH 9110 (9-12) - FRONT FRAME (09) - CHASSIS/ATTACHMENTS

Схема запчастей Case IH 9110 - (9-12) - FRONT FRAME (09) - CHASSIS/ATTACHMENTS
16
15
7
13
12
4
10
6
1
3
11
4
14
5
16
2
FIT
1:1
100%

Артикул

Название

Примечание

Количество

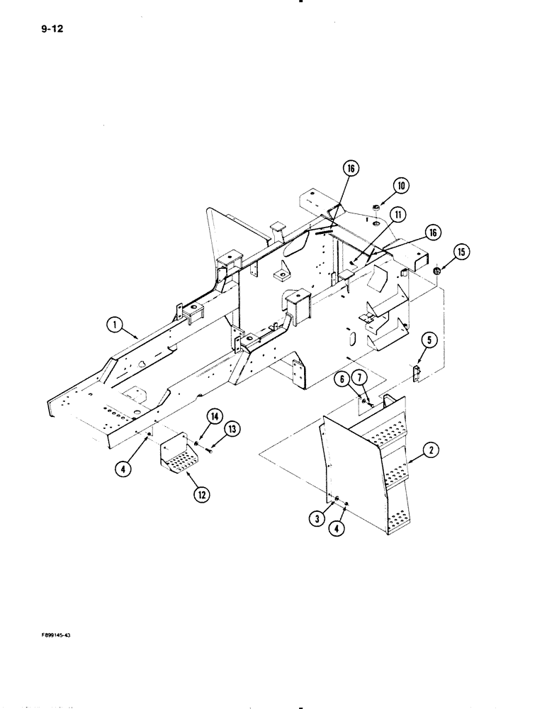
1

70-5394T1

FRAME

- front

1шт.

2

70-5484T1

STEP

- cab access

1шт.

3

19-463

WASHER,1/2", SAE

- flat, 1/2 x 1-1/4 x 3/32 inch

3шт.

4

19-463

WASHER,1/2", SAE

NUT - hex lock, 1/2 inch NC

5шт.

5

70-3158T1

HINGE

MOUNT - hinge

2шт.

6

19-5603

WASHER,17/32" x 1 1/16" x .095", HDN

- flat, hardened

4шт.

7

19-1108

BOLT,Hex, 1/2" - 13 x 1", Gr 8

- hex, 1/2 NC x 1 inch, Grade 8

4шт.

10

70-4621T1

BUSHING

- hinge pin

4шт.

11

31-93

FITTING

- grease, 1/8 inch PT

2шт.

12

70-2142T3

STEP

- front

1шт.

13

413-824

BOLT,Hex, 1/2" - 13 x 1-1/2", Gr 5

2шт.

14

495-21056

WASHER,1/2"

- flat, 9/16 x 1-3/8 x 3/32 inch

2шт.

15

70-5517T1

BUSHING,38.09mm ID x 54.74mm OD x 33.33mm L

BEARING - steering cylinder

2шт.

16

31-2787

GROMMET

- edge protector

2шт.

70-5412T1

PLATE

Panel side, R.H.

1шт.

70-4444T2

PLATE

Panel side, L.H.

1шт.

Выбрано товаров: 16