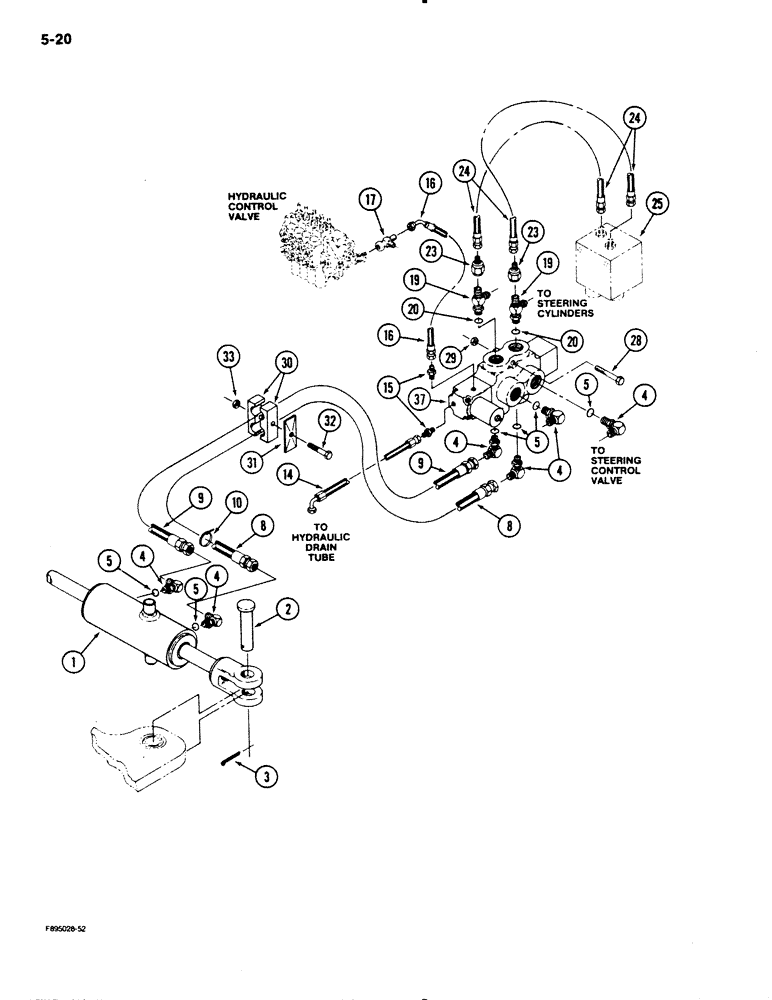
Запчасти Case IH 9110 (5-20) - STEERABLE AXLE HYDRAULIC SYSTEM, INSIDE FRAME (05) - STEERING

Схема запчастей Case IH 9110 - (5-20) - STEERABLE AXLE HYDRAULIC SYSTEM, INSIDE FRAME (05) - STEERING
16
31
15
8
5
33
8
16
9
20
17
23
32
9
24
14
3
24
2
23
4
30
5
37
5
19
1
20
19
29
4
10
4
4
4
25
5
28
FIT
1:1
100%

Артикул

Название

Примечание

Количество

1

REF

INSTRUCTION

CYLINDER ASSEMBLY - steerable front axle (See Fig. 5-26)

1шт.

2

N14001

CLEVIS PIN

PIN - clevis, cylinder retaining

1шт.

3

19-199

COTTER PIN,3/16" x 2"

Pin, Split (Cotter), 3/16" x 2"

1шт.

4

31-324

ELBOW,90 Degree, 3/4"-16, 37 Degree x 3/4"-16, O-Ring

- 90 degree, adjustable, 3/4 inch thread, Includes: Ref. 5

6шт.

5

31-1335

O-RING,8-1, 90 Duro, .644" ID x .087" Thk

- 41/64 x 3/32 inch

6шт.

8

R28970

HOSE,12.70 mm ID x 1473.00 mm, SAE 100R2

- Selector valve to steering cylinder 12.70 mm ID x 1473.00 mm, SAE 100R2

1шт.

9

31-1083

HOSE ASSY.

HOSE - selector valve to steering cylinder, 49-1/2 inch

1шт.

10

31-2600

STRAP

- nylon

1шт.

14

31-2693

HOSE

- steering selector valve to drain tube, 19 inch

1шт.

15

31-1028

HYD CONNECTOR,7/16"-20, 37 Degree x 1/8"-27, NPTF

ADAPTER - straight, 1/8 PT x 7/16 inch thread

2шт.

16

31-2692

HOSE ASSY.

HOSE - steering selector valve to control valve, 15 inch

1шт.

17

31-2158

TEE,37 Degree, 7/16"-20, x 7/16"-20, Fem Sw Run

- adjustable, 7/16 inch thread

1шт.

19

31-507

TEE,3/4"-16, 37 Degree x 3/4"-18, O-Ring Run

- adjustable, 3/4 inch thread, Includes: Ref. 20

2шт.

20

31-1335

O-RING,8-1, 90 Duro, .644" ID x .087" Thk

- 41/64 x 3/32 inch

2шт.

23

31-2790

REDUCER,37 Degree, 3/4"-16, Fem x 7/16"-20 Male

ADAPTER - straight, 3/4-16 x 7/16-20 inch thread

2шт.

24

31-1189

HOSE ASSY.

HOSE - steering selector valve to make up valve, 32 inch

1шт.

25

REF

INSTRUCTION

VALVE ASSEMBLY - make up (See Fig. 5-30)

1шт.

28

19-23

BOLT,3/8" - 16 x 2 3/4", Gr 5

- hex, 3/8 NC x 2-3/4 inch

2шт.

29

232-4136

LOCK NUT,3/8"-16, GC

NUT - hex, lock, 3/8 inch NC

2шт.

30

50-2534T1

CLAMP

- split, halves

2шт.

31

50-2533T1

PLATE

COVER - clamp

1шт.

32

413-540

BOLT,Hex, 5/16" - 18 x 2-1/2", Gr 5

- hex, 5/16 NC x 2-1/2 inch

1шт.

33

231-1445

NUT,5/16"-18, GB

NUT - hex lock, 5/16 inch NC

1шт.

37

REF

INSTRUCTION

VALVE ASSEMBLY - steering selector (See Fig. 5-28)

1шт.

Выбрано товаров: 24