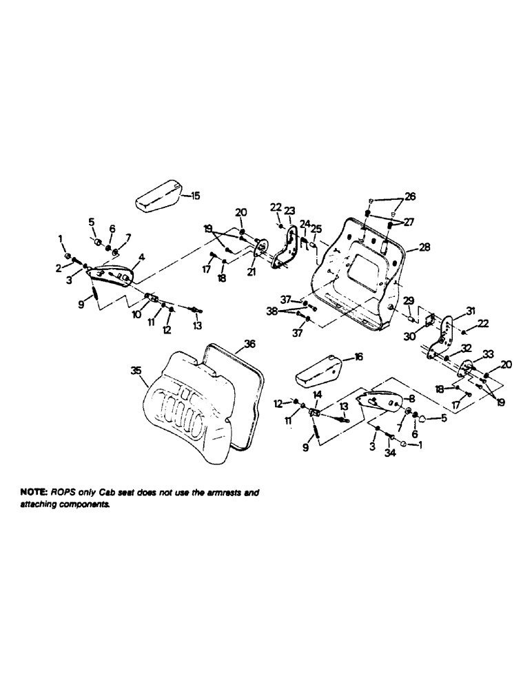
Запчасти Case IH 9130 (01-24) - SEAT ASSEMBLY, BACK CUSHION AND ARMREST (10) - CAB

Схема запчастей Case IH 9130 - (01-24) - SEAT ASSEMBLY, BACK CUSHION AND ARMREST (10) - CAB
21
23
1
17
32
19
22
28
2
18
16
5
20
13
6
9
9
35
37
27
13
4
8
6
15
19
17
1
30
34
31
5
37
25
11
7
14
26
38
12
12
29
7
24
18
3
10
11
20
3
33
22
36
FIT
1:1
100%

Артикул

Название

Примечание

Количество

1

60-1656T1

COVER

- protective

2шт.

2

40-1069

CAPSCREW,Hex, M10 x 1.5 x 45mm, Gr 8.8

M10 x 45 MM

1шт.

3

40-1008

WASHER

- flat, M10

2шт.

4

60-3195T1

SUPPORT

- armrest, right (See note 1)

1шт.

5

60-3240T1

COVER

- protective

2шт.

6

60-1653T1

LOCK NUT

- lock, M24 x 1.5

2шт.

7

40-1156

WASHER

- flat, M25

2шт.

8

60-3190T1

SUPPORT

- armrest, left (See note 1)

1шт.

9

60-3189T1

SPRING

- armrest adjustment retainer

2шт.

10

60-3196T1

RETAINER

- armrest adjustment, right

1шт.

11

40-1153

WASHER

- flat, M13

2шт.

12

60-1655T1

NUT

- lock, M12

2шт.

13

60-1650T1

STEERING KNUCKLE

SPINDLE - adjustable, armrest

2шт.

14

60-3188T1

RETAINER

- armrest adjust., left

1шт.

15

60-3199T1

ARMREST

- right (See note 1)

1шт.

16

60-3194T1

ARMREST

- left (See note 1)

1шт.

17

19-214

BOLT,Hex, 7/16" - 20 x 1 3/4", Gr 5

CAPSCREW, 7/16 UNF x 1-3/4

2шт.

18

19-193

LOCK WASHER,Ext Tooth, 7/16"

WASHER - lock, 7/16

2шт.

19

60-4847T1

SCREW

CAPSCREW, M8 x 35

4шт.

20

60-1654T1

WASHER

- plastic, M24

2шт.

21

60-3198T1

LARGE PLATE

PLATE - bearing, right

1шт.

22

60-4845T1

NUT

M8

2шт.

23

60-4851T1

MOUNTING PARTS

MOUNT - armrest support, right

1шт.

24

60-4849T1

SPRING

1шт.

25

60-4850T1

SPACER

- armrest support mount

1шт.

26

60-5619T1

PLUG

- hole

2шт.

27

60-1669T1

BUSHING

BLUSHING

2шт.

28

60-5620T1

BACKREST

PAN - backrest

1шт.

29

60-4852T1

SPACER

- armrest support mount

1шт.

30

60-4859T1

SPACER

1шт.

31

60-4858T1

MOUNTING PARTS

MOUNT - armrest support, left

1шт.

32

60-1679T1

WASHER

- flat, M10

1шт.

33

60-3256T1

LARGE PLATE

PLATE - bearing , left

1шт.

34

40-1073

CAPSCREW,Hex, M10 x 1.5 x 70mm, Gr 8.8

M10 x 70 MM

1шт.

35

60-5948T1

CUSHION

- backrest (With gray cloth upholstery)

1шт.

RE IT 35. 60-5948T1 IS ACTUALLY THE SEAT BOTTOM ACCORDING TO B/P.

1шт.

60-5621T1

CUSHION

- backrest (With tan cloth upholstery)

1шт.

33-1393T1

CUSHION

- backrest (With vinyl upholstery)

1шт.

36

60-1641T1

SUPPORT

EXTRUSION - plastic

1шт.

37

40-1007

WASHER

- flat, M8

2шт.

38

40-1150

CAPSCREW,Hex, M8 x 1.25 x 30mm, Gr 8.8

M8 x 30

2шт.

Выбрано товаров: 41