Запчасти Case IH 9130 (05-3) - PARK BRAKE CONTROLS (5.1) - BRAKES

Схема запчастей Case IH 9130 - (05-3) - PARK BRAKE CONTROLS (5.1) - BRAKES
14
11
13
4
16
1
8
10
5
2
7
3
12
9
6
12
15
17
FIT
1:1
100%

Артикул

Название

Примечание

Количество

60-2150T91

LEVER

ASSEMBLY - park brake, Includes: Ref. 1 - 10

1шт.

60-5017T91

LEVER ASSY.

LEVER ASSEMBLY - park brake

1шт.

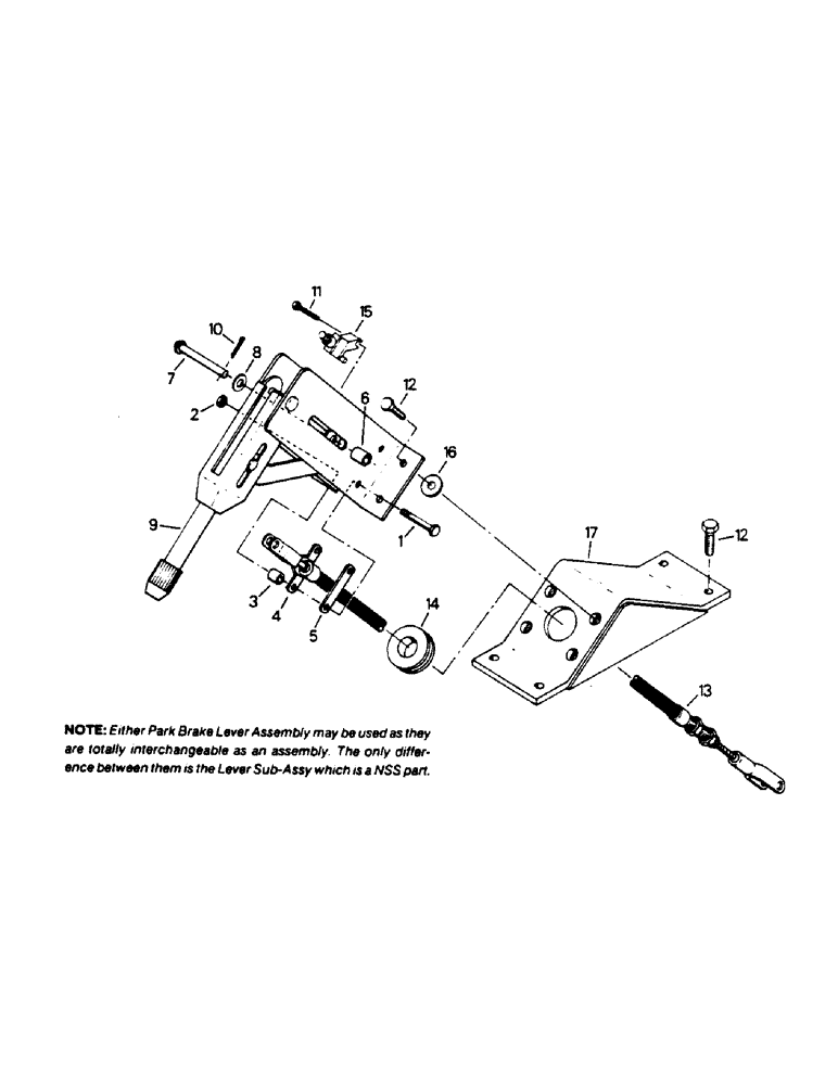
1

19-8

BOLT,5/16" - 18 x 1 1/2", Gr 5

CAPSCREW, 5/16 UNC x 1-1/2 G-5

2шт.

2

19-77

NUT,5/16"-18, G5

5/16 UNC G-B

2шт.

3

19-6062

SPACER

- cable mounting, 5/16 x 1/2 x .53 thk

2шт.

4

1-8464

FIXING BRACKET

CLAMP - brake cable, inner

1шт.

5

1-8451

FIXING BRACKET

CLAMP - brake cable, outer

1шт.

6

19-6061

SPACER

- cable attaching, 5/16 x 1/2 x .725 thk

1шт.

7

19-5664

CLEVIS PIN,5/16" x 2"

PIN - clevis, 5/16 x 1-7/8 inch

1шт.

8

19-6042

WASHER

- flat, 5/16 x 5/8 x 1/16 thk

1шт.

9

NSS

NOT SOLD SEPARAT

LEVER SUB-ASSEMBLY

1шт.

NSS

NOT SOLD SEPARAT

LEVER SUB-ASSEMBLY

1шт.

10

19-238

COTTER PIN,3/32" x 3/4"

Pin, Split (Cotter), 3/32" x 3/4"

1шт.

11

19-6216

TAPPING SCREW, no. 8 UNC x 1

1шт.

12

9418918

BOLT,Hex, 5/16" - 18 x 1", Gr 5, Full Thd

CAPSCREW, 5/16 UNC x 1 G-5

8шт.

13

60-5615T1

CABLE

- park brake

1шт.

14

31-2063

ADAPTER

GROMMET - park brake cable

1шт.

15

20-2316T1

SWITCH

MICRO SWITCH - park brake

1шт.

16

19-5998

WASHER

- flat, 5/16 x 3/4 x 1/8 thk

4шт.

17

60-5013T1

ANCHOR

MOUNT - park brake lever

1шт.

Выбрано товаров: 20