Запчасти Case IH 9130 (04-01) - ENGINE AND MOUNTING (04) - Drive Train

Схема запчастей Case IH 9130 - (04-01) - ENGINE AND MOUNTING (04) - Drive Train
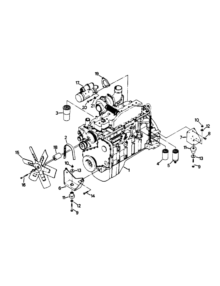
2
10
8
9
4
12
9
11
7
3
20
21
13
14
18
11
13
17
6
12
5
10
1
16
15
19
FIT
1:1
100%

Артикул

Название

Примечание

Количество

1

A174167

ENGINE

ASSEMBLY - 6 CTA 8.3L - 220 HP, See Figures 4-02 thru 4-47

1шт.

2

BELT - fan and alternator, See Figure 4-02, (33-1155T1)

1шт.

Old part can be used on all tractors, new part should be used when stock is depleted.

1шт.

3

FILTER - engine oil, See Figure 4-22, (33-1156T1)

1шт.

Old part can be used on all tractors, new part should be used when stock is depleted.

1шт.

4

FILTER - fuel, secondary, See Figure 4-36, (33-1157T1)

1шт.

Old part can be used on all tractors, new part should be used when stock is depleted.

1шт.

5

FILTER - fuel, primary, See Figure 4-36, (33-1158T1)

1шт.

Old part can be used on all tractors, new part should be used when stock is depleted.

1шт.

6

90-6432T1

ANCHOR

MOUNT - engine, front

1шт.

7

90-6436T1

MOUNTING PARTS

MOUNT - engine, side

2шт.

8

40-1212

CAPSCREW,Hex, M12 x 1.75 x 35mm, Gr 10.9

M12 x 1.75 x 35 MM G-10.9

8шт.

9

19-256

BOLT,Hex, 5/8" - 11 x 4", Gr 5

CAPSCREW, 5/8 UNC x 4 G-5

3шт.

10

19-222

LOCK NUT,5/8" - 11, GB

NUT - lock, 5/8 UNC G-B

3шт.

11

24-231

RUBBER MOUNTING

MOUNT - rubber

3шт.

12

19-1071

WASHER,21/32" x 1 5/16" x 0.15", HDN

- flat, 5/8 x 1-5/16 x 5/32 thk

3шт.

13

19-408

WASHER

- flat, 5/8 x 2-1/2 x 3/16 thk

3шт.

14

40-1237

BOLT,M12 x 1.75 x 60mm, Gr 8.8

CAPSCREW, M12 x 1.75 x 60 MM G-8.8

4шт.

15

90-5857T1

FAN

- engine

1шт.

16

40-1074

BOLT,Hex, M10 x 1.5 x 80mm, Gr 8.8

CAPSCREW, M10 x 1.50 x 80 MM

4шт.

17

STARTER - engine, See Figures 2-02 and 2-03

1шт.

18

J910130

SPACER

- fan

1шт.

19

SPACER - starter, See Figure 4-42

2шт.

20

A177921

BOLT,12 Pt Hd, M12 x 1.75 x 50mm, Gr 8.8

CAPSCREW - starter mounting

3шт.

21

19-5603

WASHER,17/32" x 1 1/16" x .095", HDN

- flat, hardened, 1/2 x 1 x 3/32 thk

3шт.

Выбрано товаров: 25