Запчасти Case IH 9130 (04-48) - AIR INTAKE SYSTEM (04) - Drive Train

Схема запчастей Case IH 9130 - (04-48) - AIR INTAKE SYSTEM (04) - Drive Train
41
30
7
35
21
2
14
23
11
17
29
28
36
14
19
9
5
20
10
24
40
37
20
8
33
31
39
13
16
15
23
26
42
39
1
6
22
46
21
44
8
22
30
46
16
8
19
6
38
24
32
44
27
43
12
28
25
29
25
39
43
33
34
20
4
21
44
43
18
33
47
3
16
19
FIT
1:1
100%

Артикул

Название

Примечание

Количество

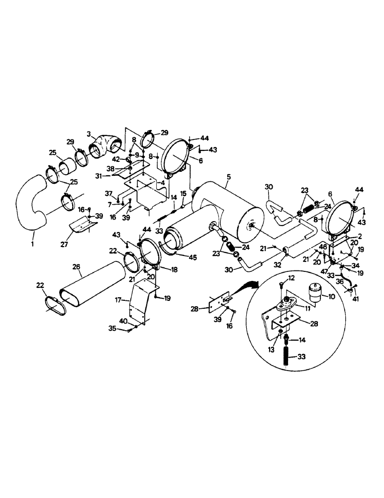
1

90-6123T1

AIR INTAKE TUBE,4" OD

TUBE - rubber, air intake to engine

1шт.

2

90-6972T1

BRACKET

- air cleaner mounting

1шт.

3

90-6520T1

ELBOW

- rubber

1шт.

4

90-6118T1

BRACKET

- air cleaner mounting

1шт.

5

AIR CLEANER ASSEMBLY - engine, See Figure 4-50

1шт.

6

90-6121T1

BRAKE BAND

CLAMP - air cleaner mounting, Includes: Ref. 43 and 44

2шт.

7

19-17

BOLT,Hex, 3/8" - 16 x 1", Gr 5, Full Thd

CAPSCREW, 3/8 UNC x 1 G-5

5шт.

8

19-78

SPECIAL NUT,3/8"-16, G5

3/8 UNC G-B

6шт.

9

19-107

WASHER

- flat, 3/8

2шт.

10

29-111

DIPSTICK

INDICATOR - filter service

1шт.

11

90-4681T1

FLANGE

- indicator mounting

1шт.

12

19-1

BOLT,Hex, 1/4" - 20 x 3/4", Gr 5

CAPSCREW, 1/4 UNC x 3/4 G-5

2шт.

13

19-76

NUT,1/4"-20, G5

- 1/4 UNC G-B

2шт.

14

31-2388

FITTING

- barbed, 1/8 NPT male x 1/8 hose

2шт.

15

31-605

HYD CONNECTOR,1/8"-27 NPTF, Female

COUPLING, 1/8 NPT female x 1/8 NPT FEMALE

1шт.

16

40-1091

BOLT,Hex, M10 x 1.5 x 20mm, Gr 8.8

CAPSCREW, M10 x 1.5 x 20 MM

6шт.

17

90-6240T1

PLATE

BRACKET - air cleaner mounting

1шт.

18

90-6241T1

CLAMP

- air cleaner mounting, Includes: Ref. 43 and 44

1шт.

19

19-6

BOLT,5/16" - 18 x 3/4", Gr 5

CAPSCREW, 5/16 UNC x 3/4 G-5

4шт.

20

19-700

WASHER,5/16"

- flat, 3/8

4шт.

21

19-77

NUT,5/16"-18, G5

5/16 UNC G-B

4шт.

22

31-2268

HOSE CLAMP,5.25/6.125 HD Worm, W/liner

CLAMP - intake hose, 5-1/4 to 6-1/8

2шт.

23

32-26

HOSE CLAMP,#28, 1.31/2.25 Type F Worm

CLAMP - aspirator tube, 1-5/16 to 2-1/4

4шт.

24

31-2594

HOSE,1.25" ID x 4.00"

Aspirator Tube; Order 01-4569T1, and Cut to Required Length 1.25" ID x 4.00"

2шт.

25

90-6117T1

TUBE,4" OD x 3" L

- adapter

1шт.

26

90-6004T1

INTAKE AIR HOSE,5.00" ID x 19.88", SAE 2DA712A26B36F17

5.00" ID x 19.88", SAE 2DA712A26B36F17

1шт.

27

90-6119T1

SHIELD

- heat

1шт.

28

90-6277T1

BRACKET

- indicator mounting

1шт.

29

32-146

CLAMP,#108, 4.25"-4.56", T-Bolt

- intake elbow, 4-1/4 to 4-9/16

4шт.

30

90-6521T1

TUBE,1.25" OD

- aspirator

1шт.

31

90-6522T1

SHIELD

- heat

1шт.

32

32-343

MOUNTING CLIP

CLAMP - tube (31-1348)

1шт.

Error correction only.

1шт.

33

31-2694

HOSE,4.78 mm ID x 1219.20 mm

INTAKE AIR HOSE - Air Cleaner to Service Indicator 4.78 mm ID x 1219.20 mm

1шт.

34

22-628

CABLE CLIP

CLAMP - hose

1шт.

35

40-1231

BOLT,Hex, M8 x 1.25 x 16mm, Gr 8.8

CAPSCREW - M8 x 1.25 x 16 MM

4шт.

36

18-633

COLLAR CLAMP

CLAMP - hose

1шт.

37

19-19

BOLT,Hex, 3/8" - 16 x 1 1/2", Gr 5

CAPSCREW, 3/8 UNC x 1-1/2 G-5

1шт.

38

19-380

SPACER, 3/8 x 1-1/2 x 5/8 thk

1шт.

39

19-118

LOCK WASHER,7/16"

7/16"

6шт.

40

19-116

LOCK WASHER,5/16"

5/16"

4шт.

41

40-1087

BOLT,M6 x 20mm

CAPSCREW, M6 x 1 x 20 MM

1шт.

42

32-343

MOUNTING CLIP

CLAMP - hose

1шт.

43

19-39

BOLT,5/16" - 18 x 1 3/4", Gr 5

CAPSCREW, 5/16 UNC x 1-3/4 G-5

3шт.

44

19-508

LOCK NUT

- lock, 5/16 UNC G-B

3шт.

45

90-6834T1

FOAM

1шт.

46

40-1146

BOLT,Hex, M8 x 1.25 x 30mm, Cl 10.9

CAPSCREW, M8 x 1.25 x 30 MM

3шт.

47

90-6873T1

SPACER

STRAP - spacer

1шт.

Выбрано товаров: 48