Запчасти Case IH 9130 (9-82) - AIR CONDITIONING, COMPRESSOR MOUNTING AND DRIVE (09) - CHASSIS/ATTACHMENTS

Схема запчастей Case IH 9130 - (9-82) - AIR CONDITIONING, COMPRESSOR MOUNTING AND DRIVE (09) - CHASSIS/ATTACHMENTS
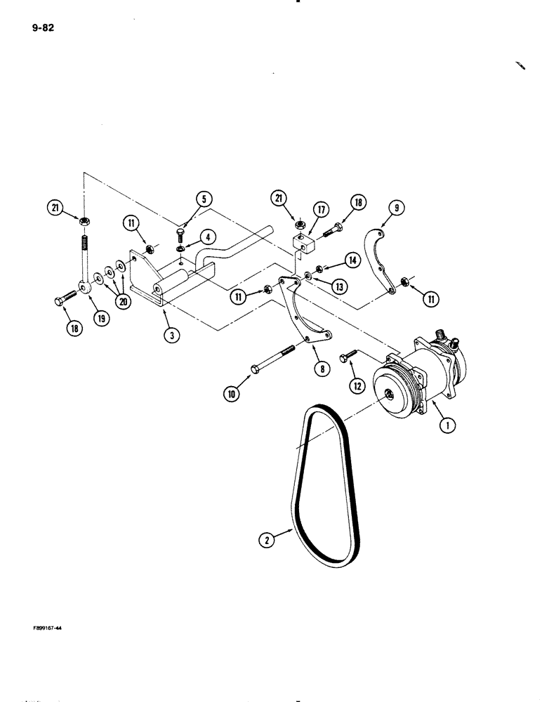
20
5
8
21
13
18
11
18
11
3
1
12
21
10
2
4
14
9
19
11
17
FIT
1:1
100%

Артикул

Название

Примечание

Количество

1

REF

INSTRUCTION

COMPRESSOR - air conditioning (See Fig. 9-84)

1шт.

2

6-1451

V-BELT,0.53" W x 51.75" L

0.53" W x 51.75", Air conditioning compressor

1шт.

3

90-6100T1

MOUNTING PARTS

MOUNT - compressor

1шт.

4

19-118

LOCK WASHER,7/16"

7/16"

4шт.

5

40-1091

BOLT,Hex, M10 x 1.5 x 20mm, Gr 8.8

BOLT - hex, 10 x 20 mm

4шт.

8

90-6110T1

BRACKET

- compressor pivot, front

1шт.

9

2-5295T2

BRACKET

- compressor pivot, rear

1шт.

10

113-429

BOLT,Hex, 1/2" - 13 x 5", Gr 5

1шт.

11

19-82

LOCK NUT

- hex lock, 1/2 inch NC

3шт.

12

19-454

SCREW,Hex, M10 x 34mm, Cl 8.8

BOLT - hex, 10 mm - 1.5 x 34 mm

5шт.

13

19-107

WASHER

- flat, 3/8 x 1 x 5/64 inch

5шт.

14

19-455

NUT

- hex, 10 mm - 1.5

5шт.

17

1-6899T1

BLOCK

- compressor belt adjusting

1шт.

18

19-46

BOLT,1/2" - 13 x 2", Gr 5

- hex, 1/2 NC x 2 inch

2шт.

19

22-1086T1

ROD

- compressor belt adjusting

1шт.

20

495-21056

WASHER,1/2"

- flat, 9/16 x 1-3/8 x 3/32 inch

3шт.

21

19-1060

JAM NUT,1/2" - 20, Gr 8

- hex jam, 1/2 inch NC

2шт.

Выбрано товаров: 17