Запчасти Case IH 9150 (6-070) - PTO TRANSFER CASE ASSEMBLY (06) - POWER TRAIN

Схема запчастей Case IH 9150 - (6-070) - PTO TRANSFER CASE ASSEMBLY (06) - POWER TRAIN
20
16
1
27
8
5
2
17
1
4
2
32
31
26
2
24
18
24
3
21
10
17
11
23
1
8
33
14
2
15
24
25
4
15
25
9
1
FIT
1:1
100%

Артикул

Название

Примечание

Количество

90-4434T92

CASE ASSY.

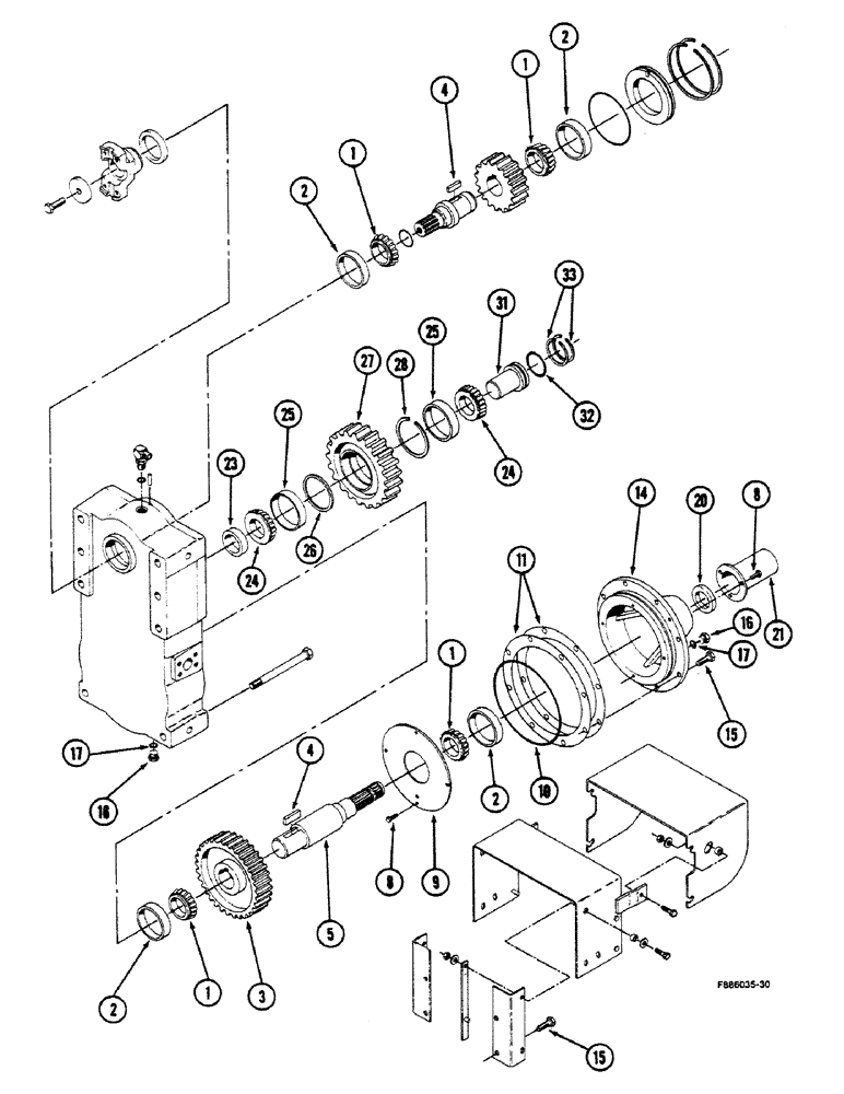
CASE ASSEMBLY - transfer, PTO, Includes: Ref. 1 - 33 and 37 - 60 on Fig. 6-72

1шт.

1

16-1652T1

BEARING, ROLLER,2.25" ID x 0.864"

CONE - bearing

4шт.

2

90-1996T1

BEARING, CUP,3.8125" OD x 0.8268"

CUP - bearing

4шт.

3

90-4402T1

PINION

GEAR - output, 54 tooth

1шт.

4

90-1173T1

BUCKET TOOTH KEY

KEY -shaft

2шт.

5

90-4401T1

SHAFT

- output

1шт.

8

19-876

BOLT,Hex, 5/16" - 18 x 1/2", Gr 5

- hex, 5/16 NC x 1/2 inch

7шт.

9

90-4409T2

DEFLECTOR

BAFFLE - oil

1шт.

10

1-2270

O-RING,9.234" ID x 9.512" OD x 0.139"

O-RING - end cap, 9-1/4 x 9-1/2 inch

1шт.

11

90-4410T1

SHIM

- end cap, 0.005 inch

1шт.

11

90-4411T1

SHIM

- end cap, 0.007 inch

1шт.

11

90-4412T1

SHIM

- end cap, 0.020 inch

1шт.

14

90-4420T2

CAP

- end, PTO output

1шт.

15

19-45

BOLT,1/2" - 13 x 1 1/2", Gr 5

- hex, 1/2 NC x 1-1/2 inch

8шт.

16

31-336

PLUG

- o-ring boss, 3/4 inch thread, Includes: Ref. 17

2шт.

17

31-1335

O-RING,8-1, 90 Duro, .644" ID x .087" Thk

- plug, 41/64 x 5/64 inch

2шт.

20

90-1995T1

SEAL

SEAL - output shaft

1шт.

21

90-1926T1

COVER

- output shaft

1шт.

23

90-4425T1

BUSHING

- spacer, center shaft

1шт.

24

90-3580T1

BEARING, ROLLER,50.8mm ID x 24.61mm W

CONE - bearing

2шт.

25

90-3581T1

BEARING CUP,96.86mm OD x 19.45mm W

CUP - bearing

2шт.

26

90-3577T1

SPACER

- gear, center shaft (Replaces 96-3577T1)

1шт.

27

90-4403T1

PINION

GEAR - center, 49 tooth

1шт.

28

19-6058

RING, SNAP

RING - snap

1шт.

31

90-4418T1

PIN

- center shaft

1шт.

32

90-4424T1

O-RING,2.359" ID x 2.637" OD x 0.139"

- seal, 2-3/8 x 2-5/8 inch

1шт.

33

90-5750T1

RING, SNAP

RING - snap, 0.065 inch

1шт.

33

90-5749T1

RING, SNAP

RING - snap, 0.069 inch

1шт.

33

90-5748T1

RING, SNAP

RING - snap, 0.073 inch

1шт.

33

90-5747T1

RING, SNAP

RING - snap, 0.077 inch

1шт.

33

90-5746T1

RING, SNAP

RING - snap, 0.081 inch

1шт.

33

90-5745T1

RING, SNAP

RING - snap, 0.085 inch

1шт.

33

90-5744T1

RING, SNAP

RING - snap, 0.089 inch

1шт.

33

90-5743T1

RING, SNAP

RING - snap, 0.093 inch

1шт.

Выбрано товаров: 34