Запчасти Case IH 9150 (6-086) - AXLE ASSEMBLY, AXLE SHAFT AND HOUSING, K592 BAR AXLE (06) - POWER TRAIN

Схема запчастей Case IH 9150 - (6-086) - AXLE ASSEMBLY, AXLE SHAFT AND HOUSING, K592 BAR AXLE (06) - POWER TRAIN
32
20
18
25
30
8
24
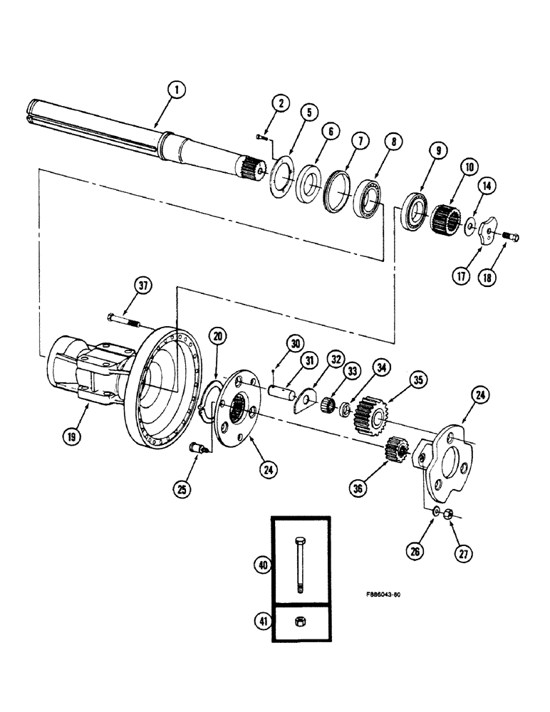
1
6
14
10
24
27
37
17
5
40
32
9
35
2
7
19
26
36
30
34
41
FIT
1:1
100%

Артикул

Название

Примечание

Количество

90-6975T91

AXLE, FRONT

AXLE ASSEMBLY - front, without differential lock, Includes: Ref. 1 - 37

1шт.

90-6976T91

AXLE, REAR

AXLE ASSEMBLY - rear, without differential lock, Includes: Ref. 1 - 37

1шт.

90-6977T91

CENTER AXLE

AXLE ASSEMBLY - front, with differential lock, Includes: Ref. 1 - 37

1шт.

90-6978T91

AXLE

ASSEMBLY - rear, with differential lock, Includes: Ref. 1 - 37

1шт.

1

33-1243T1

AXLE SHAFT

SHAFT - axle

2шт.

2

40-1220

CAPSCREW,Hex, M6 x 12mm, Cl 10.9

BOLT - hex, M6 x 12 mm, grade 10.9

8шт.

5

33-1244T1

WEAR PLATE

PLATE - end cover

2шт.

6

33-1245T1

RING

- shoulder

2шт.

7

33-1246T1

OIL SEAL

- axle shaft

2шт.

8

33-1247T1

TAPERED BEARING,105mm ID x 160mm OD x 43mm W

BEARING - taper roller

2шт.

9

33-1248T1

TAPERED BEARING,90mm ID x 160mm OD x 32.5mm W

BEARING - taper roller

2шт.

10

33-1249T1

PINION

GEAR - pinion drive

2шт.

14

33-1250T1

SHIM

- bearing, 0.10 mm

1шт.

14

33-1251T1

SHIM

- bearing, 0.15 mm

1шт.

14

33-1252T1

SHIM

- bearing, 0.25 mm

1шт.

14

33-1253T1

SHIM

- bearing, 0.70 mm

1шт.

17

33-1254T1

WASHER

- retainer, axle

2шт.

18

90-4480T1

SCREW,Hex, M22 x 1.5 x 65mm, Gr 10.9

BOLT - hex

2шт.

19

33-1255T1

AXLE HOUSING

HOUSING - axle

2шт.

20

90-2562T1

RING, SNAP

RING - snap

2шт.

33-1256T91

CARRIER

ASSEMBLY - planetary, Includes: Ref. 24 - 27

2шт.

24

NSS

NOT SOLD SEPARAT

CARRIER - pinion

2шт.

25

16-1608

SCREW,Hex Shldr

BOLT - shouldered

6шт.

26

16-1599

WASHER

- flat

8шт.

27

16-1598

NUT

- hex, M16 x 1.5

6шт.

30

16-1607

BALL

- steel

6шт.

31

33-1257T1

SHAFT

- pinion gear

6шт.

32

90-2564T1

LARGE PLATE

PLATE - thrust

12шт.

33

90-2565T1

NEEDLE BEARING

- needle (2 per gear)

12шт.

34

33-1258T1

SPACER

- bearing

6шт.

35

33-1259T1

GEAR

- sun

2шт.

36

33-1260T1

SUN GEAR

GEAR - planet

6шт.

37

33-1261T1

CAPSCREW,Flg, 5/16" - 18 x 1", Gr 8

BOLT - hex

24шт.

37

33-1262T1

CAPSCREW,Torx, #10 - 24 x .375"

BOLT - hex, M14 x 1.5 x 112 mm, grade 10.9

24шт.

40

19-815

BOLT,Hex, 1" - 8 x 9 1/4", Gr 8

- hex, 1 NC x 9-1/4 inch, grade 8

16шт.

41

131-1221

LOCK NUT,1"-8, GC

NUT - hex lock, 1 inch NC

16шт.

Выбрано товаров: 36