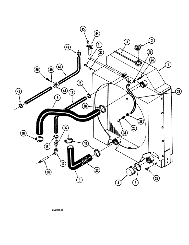
Запчасти Case IH 9150 (2-04) - RADIATOR AND ATTACHING PARTS, 3306 ENGINE (02) - ENGINE

Схема запчастей Case IH 9150 - (2-04) - RADIATOR AND ATTACHING PARTS, 3306 ENGINE (02) - ENGINE
10
15
31
1
15
49
8
17
47
3
45
10
48
14
26
24
5
22
18
34
23
16
35
30
47
44
46
9
25
50
2
26
10
4
FIT
1:1
100%

Артикул

Название

Примечание

Количество

1

90-7042T91

RADIATOR

ASSEMBLY - cooling system (Replaces 90-6074T92), Includes: Ref. 2 and 3

1шт.

2

10-21

CAP

- radiator, 7 PSI

1шт.

3

31-1260

HOSE,0.25" ID x 57.00"

Overflow (Order 31-1259T1 and cut to length) 0.25" ID x 57.00"

1шт.

4

2-7267T2

CAP

- plug, rubber

1шт.

5

32-60

CLAMP,#48, 2.56/3.50 Type F Worm

- hose, 2-9/16 to 3-1/2 inch

1шт.

8

31-2579

HOSE,2.25" ID x 19.53"

Radiator, Upper 2.25" ID x 19.53"

1шт.

9

31-2578

HOSE,2.50" ID

Radiator, Lower 2.50" ID

1шт.

10

32-24

HOSE CLAMP,#40, 2.06/3.00 Type F Worm

CLAMP - hose 2 to 3 inch

4шт.

14

31-1503

HOSE,1.00" ID x 28.00"

Order 31-1502T1, and Cut to Required Length 1.00" ID x 28.00"

1шт.

15

32-27

HOSE CLAMP,#20, 0.81/1.75 Type F Worm

CLAMP - hose, 13/16 to 1-3/4 inch

2шт.

16

31-318

HOSE

CONNECTOR - straight, 3/4 NPT x 1 inch hose

1шт.

17

31-44

ELBOW

- 90 degree, 3/4 NPT x 3/4 inch NPT

1шт.

18

31-172

NIPPLE, LUBE

CONNECTOR - straight, 3/4 NPT x 1-3/8 inch

1шт.

22

31-1718

SPRING

- hose, insert

1шт.

23

1-2621

HOSE

- radiator, engine, 30 inch (Order 32-12 and, Serial Range: cut-length)

1шт.

24

31-314

FITTING

CONNECTOR - straight, 1/4 NPT x 3/8 inch hose

1шт.

25

31-164

CONNECTOR, ELEC

CONNECTOR - straight, 1/8 NPT x 3/8 inch hose

1шт.

26

32-29

HOSE CLAMP

CLAMP - hose, 7/16 to 3/4 inch

2шт.

30

22-635

MOUNTING CLIP

CLAMP - hose, overflow

2шт.

31

19-717

BOLT,Hex, 1/4" - 20 x 5/8", Gr 5, Full Thd

- hex, 1/4 NC x 5/8 inch

2шт.

34

31-207

ELBOW

- 45 degree 1/8 NPT x 1/8 inch NPT

1шт.

35

31-157

COCK, DRAIN

VALVE - drain, 1/4 inch NPT

1шт.

44

60-4550T1

TUBE,1.77, 1.77" Length

- suction, air conditioner aspirator

1шт.

45

19-6

BOLT,5/16" - 18 x 3/4", Gr 5

- hex, 5/16 NC x 3/4 inch

3шт.

46

31-1507

HOSE,1.00" ID x 63.00"

Air Conditioner Aspirator, Order 31-1502T1, and Cut to Required Length 1.00" ID x 63.00"

1шт.

47

32-245

HOSE CLAMP,#24, 1.06/2.00 Type F Worm

CLAMP - hose, 1 to 2 inch

2шт.

48

31-1348

CLAMP

- hose

1шт.

49

28588R1

WASHER

- flat, 5/16 x 7/8 x 1/16 inch

1шт.

50

19-288

BOLT,Hex, 5/16" - 18 x 5/8", Gr 5, Full Thd

- hex, 5/16 NC x 5/8 inch

1шт.

Выбрано товаров: 29