Запчасти Case IH 9150 (2-06) - RADIATOR AND ATTACHING PARTS, L-10 ENGINE (02) - ENGINE

Схема запчастей Case IH 9150 - (2-06) - RADIATOR AND ATTACHING PARTS, L-10 ENGINE (02) - ENGINE
2
39
22
42
33
14
29
21
1
5
27
38
43
8
10
34
4
26
9
3
20
40
30
15
41
17
28
41
16
0
10
10
FIT
1:1
100%

Артикул

Название

Примечание

Количество

1

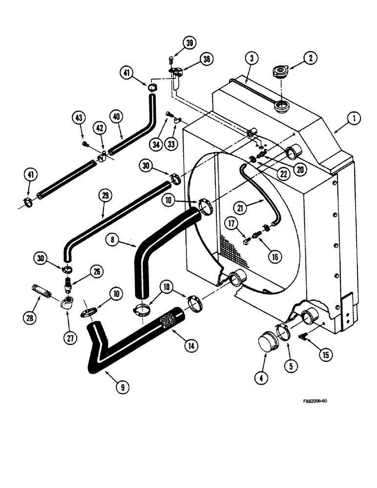
90-7068T91

RADIATOR

ASSEMBLY - cooling system (235 horsepower) (Replaces 90-5841T92), Includes: Ref. 2 and 3

1шт.

1

90-7068T91

RADIATOR

ASSEMBLY - cooling system (280 horsepower) (Replaces 90-6074T92), Includes: Ref. 2 and 3

1шт.

2

10-21

CAP

- radiator, 7 PSI

1шт.

3

31-1260

HOSE,0.25" ID x 57.00"

Overflow (Order 31-1259T1 and cut to length) 0.25" ID x 57.00"

1шт.

4

2-7267T2

CAP

- plug, rubber

1шт.

5

32-60

CLAMP,#48, 2.56/3.50 Type F Worm

- hose, 2-9/16 to 3-1/2 inch

1шт.

8

31-2591

HOSE,2.25" ID x 16.23"

Radiator, Upper 2.25" ID x 16.23"

1шт.

9

31-2436

HOSE,2.50" ID

Radiator, Lower 2.50" ID

1шт.

10

32-24

HOSE CLAMP,#40, 2.06/3.00 Type F Worm

CLAMP - hose, 2 to 3 inch

4шт.

14

32-1007

SPRING

- hose, insert

1шт.

15

31-157

COCK, DRAIN

VALVE - drain, 1/4 inch NPT

1шт.

16

31-164

CONNECTOR, ELEC

CONNECTOR - straight, 1/8 NPT x 3/8 inch hose

1шт.

17

31-237

ELBOW

- 90 degree, 1/8 NPT x 1/8 inch NPT

1шт.

20

31-314

FITTING

CONNECTOR - straight, 1/4 NPT x 3/8 inch hose

1шт.

21

31-1333

HOSE

1шт.

22

32-29

HOSE CLAMP

CLAMP - hose, 7/16 to 3/4 inch

2шт.

26

31-248

FITTING

CONNECTOR - straight, 1 NPT x 1 inch hose

1шт.

27

31-46

ELBOW

- 90 degree, 1 NPT x 1 inch NPT

1шт.

28

31-277

NIPPLE, LUBE

CONNECTOR - straight, 1 NPT x 4 inch

1шт.

29

31-1508

HOSE,1.00" ID x 51.75"

Order 31-1502T1, and Cut to Required Length 1.00" ID x 51.75"

1шт.

30

32-27

HOSE CLAMP,#20, 0.81/1.75 Type F Worm

CLAMP - hose, 13/16 to 1-3/4 inch

1шт.

33

22-635

MOUNTING CLIP

CLAMP - hose

2шт.

34

19-717

BOLT,Hex, 1/4" - 20 x 5/8", Gr 5, Full Thd

- hex, 1/4 NC x 5/8 inch

2шт.

38

60-4550T1

TUBE,1.77, 1.77" Length

- suction, air conditioner aspirator

1шт.

39

19-6

BOLT,5/16" - 18 x 3/4", Gr 5

- hex, 5/16 NC x 3/4 inch

3шт.

40

31-1507

HOSE,1.00" ID x 63.00"

Air Conditioner Aspirator, Order 31-1502T1, and Cut to Required Length 1.00" ID x 63.00"

1шт.

41

32-245

HOSE CLAMP,#24, 1.06/2.00 Type F Worm

CLAMP - hose, 1 to 2 inch

2шт.

42

31-1348

CLAMP

- hose

1шт.

43

813-10075

BOLT,Hex, M10 x 1.5 x 75mm, Cl 8.8

- hex, M10 x 75 mm

1шт.

Выбрано товаров: 29