Запчасти Case IH 9150 (9-062) - SEAT, AIR SUSPENSION, CAB (09) - CHASSIS/ATTACHMENTS

Схема запчастей Case IH 9150 - (9-062) - SEAT, AIR SUSPENSION, CAB (09) - CHASSIS/ATTACHMENTS
17
26
37
23
10
18
36
35
22
24
11
15
31
37
27
14
7
30
8
13
22
32
32
9
6
33
25
3
35
34
31
4
21
2
1
5
14
28
2
16
FIT
1:1
100%

Артикул

Название

Примечание

Количество

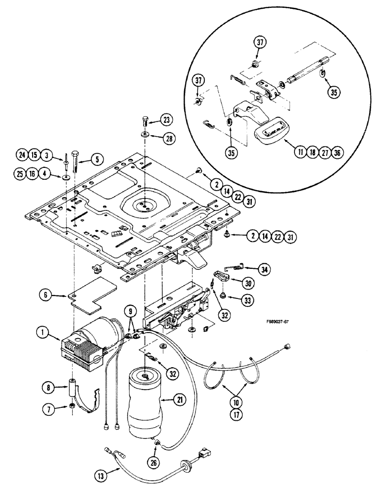
60-5949T91

SEAT

ASSEMBLY - air suspension, gray cloth upholstery (Continued from Figure 9-50)

1шт.

60-4793T91

SEAT ASSY.

SEAT ASSEMBLY - air suspension, tan cloth upholstery (Continued from Figure 9-80)

1шт.

60-4896T91

COMPRESSOR

ASSEMBLY - air suspension, Includes: Ref. 1 - 11

1шт.

1

NSS

NOT SOLD SEPARAT

COMPRESSOR - air suspension

1шт.

2

60-1613T1

FASTENER

- snap, boot

12шт.

3

1-2503

RIVET,Pop, .146" x .425"

- pop, 5/32 x 1/4 inch

1шт.

4

19-699

WASHER,3/16"

- flat, 1/4 inch

1шт.

5

40-1234

CAPSCREW,Hex, M6 x 75mm, Gr 8.8

BOLT - hex, M6 x 75 mm

1шт.

6

60-4880T1

SEAL, RUBBER

FOAM - compressor mounting

1шт.

7

40-1235

LOCK NUT

NUT - lock, M8

1шт.

8

60-4897T1

BRACKET

- compressor mounting

1шт.

9

60-4895T1

CLAMP

- hose

2шт.

10

22-824

CABLE TIE,3/16" x 7 1/4"

STRAP - nylon tie

2шт.

11

60-4884T1

HANDLE

- raise and lower

1шт.

60-4909T91

HARNESS

ASSEMBLY - compressor, Includes: Ref. 13 - 18

1шт.

13

NSS

NOT SOLD SEPARAT

HARNESS - compressor

1шт.

14

60-1613T1

FASTENER

- snap, boot

12шт.

15

1-2503

RIVET,Pop, .146" x .425"

- pop, 5/32 x 1/4 inch

1шт.

16

19-699

WASHER,3/16"

- flat, 1/4 inch

1шт.

17

22-824

CABLE TIE,3/16" x 7 1/4"

STRAP - nylon, tie

2шт.

18

60-4884T1

HANDLE

- raise and lower

1шт.

60-4900T91

SPRING

ASSEMBLY - air suspension, Includes: Ref. 21 - 28

1шт.

21

NSS

NOT SOLD SEPARAT

SPRING - air suspension

1шт.

22

60-1613T1

FASTENER

- snap, boot

12шт.

23

40-1231

BOLT,Hex, M8 x 1.25 x 16mm, Gr 8.8

BOLT - hex, M8 x 16 mm

1шт.

24

1-2503

RIVET,Pop, .146" x .425"

- pop, 5/32 x 1/4 inch

1шт.

25

19-699

WASHER,3/16"

- flat, 1/4 inch

1шт.

26

60-4895T1

CLAMP

- hose

1шт.

27

60-4884T1

HANDLE

- raise and lower

1шт.

28

40-1154

LOCK WASHER

- lock, M8

1шт.

60-4886T91

STOP

ASSEMBLY, Includes: Ref. 30 - 37

1шт.

30

NSS

NOT SOLD SEPARAT

STOP - plastic

1шт.

31

60-1613T1

FASTENER

- snap, boot

12шт.

32

60-4883T1

SPRING

- carrier return

2шт.

33

NSS

NOT SOLD SEPARAT

BUSHING - stop

1шт.

34

60-4889T1

SPRING

- stop

1шт.

35

40-1157

RING

- retaining, M7

2шт.

36

60-4884T1

HANDLE

- raise and lower

1шт.

37

60-4887T1

FLANGED BEARING

BEARING, Flanged

2шт.

Выбрано товаров: 39