Запчасти Case IH 9150 (2-30) - ETHER STARTING SYSTEM (02) - ENGINE

Схема запчастей Case IH 9150 - (2-30) - ETHER STARTING SYSTEM (02) - ENGINE
5
22
12
13
8
16
23
10
14
15
1
9
6
19
FIT
1:1
100%

Артикул

Название

Примечание

Количество

35-1626T92

KIT

- ether start, L-10 engine, Includes: Ref. 1 - 23

1шт.

35-1625T91

KIT

- ether start, 3806 engine, Includes: Ref. 1 - 23

1шт.

35-1625T91 description should read "for the 3306 Engine"

1шт.

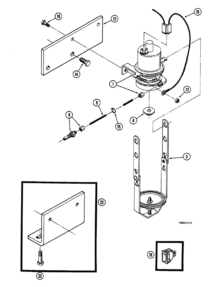
1

6-1600

SOLENOID

ASSEMBLY - ether start, Includes: Ref. 5 and 6

1шт.

5

1-1388

BAIL

HANGER - can, ether

1шт.

6

395686R1

GASKET

- can, ether

1шт.

8

6-1603

JET

NOZZLE - atomizer

1шт.

9

31-1861

TUBE,0.073" ID, 48" Length

- ether, 48 inch, L-10 engine (Order 29-53T3 and cut to length)

1шт.

9

31-2510

TUBE

- ether, 38 inch, 3306 engine (Order 29-53T3 and, Serial Range: cut-length)

1шт.

10

19-6

BOLT,5/16" - 18 x 3/4", Gr 5

- hex, 5/16 NC x 3/4 inch

2шт.

12

19-77

NUT,5/16"-18, G5

- hex, 5/16 inch NC

2шт.

13

90-6775T1

BRACKET

- mounting, ether start, L-10 engine

1шт.

14

40-1095

CAPSCREW,Hex, M10 x 1.5 x 25mm, Gr 10.9

BOLT - hex, M10 x 25 mm, grade 10.9, L-10 engine

2шт.

15

613-10025

BOLT,Hex, M10 x 1.5 x 25mm, Cl 8.8, Full Thd

STRAP - nylon (Replaces 22-824)

1шт.

16

REF

INSTRUCTION

HARNESS - engine (See Figures 4-16 and 4-18)

1шт.

19

1964751C1

SWITCH

- rocker (In cab)

1шт.

22

6-1604

BRACKET

- mounting, ether start, 3306 engine

1шт.

23

113-208

BOLT,Hex, 3/8" - 16 x 1-1/4", Gr 5

3306 engine Hex, 3/8"-16 x 1 1/4", G5, Full Thd

2шт.

Выбрано товаров: 18