Запчасти Case IH 9150 (4-14) - SYSTEMS CIRCUIT BREAKERS AND SOLENOIDS (04) - ELECTRICAL SYSTEMS

Схема запчастей Case IH 9150 - (4-14) - SYSTEMS CIRCUIT BREAKERS AND SOLENOIDS (04) - ELECTRICAL SYSTEMS
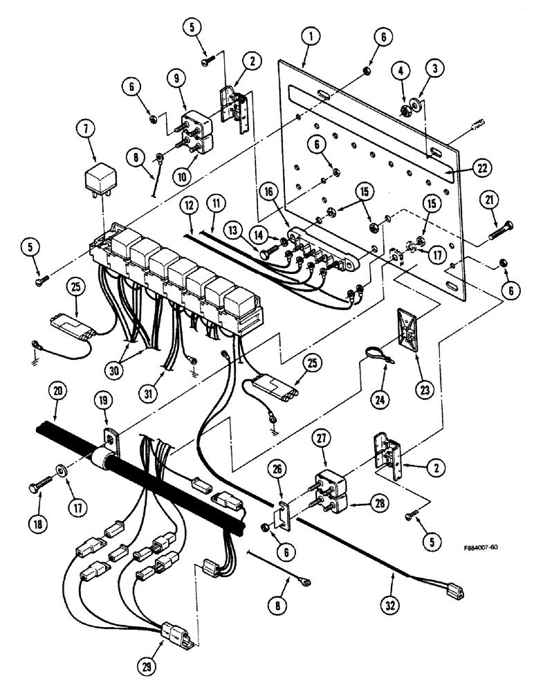
1
5
19
8
24
10
31
23
18
5
22
25
15
17
20
30
6
17
15
26
5
7
11
29
21
2
6
12
25
13
6
3
8
2
27
14
4
16
32
6
28
6
9
FIT
1:1
100%

Артикул

Название

Примечание

Количество

1

60-5052T2

LARGE PLATE

PLATE - relay mounting

1шт.

2

20-1171T1

SUPPORT

BRACKET - circuit breaker

2шт.

3

19-700

WASHER,5/16"

- flat, 5/16 x 7/8 x 1/16 inch

3шт.

4

19-508

LOCK NUT

- hex lock, 5/16 inch NC

3шт.

5

19-572

SCREW,Sl Pan Hd, #10 - 32 x 1/2", Gr 5

- machine, pan head, no. 10 x 1/2 inch

1шт.

6

19-481

SERRATED NUT

- Keps

1шт.

7

1-7877

RELAY

- electrical, non-sealed

1шт.

7

20-2133T1

RELAY

- electrical, sealed

1шт.

8

20-2301T1

ELECTRICAL WIRE

WIRE - battery power

1шт.

9

22-809

BREAKER

CIRCUIT BREAKER - 5 ampere

1шт.

10

22-673

BREAKER

CIRCUIT BREAKER - 30 ampere

1шт.

11

20-2356T1

HARNESS

- front differential

1шт.

12

20-2303T1

HARNESS

- rear differential

1шт.

13

19-1

BOLT,Hex, 1/4" - 20 x 3/4", Gr 5

- hex, 1/4 NC x 3/4 inch

2шт.

14

19-115

LOCK WASHER,1/4"

1/4"

2шт.

15

19-76

NUT,1/4"-20, G5

- hex, 1/4 inch NC

2шт.

16

20-1514T1

JUNCTION

BLOCK - electrical

1шт.

17

19-223

WASHER,1/4"

- flat, 1/4 x 3/4 x 1/16 inch

2шт.

18

19-2

BOLT,Hex, 1/4" - 20 x 1", Gr 5

- hex, 1/4 NC x 1 inch

2шт.

19

31-1348

CLAMP

- harness

1шт.

20

REF

INSTRUCTION

HARNESS - main cab (See Figures 4-2 and 4-4)

1шт.

21

19-5773

SCREW,Hex, 1/4" - 20 x 1 1/4", W/ LW

- machine, keps, 1/4 NC x 1-1/4 inch

1шт.

22

60-5053T2

DECAL

- relay

1шт.

23

22-823

MOUNT

MOUNT - adhesive backed

1шт.

24

22-824

CABLE TIE,3/16" x 7 1/4"

STRAP - nylon

1шт.

25

22-738

DIODE

1шт.

26

22-677

BAR

CONNECTOR - circuit breaker

1шт.

27

22-670

BREAKER

CIRCUIT BREAKER - 10 ampere

1шт.

28

22-671

BREAKER

CIRCUIT BREAKER - 15 ampere

1шт.

29

20-1986T1

HARNESS

- jumper

1шт.

30

20-1933T1

HARNESS

- relay, differential

2шт.

31

20-2336T1

HARNESS

- relay

1шт.

32

20-2259T2

HARNESS

- air seat

1шт.

Выбрано товаров: 33