Запчасти Case IH 9150 (4-16) - ENGINE HARNESS, L-10 ENGINE (04) - ELECTRICAL SYSTEMS

Схема запчастей Case IH 9150 - (4-16) - ENGINE HARNESS, L-10 ENGINE (04) - ELECTRICAL SYSTEMS
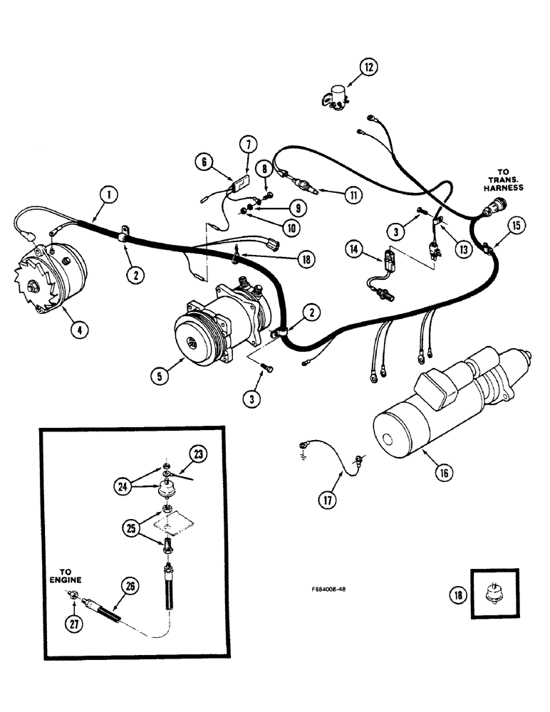
9
4
15
16
8
27
26
3
18
1
24
11
3
23
18
6
14
2
7
10
13
2
25
17
5
12
FIT
1:1
100%

Артикул

Название

Примечание

Количество

1

20-2440T1

HARNESS

ASSEMBLY - L-10 engine, Start Serial: 17900705

1шт.

1

20-2501T1

HARNESS

ASSEMBLY - L-10 engine, Serial Range: -17900705

1шт.

60-6248T1 Harness used with Bosch Alternator

1шт.

2

31-2488

CLAMP

- harness, retaining

2шт.

3

40-1091

BOLT,Hex, M10 x 1.5 x 20mm, Gr 8.8

BOLT - hex, M10 x 20 mm

2шт.

4

REF

INSTRUCTION

ALTERNATOR (See Figure 4-46)

1шт.

5

REF

INSTRUCTION

COMPRESSOR (See Figure 9-108)

1шт.

6

20-2415T1

HARNESS

- suppressor diode

1шт.

7

22-738

DIODE

1шт.

8

19-17

BOLT,Hex, 3/8" - 16 x 1", Gr 5, Full Thd

- hex, 3/8 NC x 1 inch

1шт.

9

19-243

LOCK WASHER,Ext Tooth, 3/8"

WASHER - lock, external tooth 3/8 inch

1шт.

10

19-78

SPECIAL NUT,3/8"-16, G5

- hex, 3/8 inch NC

1шт.

11

22-681

IGNITION SWITCH

SWITCH - temperature, sender, (One Terminal), Start Serial: 17900705

1шт.

11

20-1676T1

SWITCH

- temperature, sender, (Two Terminal), Start Serial: 17900705

1шт.

12

REF

INSTRUCTION

SWITCH - starter, magnetic (See Figure 4-24)

1шт.

13

31-1862

CLAMP

- harness, retaining

1шт.

14

20-2357T1

SENSOR

- magnetic, for RPM

1шт.

For later serial no. refer to service bulletin ntrsb03691 for RPM on the 9150

1шт.

15

31-1775

CLAMP

- harness, retaining

1шт.

16

REF

INSTRUCTION

STARTER (See Figures 4-36 - 4-42)

1шт.

17

20-2164T1

HARNESS

WIRE - ground starter

1шт.

18

1-2227T2

SENDER UNIT

SWITCH - oil pressure (See Figure 4-30), Start Serial: 17900705

1шт.

25

20-2510T1

ELECTRICAL WIRE

WIRE - oil pressure sender, engine, sender and mounting rops

1шт.

26

1-2227T2

SENDER UNIT

SWITCH - oil pressure, engine, sender and mounting rops

1шт.

27

31-2615

ADAPTER

CONNECTOR - straight, bulkhead, 1/8 inch NPT, oil pressure sender and mounting rops

1шт.

28

31-2639

HOSE

ASSEMBLY - oil pressure, 42 inch, sender and mounting rops

1шт.

29

31-607

REDUCER

CONNECTOR - straight, 1/8 NPT x 1/4 inch NPT, oil pressure sender and mounting rops

1шт.

Выбрано товаров: 27