Запчасти Case IH 9150 (4-54) - FRONT WINDOW WIPER (04) - ELECTRICAL SYSTEMS

Схема запчастей Case IH 9150 - (4-54) - FRONT WINDOW WIPER (04) - ELECTRICAL SYSTEMS
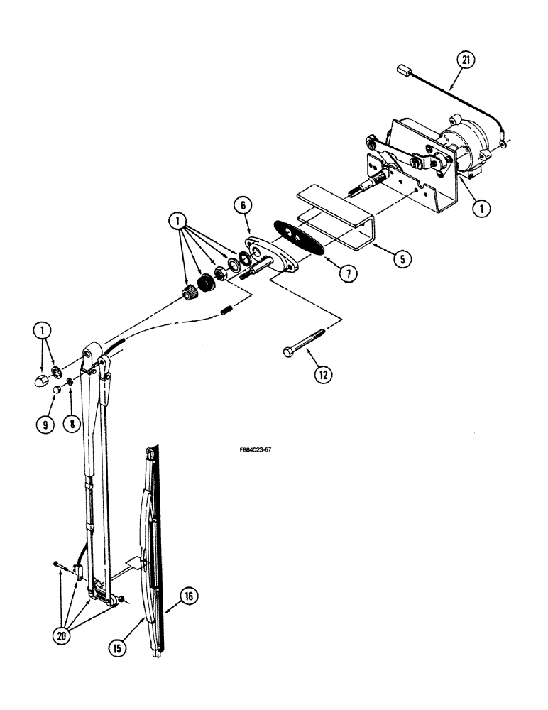
20
12
9
21
16
1
5
8
15
6
1
1
7
FIT
1:1
100%

Артикул

Название

Примечание

Количество

1

REF

INSTRUCTION

DRIVE ASSEMBLY - wiper, front window (See Figure 4-66)

1шт.

5

2-2822T1

SPACER

- wiper mounting

1шт.

60-1436T91

PIVOT ASSY.

PIVOT KIT - wiper blade, Includes: Ref. 6 - 9

1шт.

6

NSS

NOT SOLD SEPARAT

PIVOT - body and shaft, wiper blade

1шт.

7

NSS

NOT SOLD SEPARAT

GASKET - pivot

1шт.

8

2-4191T1

WASHER

- flat

1шт.

9

2-4192T1

NUT

- hex, cap

1шт.

12

185080

CLAMP,Hex, 1/4" - 28 x 2.27", Gr 5

- hex, 1/4 NF x 2-1/4 inch

2шт.

60-1145T91

WIPER BLADE

BLADE ASSEMBLY - wiper, Includes: Ref. 15 and 16

1шт.

15

NSS

NOT SOLD SEPARAT

FRAME - wiper blade

1шт.

16

2-4194T1

WIPER BLADE

BLADE - wiper, rubber, 18 inch

1шт.

20

60-1144T1

WIPER ARM

ARM - wiper, 17 inch

1шт.

21

20-1452T1

ELECTRICAL WIRE

WIRE - ground lead

1шт.

Выбрано товаров: 13