Запчасти Case IH 9150 (4-58) - REAR WINDOW WIPER, PRIOR TO P.I.N. 1790705 (04) - ELECTRICAL SYSTEMS

Схема запчастей Case IH 9150 - (4-58) - REAR WINDOW WIPER, PRIOR TO P.I.N. 1790705 (04) - ELECTRICAL SYSTEMS
1
1
12
9
5
1
2
5
13
11
6
10
FIT
1:1
100%

Артикул

Название

Примечание

Количество

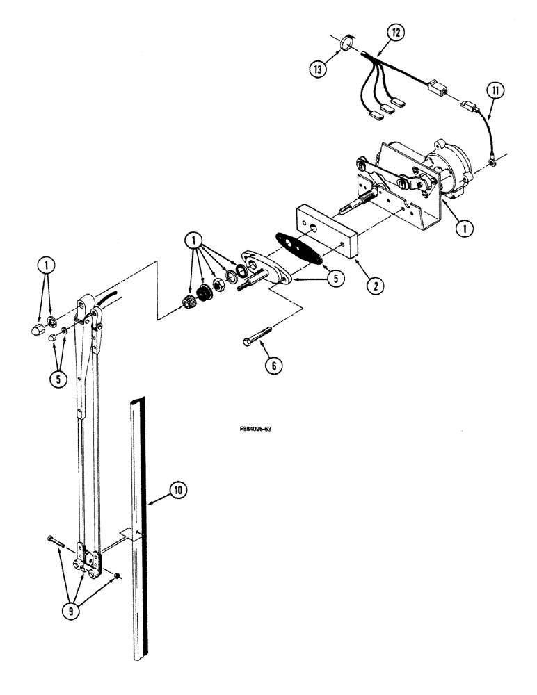
35-1610T91

KIT

WIPER KIT - rear window (Machinery item), Includes: Ref. 1 - 13

1шт.

1

REF

INSTRUCTION

DRIVE ASSEMBLY - wiper, rear window (See Figure 4-70)

1шт.

2

60-4981T1

SPACER

- wiper mounting

1шт.

5

54-311

PIVOT ASSY.

PIVOT KIT - wiper blade

1шт.

6

19-1048

BOLT - hex, 1/4 NF x 1-1/2 inch Hex, 1/4"-28 x 1 1/2", G5

2шт.

9

54-313

ARM

- wiper, 20 inch

1шт.

10

54-312

HALF BLADE

BLADE - wiper, 22 inch

1шт.

11

20-1452T1

ELECTRICAL WIRE

WIRE - ground lead

1шт.

12

20-2028T1

HARNESS

- rear wiper

1шт.

13

22-824

CABLE TIE,3/16" x 7 1/4"

STRAP - nylon

1шт.

Выбрано товаров: 10