Запчасти Case IH 9150 (6-066) - PTO TRANSFER CASE ASSEMBLY, (CONT) (06) - POWER TRAIN

Схема запчастей Case IH 9150 - (6-066) - PTO TRANSFER CASE ASSEMBLY, (CONT) (06) - POWER TRAIN
48
79
70
75
49
50
53
71
74
60
70
80
58
57
72
72
70
59
40
39
71
69
54
44
47
73
37
41
38
FIT
1:1
100%

Артикул

Название

Примечание

Количество

90-7039T91

TRANSFER BOX

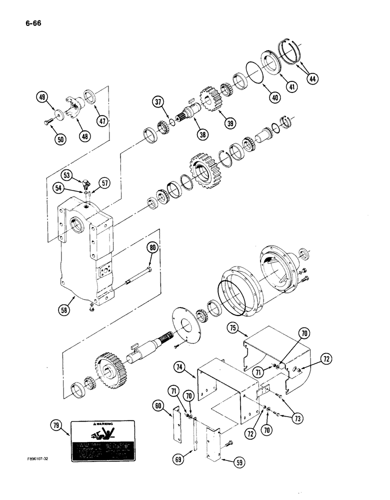
CASE ASSEMBLY - transfer, PTO (Continued), Includes: Ref. 37 - 60 and 1 - 33 on Fig.6-64

1шт.

37

31-1744

O-RING

O-RING - sealing, yoke, 1-3/4 x 1-63/64 inch

1шт.

38

90-1991T1

SHAFT

- input

1шт.

39

90-4404T1

PINION

GEAR - input (32 tooth)

1шт.

40

90-4423T1

O-RING,5.609" ID x 5.887" OD x 0.139"

- end cap, 5-5/8 x 5-7/8 inch

1шт.

41

90-4422T1

CAP

- end, input shaft

1шт.

44

90-5755T1

RING, SNAP

RING - snap, 0.105 inch thick

1шт.

44

90-5754T1

RING, SNAP

RING - snap, 0.110 inch thick

1шт.

44

90-5753T1

RING, SNAP

RING - snap, 0.115 inch thick

1шт.

44

90-5752T1

RING, SNAP

RING - snap, 0.120 inch thick

1шт.

44

90-5751T1

RING, SNAP

RING - snap, 0.125 inch thick

1шт.

47

90-1994T1

SEAL

- input shaft yoke

1шт.

48

90-7007T1

YOKE

- input, PTO

1шт.

49

19-5776

WASHER

- flat

1шт.

50

19-822

BOLT,Hex, 5/8" - 11 x 1 1/2", Gr 8, Full Thd

- hex, 5/8 NC x 1-1/2 inch, Grade 8

1шт.

53

31-324

ELBOW,90 Degree, 3/4"-16, 37 Degree x 3/4"-16, O-Ring

- 90 degree, adjustable, 3/4 inch thread, Includes: Ref. 54

1шт.

54

31-1335

O-RING,8-1, 90 Duro, .644" ID x .087" Thk

- 41/64 x 3/32 inch

1шт.

57

19-6194

DOWEL,1/4" x 1 1/4"

PIN - dowel, 1/4 x 1-1/4 inch

1шт.

58

90-4417T2

HOUSING

- PTO

1шт.

59

90-5870T1

ANGLE BAR

MOUNT - shield, left

1шт.

60

90-5869T1

ANGLE BAR

MOUNT - shield, right

1шт.

69

90-5866T1

RETAINER

- bracket

2шт.

70

25709R1

WASHER

- flat, 13/32 x 13/16 x 3/32 inch, hardened

6шт.

71

19-341

LOCK NUT,3/8" - 16, GB

NUT - hex, lock, 3/8 inch NC

4шт.

72

19-6013

SPACER

- pivot

4шт.

73

413-620

BOLT,Hex, 3/8" - 16 x 1-1/4", Gr 5

- hex, 3/8 NC x 1-1/4 inch

4шт.

74

90-5868T1

SUPPORT

BRACKET - shield mount

1шт.

75

90-3484T1

SHIELD

- PTO

1шт.

79

2-7125T1

DECAL

- PTO safety

1шт.

80

113-732

BOLT,Hex, 3/4" - 10 x 8", Gr 5

- hex, 3/4 NC x 8 inch (Without three point hitch)

6шт.

80

113-791

BOLT,Hex, 3/4" - 10 x 8-1/2", Gr 5

- hex, 3/4 NC x 8-1/2 inch (With three point hitch)

6шт.

80

9430302

BOLT,Hex, 3/4" - 10 x 7", Gr 8

- hex, 3/4 NC x 7 inch, Grade 8 (With three point hitch)

2шт.

Выбрано товаров: 32