Запчасти Case IH 9150 (7-06) - BRAKE SYSTEM, K598 AXLE (07) - BRAKES

Схема запчастей Case IH 9150 - (7-06) - BRAKE SYSTEM, K598 AXLE (07) - BRAKES
16
1
28
29
10
11
35
9
4
10
36
18
12
21
30
8
27
20
19
3
2
FIT
1:1
100%

Артикул

Название

Примечание

Количество

1

REF

INSTRUCTION

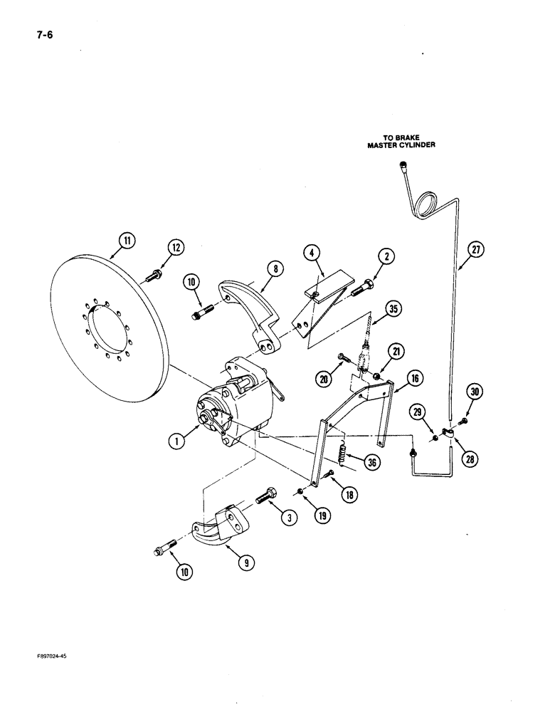
CALIPER ASSEMBLY - brake (See Figure 7-10)

1шт.

2

24876R1

BOLT,Hex, 5/8" - 11 x 2 1/4", Gr 8

2шт.

3

9424760

SCREW,5/8" - 11 x 2", Gr 8

BOLT - hex, 5/8 NC x 2 inch, Grade 8

2шт.

4

90-6347T2

SUPPORT

MOUNT - cable, park brake actuating

1шт.

8

90-6909T1

SUPPORT

MOUNT - caliper, top

1шт.

9

90-6907T1

SUPPORT

MOUNT - caliper, bottom

1шт.

10

40-1186

SCREW,Flg, M14 x 1.5 x 60mm, Gr 12.9

BOLT - flanged, 12 point, 14 mm - 1.5 x 60 mm, Grade 12.9

6шт.

11

90-4574T1

BRAKE DISC

DISC - brake

1шт.

12

19-6089

BOLT,Hex, 1/2" - 20 x 1 1/2", Gr 8

- flanged, 1/2 NF x 1-1/2 inch, Grade 8

12шт.

16

90-4030T1

SUPPORT

BRACKET - actuating, park brake

1шт.

F96229 releases new bracket # 90-8381t1 effective with S/N JEE0038591 built 6/17/96 use old bracket on s/n prior to this.

1шт.

18

19-654

BOLT,Hex, 5/16" - 18 x 1", Gr 8

- hex, 5/16 NC x 1 inch, Grade 8

2шт.

19

231-1445

NUT,5/16"-18, GB

NUT - hex lock, 5/16 inch NC

2шт.

20

19-799

BOLT,Hex, 3/8" - 16 x 1 1/4", Gr 8

- hex, 3/8 NC x 1-1/4 inch, Grade 8

1шт.

21

19-341

LOCK NUT,3/8" - 16, GB

NUT - hex, lock, 3/8 inch NC

1шт.

27

90-7103T1

TUBE,.25" OD

ASSEMBLY - brake line

1шт.

28

31-1862

CLAMP

- tube

1шт.

29

129-103

NUT,Hex, 3/8" - 16, Gr 5

NUT, 3/8"-16, G5

1шт.

30

113-206

BOLT,Hex, 3/8" - 16 x 3/4", Gr 5, Full Thd

1шт.

35

REF

INSTRUCTION

CABLE - park brake (See Figure 7-4)

1шт.

36

REF

INSTRUCTION

SPRING - return, park brake (See Figure 7-10)

2шт.

Выбрано товаров: 21