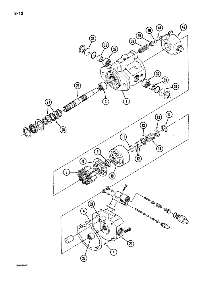
Запчасти Case IH 9150 (8-12) - HYDRAULIC PISTON PUMP ASSEMBLY (08) - HYDRAULICS

Схема запчастей Case IH 9150 - (8-12) - HYDRAULIC PISTON PUMP ASSEMBLY (08) - HYDRAULICS
4
20
32
33
13
29
9
33
28
15
13
11
21
1
10
41
22
14
34
39
27
42
38
3
32
34
7
12
40
8
4
FIT
1:1
100%

Артикул

Название

Примечание

Количество

50-3274T91

PUMP, HYDRAULIC

PUMP ASSEMBLY - piston, Includes: Ref. 1 - 42, 47 - 87 on Fig. 8-14 and housing assembly

1шт.

50-2791T91

HOUSING ASSY.

HOUSING ASSEMBLY - pump, Includes: Ref. 1 - 4

1шт.

1

NSS

NOT SOLD SEPARAT

HOUSING - pump

1шт.

3

F60368

NEEDLE BEARING

BEARING - roller

1шт.

4

138-127

LOCK PIN,1/4" x 1/2", Slotted

PIN, 1/4" x 1/2", Slotted

2шт.

50-2801T1

CYLINDER

ROTATING KIT - piston, Includes: Ref. 7 - 15

1шт.

7

NSS

NOT SOLD SEPARAT

PISTON ASSEMBLY - pump

9шт.

8

NSS

NOT SOLD SEPARAT

PLATE - shoe

1шт.

9

NSS

NOT SOLD SEPARAT

WASHER - spherical

1шт.

10

NSS

NOT SOLD SEPARAT

BLOCK - cylinder, piston

1шт.

11

NSS

NOT SOLD SEPARAT

RETAINER - pin

1шт.

12

NSS

NOT SOLD SEPARAT

PIN - block

3шт.

13

NSS

NOT SOLD SEPARAT

WASHER - spring

2шт.

14

NSS

NOT SOLD SEPARAT

SPRING - block

1шт.

15

NSS

NOT SOLD SEPARAT

RING - retaining

1шт.

50-2804T91

PLATE

ASSEMBLY - back, Includes: Ref. 20 - 22

1шт.

20

NSS

NOT SOLD SEPARAT

PLATE - back

1шт.

21

NSS

NOT SOLD SEPARAT

GUIDE - pin

1шт.

22

G10642

NEEDLE BEARING,Needle, 22.23mm ID x 28.57mm OD x 19.05mm W

BEARING - roller

1шт.

27

50-2788T1

RING RACE

WASHER - bearing, thrust

2шт.

28

T36441

THRUST BEARING,1.127" ID x 1.74" OD x 0.0781"

BEARING - thrust

1шт.

29

50-3275T1

SHAFT

- drive, pump

1шт.

32

A14858

NEEDLE BEARING,Needle, 28.56mm ID x 34.94mm OD x 19.05mm W

BEARING - roller

2шт.

33

50-2794T1

RING RACE

RACE - inner, bearing

2шт.

34

50-2796T1

COVER

- trunnion

2шт.

38

50-2798T1

SPRING

- cam plate

1шт.

39

50-2799T1

COLLAR

- spring

1шт.

40

50-1793T1

BUTTON

- pivot

1шт.

41

50-1794T1

PIN

- roll

1шт.

42

50-2800T1

PLATE

- cam

1шт.

Выбрано товаров: 30