Запчасти Case IH 9150 (9-12) - FRONT FRAME (09) - CHASSIS/ATTACHMENTS

Схема запчастей Case IH 9150 - (9-12) - FRONT FRAME (09) - CHASSIS/ATTACHMENTS
14
25
14
24
6
8
9
26
30
15
36
18
1
5
16
10
31
27
19
9
2
17
28
29
35
20
7
FIT
1:1
100%

Артикул

Название

Примечание

Количество

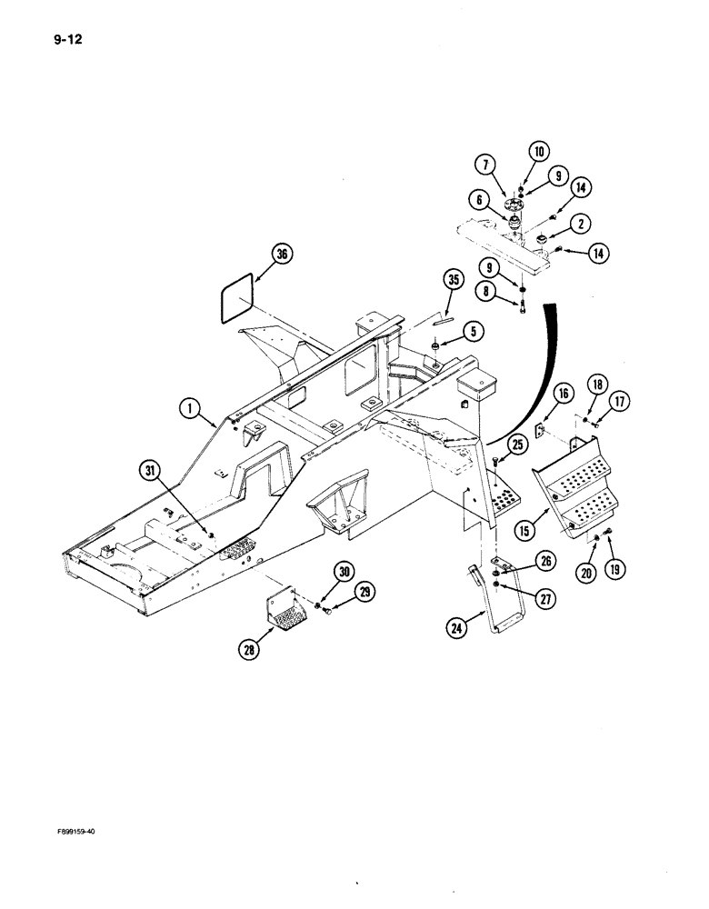
1

70-5385T1

FRAME

- front, Includes: Ref. 2

1шт.

2

70-5517T1

BUSHING,38.09mm ID x 54.74mm OD x 33.33mm L

BEARING - steering cylinder pivot

2шт.

5

70-4621T1

BUSHING

- hinge upper

2шт.

6

70-5468T1

SPHERICAL BEARING,1.751" ID x 3.5625" OD x 4"

BEARING - hinge lower

1шт.

7

70-4596T1

LARGE PLATE

CAP - bearing retainer

1шт.

8

277232R1

BOLT,Hex, 3/8" - 18 x 2 3/4", Gr 8

- hex, 3/8 NC x 2-3/4 inch, Grade 8

6шт.

9

25896R1

WASHER,13/32" x 13/16" x .09", HDN

- flat, 13/32 x 13/16 x 5/64 inch

12шт.

10

19-6208

LOCK NUT,3/8"-16, GC

NUT - hex lock, 3/8 inch NC

6шт.

14

219-36

LUBE NIPPLE,45 Degree Elbow, 1/8" - 27 NPTF

FITTING - grease, 45 degree short, 1/8 inch PT

3шт.

15

70-5520T2

STEP

- cab access (Replaces 70-5522T1)

1шт.

16

70-3158T1

HINGE

- step swing out

2шт.

17

19-1108

BOLT,Hex, 1/2" - 13 x 1", Gr 8

- hex, 1/2 NC x 1 inch, Grade 8

4шт.

18

19-5603

WASHER,17/32" x 1 1/16" x .095", HDN

- flat, hardened

4шт.

19

413-824

BOLT,Hex, 1/2" - 13 x 1-1/2", Gr 5

2шт.

20

19-463

WASHER,1/2", SAE

- flat, 1/2 x 1-1/4 x 3/32 inch

2шт.

24

70-4819T2

STEP

- rear

1шт.

25

19-43

BOLT,1/2" - 13 x 1", Gr 5

- hex, 1/2 NC x 1 inch

4шт.

26

495-21056

WASHER,1/2"

- flat, 9/16 x 1-3/8 x 3/32 inch

4шт.

27

19-82

LOCK NUT

- hex lock, 1/2 inch NC

4шт.

28

70-2142T3

STEP

- front

1шт.

29

113-607

BOLT,Hex, 5/8" - 11 x 1-1/2", Gr 5, Full Thd

2шт.

30

195-108

WASHER,5/8"

- flat, 11/16 x 1-3/4 x 5/32 inch

2шт.

31

19-222

LOCK NUT,5/8" - 11, GB

NUT - hex lock, 5/8 inch NC

2шт.

35

31-2787

GROMMET

- edge protector

1шт.

36

50-2535T1

GROMMET

- edge protector

1шт.

70-2140T2

STEP

1шт.

70-4382T1

HANDLE

grab

1шт.

Выбрано товаров: 27