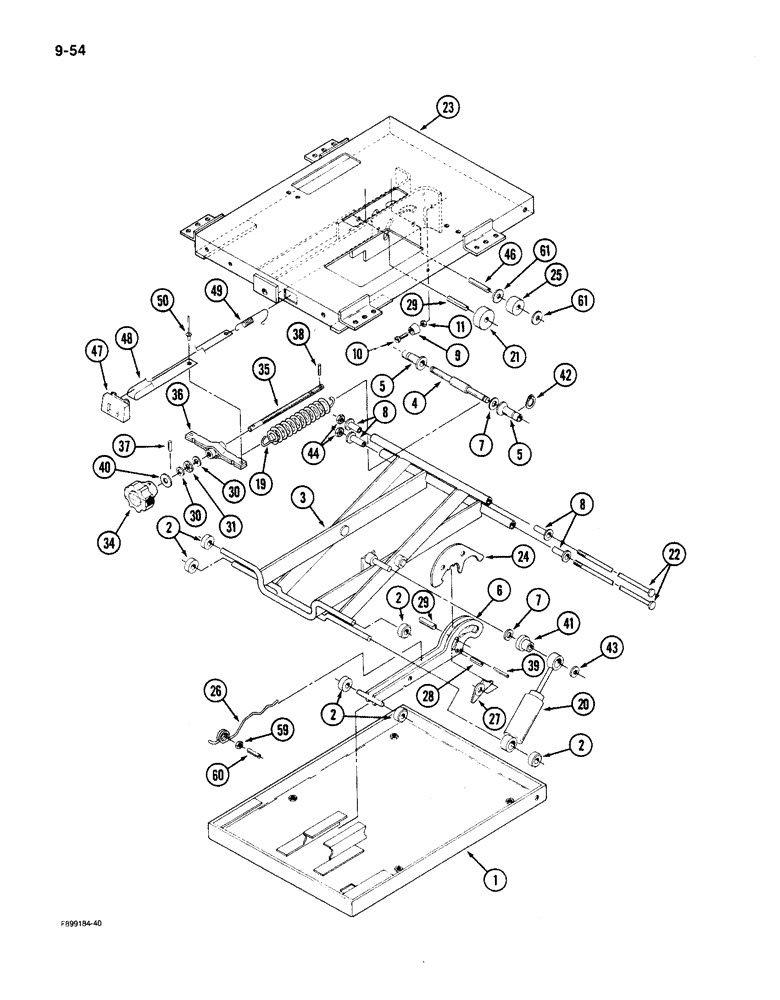
Запчасти Case IH 9150 (9-54) - VINYL SEAT, MECHANICAL SUSPENSION (09) - CHASSIS/ATTACHMENTS

Схема запчастей Case IH 9150 - (9-54) - VINYL SEAT, MECHANICAL SUSPENSION (09) - CHASSIS/ATTACHMENTS
24
1
21
47
27
2
9
26
44
46
2
4
23
30
31
7
5
59
8
10
29
39
60
30
36
35
8
42
50
20
7
40
41
11
2
49
5
28
19
22
61
43
38
2
37
29
3
25
34
6
FIT
1:1
100%

Артикул

Название

Примечание

Количество

1340224C1

SEAT ASSY.

SEAT ASSEMBLY - mechanical, with vinyl upholstery (Continued), Includes: Ref. 1 - 61 and suspension kit

1шт.

1981819C1

PACKAGE, REPAIR

SUSPENSION KIT - mechanical seat Suspension Kit also includes bellows and clips.1 - 61

1шт.

Suspension Kit also includes bellows and clips.

1шт.

1

1981787C1

CASE

BASE - lower

1шт.

2

1981788C1

SHIFTER ROLLER

ROLLER - suspension

6шт.

3

1981789C1

DIPPER

ARM ASSEMBLY - suspension

1шт.

4

1981790C1

SHAFT

- spring

1шт.

5

1981791C1

BUSHING

- spring

2шт.

6

1981792C1

ARM

- suspension

1шт.

7

A45519

WASHER

- flat, 33/64 x 1-1/8 x 1/16 inch (Order one each of spacers A45110 and A45116)

5шт.

8

A47760

BUSHING

TUBE - bearing

4шт.

9

1981793C1

BUMPER

- spring shaft

2шт.

10

440-11010

SCREW,Phillips Drive, Pan HD, #10 - 24 x 5/8"

- pan, No. 10 NC x 5/8 inch

2шт.

11

131-1142

LOCK NUT,Hex, #10 - 24, Gr A

NUT, LOCK, #10-24, GA

2шт.

19

1981794C1

SPRING

- suspension

2шт.

20

1981795C1

SHOCK ABSORBER

- seat

1шт.

21

1981796C1

BEARING, NEEDLE

FOLLOWER - cam

1шт.

22

A49529

SHAFT

- bearing tube

2шт.

23

1981821C1

HOUSING

- upper

1шт.

24

1981798C1

CAM

- suspension

1шт.

25

1981799C1

BEARING, NEEDLE

FOLLOWER - cam

1шт.

26

1981800C1

SPRING, LEAF

SPRING - height adjust

1шт.

27

1981801C1

LATCH

- suspension cam

1шт.

28

138-110

LOCK PIN,7/32" x 3/4", Slotted

PIN, LOCK, 7/32" x 3/4", Slotted

1шт.

29

138-172

LOCK PIN,3/8" x 1 1/4", Slotted

PIN, 3/8" x 1 1/4", Slotted

2шт.

30

1981802C1

WASHER, THRUST

WASHER - thrust bearing

2шт.

31

1981803C1

BEARING, THRUST

BEARING - thrust

1шт.

34

A47763

KNOB

ASSEMBLY - Includes decals

1шт.

35

1981805C1

SHAFT

- weight adjustment

1шт.

36

1981806C1

BRACKET

BAR - weight adjustment

1шт.

37

138-77

LOCK PIN,5/32" x 1", Slotted

PIN, 5/32" x 1", Slotted

1шт.

38

138-71

LOCK PIN,5/32" x 5/8", Slotted

PIN, 5/32" x 5/8", Slotted

1шт.

39

138-2057

PIN,5/32" x 5/8", Coiled

1шт.

40

1974732C1

WASHER

- flat

1шт.

41

A45501

BUSHING,0.504" ID x 0.87" OD x 1.417"

BEARING - shock absorber

2шт.

42

A49623

RING, SNAP

RING - retaining

2шт.

43

131-425

PUSH-ON NUT,Push, 1/2"

NUT, LOCK, Push, 1/2"

2шт.

44

230-4216

LOCK NUT,3/8"-16, GA

NUT - hex lock, 3/8 inch NC

2шт.

46

138-155

LOCK PIN,5/16" x 1 1/4", Slotted

PIN, 5/16" x 1 1/4", Slotted

1шт.

47

1981807C1

GUIDE

- weight adjustment

1шт.

48

1981808C1

TAPE

- weight adjustment

1шт.

49

1981809C1

SPRING

- weight adjustment

1шт.

50

151-537

RIVET,Pop, 1/8" x .650"

- pop, 1/8 x 5/8

1шт.

59

131-351

LOCK NUT,5/16"-18, GA

NUT - hex lock, 5/16 inch NC

1шт.

60

138-324

LOCK PIN,3/16" x 7/8", Slotted

PIN, 3/16" x 7/8", Slotted

1шт.

61

495-11034

WASHER,5/16", SAE

flat 5/16", SAE

2шт.

Выбрано товаров: 46