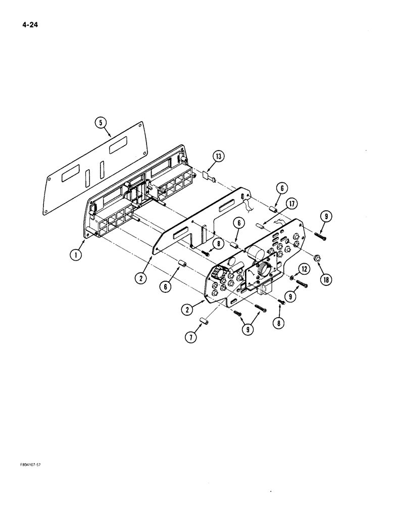
Запчасти Case IH 9150 (4-24) - DASH INSTRUMENT CLUSTER (04) - ELECTRICAL SYSTEMS

Схема запчастей Case IH 9150 - (4-24) - DASH INSTRUMENT CLUSTER (04) - ELECTRICAL SYSTEMS
9
12
8
9
6
2
2
7
8
17
5
9
6
13
6
18
1
FIT
1:1
100%

Артикул

Название

Примечание

Количество

60-6135T92

INSTRUMENT CLUSTER

MODULE ASSEMBLY - electronic

1шт.

1

NSS

NOT SOLD SEPARAT

DASH - plastic

1шт.

2

NSS

NOT SOLD SEPARAT

CIRCUIT BOARD - printed, dash

1шт.

5

60-6344T1

DECAL

- dash

1шт.

6

NSS

NOT SOLD SEPARAT

SPACER - circuit board

3шт.

7

NSS

NOT SOLD SEPARAT

SPACER - circuit board

4шт.

8

NSS

NOT SOLD SEPARAT

SCREW - tapping, flanged, No. 3 x 3/8 inch

6шт.

9

NSS

NOT SOLD SEPARAT

SCREW - tapping, pan, No. 8 x 1-1/8 inch

5шт.

12

NSS

NOT SOLD SEPARAT

WASHER - flat, No. 8

1шт.

13

25-9000262

IGNITION SWITCH

SWITCH - dash

2шт.

17

W10478

LAMP

- Type C-2F, No. 194

16шт.

18

20-1178T1

HOLDER

SOCKET - bulb

16шт.

Выбрано товаров: 12