Запчасти Case IH 9150 (6-008) - TRANSMISSION (06) - POWER TRAIN

Схема запчастей Case IH 9150 - (6-008) - TRANSMISSION (06) - POWER TRAIN
6
11
16
18
23
13
16
9
22
7
3
24
15
17
14
17
49
2
11
6
19
12
20
10
15
6
16
11
11
18
8
15
1
16
18
17
21
15
4
18
11
5
17
19
19
FIT
1:1
100%

Артикул

Название

Примечание

Количество

90-7015T91

TRANSMISSION

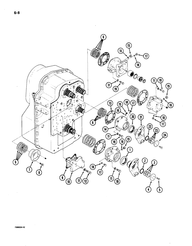
TRANSMISSION ASSEMBLY (Continued), Includes: Ref. 1 - 24 and 25 - 39 on Fig. 6-10

1шт.

313686A1R

REMAN-TRANSMISSION

Remanufactured Transmission 4WD Powershift;

1шт.

313686A1C

CORE-TRANSMISSION

Return Part Number

1шт.

1

33-1428T1

OIL SEAL

SEAL - output shaft

1шт.

Part of Transmission Gasket Kit P/N S1670S00F

1шт.

2

33-1422T1

O-RING

O-RING - yoke sealing

1шт.

Part of Transmission Gasket Kit P/N S1670S00F

1шт.

3

33-1450T1

SHIM

SHIM - yoke, 0.10 mm thick

1шт.

3

33-1451T1

SHIM

SHIM - yoke, 0.30 mm thick

1шт.

4

33-1432T1

WASHER

WASHER - yoke retainer

1шт.

5

SM8134235

BOLT

BOLT - hex, 12 mm - 1.25 x 35 mm

3шт.

6

33-1456T1

SHIM

SHIM - bearing, 0.10 mm thick

1шт.

6

33-1457T1

SHIM

SHIM - bearing, 0.30 mm thick

1шт.

6

33-1458T1

SHIM

SHiM - bearing, 0.50 mm thick

1шт.

6

33-1459T1

SHIM

SHIM - bearing, 0.70 mm thick

1шт.

6

33-1474T1

SHIM

SHIM - bearing, 0.15 mm thick

1шт.

7

33-1437T1

RETAINER

RETAINER - bearing

1шт.

8

SM8124050

BOLT

BOLT - hex, 10 mm - 1.25 x 50 mm

4шт.

9

S1610S00F

GASKET

GASKET - oil supply plate

1шт.

Part of Transmission Gasket Kit P/N S1670S00F

1шт.

10

S1600S00F

LARGE PLATE

PLATE, LARGE PLATE - oil supply

1шт.

11

SM8915140

PLATE, LOCKING

WASHER - lock, 10 mm

31шт.

12

SM8124070

BOLT

BOLT - hex, 10 mm - 1.25 x 70 mm

7шт.

13

33-1440T1

GASKET

GASKET - oil supply cover

1шт.

Part of Transmission Gasket Kit P/N S1670S00F

1шт.

14

33-1441T1

HOUSING

COVER - oil supply

1шт.

15

S1390S00F

PLUG

PLUG - oil port, Includes: Ref. 16

8шт.

16

S1320S00F

O-RING

O-RING - plug

8шт.

Part of Transmission Gasket Kit P/N S1670S00F

1шт.

17

S1030S00F

PLUG

PLUG - oil port, Includes: Ref. 18

5шт.

18

S1040S00F

O-RING

O-RING - plug

5шт.

Part of Transmission Gasket Kit P/N S1670S00F

1шт.

19

SM8124060

BOLT

BOLT - hex, 10 mm - 1.25 x 60 mm

24шт.

20

33-1412T1

OIL SEAL

SEAL - input yoke

1шт.

Part of Transmission Gasket Kit P/N S1670S00F

1шт.

21

33-1411T1

YOKE

UNIVERSAL JOINT YOKE YOKE - input

1шт.

22

33-1414T1

O-RING,0.21" Thk x 1.725" ID, -327, Cl 5, 75 Duro

O-RING - yoke sealing

1шт.

Part of Transmission Gasket Kit P/N S1670S00F

1шт.

23

33-1464T1

SHIM

SHIM - bearing, 0.10 mm thick

1шт.

23

33-1465T1

SHIM

SHIM - bearing, 0.30 mm thick

1шт.

23

33-1466T1

SHIM

SHIM - bearing, 0.70 mm thick

1шт.

24

33-1413T1

WASHER

WASHER - yoke retainer

1шт.

Выбрано товаров: 42