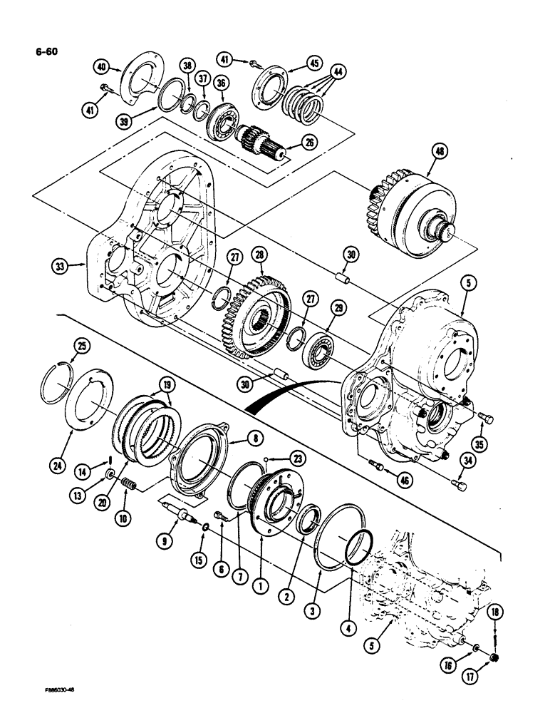
Запчасти Case IH 9170 (6-60) - PTO ASSEMBLY (CONTD) (06) - POWER TRAIN

Схема запчастей Case IH 9170 - (6-60) - PTO ASSEMBLY (CONTD) (06) - POWER TRAIN
25
8
6
24
18
38
7
28
29
39
9
14
17
4
41
2
30
26
5
1
48
23
27
15
27
33
20
35
16
41
37
30
10
13
34
44
40
46
3
45
19
36
5
FIT
1:1
100%

Артикул

Название

Примечание

Количество

90-6280T91

CLUTCH

PTO ASSEMBLY, Includes: Ref. 1 - 48, 1 - 48 on Figure 6-58, 1 - 21 on Figure 6-62 and 1 - 26 on Figure 6-64

1шт.

1

S8740S00F

HUB

- clutch brake

1шт.

2

S8820S00F

OIL SEAL

SEAL - oil

1шт.

Part of PTO Overhaul Kit, S9870S00F.

1шт.

3

S2630S00F

RING

- sealing

1шт.

Part of PTO Overhaul Kit, S9870S00F.

1шт.

4

S8850S00F

GASKET

O-RING - hub seal

1шт.

Part of PTO Overhaul Kit, S9870S00F.

1шт.

5

S8520S00F

HOUSING

- PTO, front

1шт.

6

S8840S00F

SCREW

BOLT - socket head

6шт.

7

S8960S00F

RING

- sealing

1шт.

Part of PTO Overhaul Kit, S9870S00F.

1шт.

8

S8750S00F

PISTON

- brake

1шт.

9

S8890S00F

LARGE PIN

PIN - guide

3шт.

10

S8910S00F

SPRING

- compression

3шт.

13

S9900S00F

WASHER

- spring retaining

3шт.

14

S9890S00F

PIN, ROLL

PIN - roll

3шт.

15

S8900S00F

GASKET

O-RING - seal

3шт.

Part of PTO Overhaul Kit, S9870S00F.

1шт.

16

SM8915440

WASHER

- flat, M10

3шт.

17

SM8911040

NUT

- slotted, M10 x 1.5

3шт.

18

SM9212221

PIN, SPLIT (COTTER)

PIN - cotter

3шт.

19

S2080S00F

CLUTCH DISC,2.4mm Thk

PLATE - steel, flat

2шт.

20

S2050S00F

LARGE PLATE

PLATE - steel, paper

1шт.

23

SM3272036

BALL

- steel

1шт.

24

S8760S00F

LEDGER PLATE

PLATE - reaction

1шт.

25

S8770S00F

RING, SNAP

RING - retaining

1шт.

26

S8790S00F

SHAFT

- output

1шт.

27

S2240S00F

RING, SNAP

RING - retaining

2шт.

28

S8780S00F

PINION

GEAR - driven

1шт.

29

S8800S00F

BEARING, BALL

BEARING - ball

1шт.

30

33-1467T1

DOWEL

PIN - dowel

2шт.

33

S8510S00F

HOUSING

- PTO, back

1шт.

34

SM8124250

BOLT

BOLT - hex, M12 x 1.25 x 50 mm

3шт.

35

SM8124240

BOLT

BOLT - hex, M12 x 1.25 x 40 mm

1шт.

36

S8810S00F

BEARING, BALL

BEARING - ball

1шт.

37

S8970S00F

WASHER

- bearing spacer

1шт.

38

S8980S00F

RING

- retaining

1шт.

39

S9990S00F

SHIM

- bearing retainer

1шт.

40

S8990S00F

SHIN

RETAINER - bearing

1шт.

41

SM8120830

BOLT

BOLT - hex, M8 x 1.25 x 30 mm

10шт.

44

S9910S00F

SHIM,0.1mm Thk

Clutch pack 0.1mm Thk

1шт.

44

S9920S00F

SHIM,0.3mm Thk

Clutch pack 0.3mm Thk

1шт.

44

S9930S00F

SHIM,0.5mm Thk

Clutch pack 0.5mm Thk

1шт.

44

S9940S00F

SHIM,0.7mm Thk

Clutch pack 0.7mm Thk

1шт.

45

S8570S00F

SHIN

RETAINER - bearing

1шт.

46

SM8124230

BOLT

BOLT - hex, M12 x 1.25 x 30 mm

1шт.

48

REF

INSTRUCTION

CLUTCH ASSEMBLY - PTO, See Figure 6-62

1шт.

S9870S00F

KIT

- PTO overhaul, Includes: Ref. 2, 3, 4, 7 and 15

1шт.

Выбрано товаров: 49