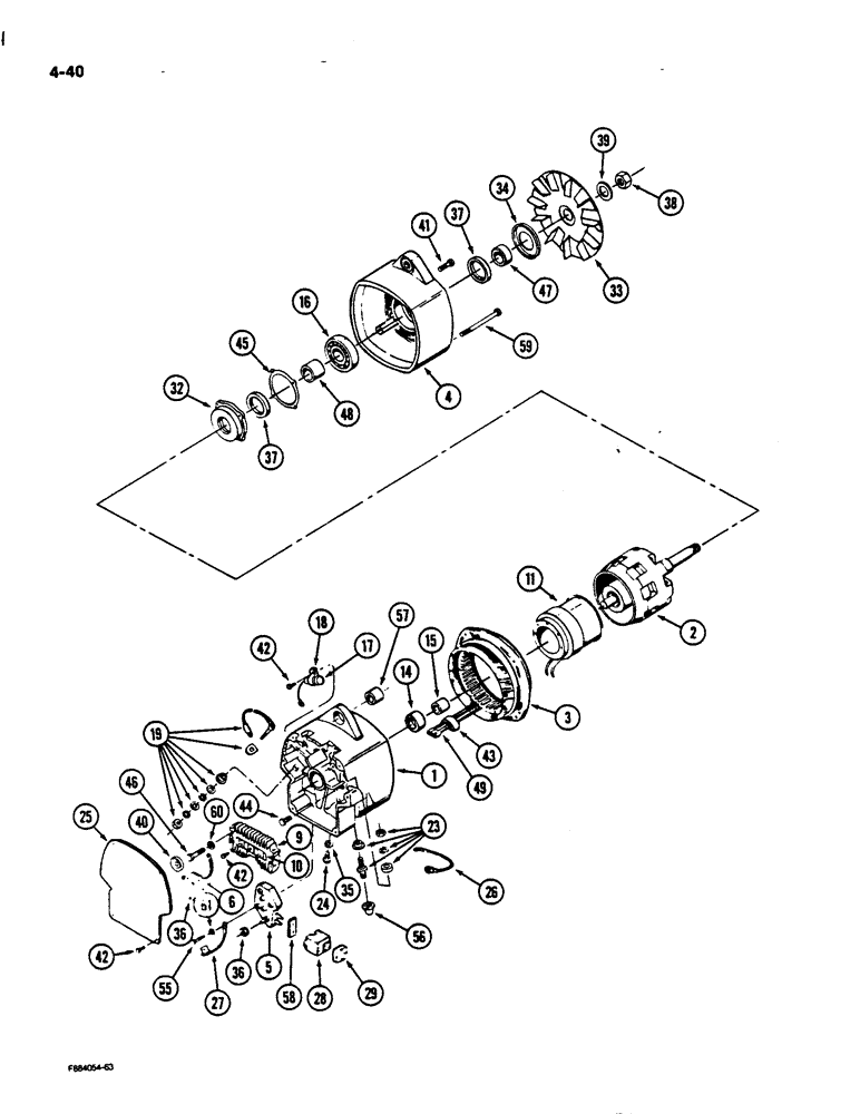
Запчасти Case IH 9170 (4-40) - ALTERNATOR ASSEMBLY (04) - ELECTRICAL SYSTEMS

Схема запчастей Case IH 9170 - (4-40) - ALTERNATOR ASSEMBLY (04) - ELECTRICAL SYSTEMS
11
15
4
29
42
14
51
33
49
55
27
41
10
28
59
19
58
5
36
37
3
47
46
16
43
48
42
26
35
40
9
17
39
42
18
23
24
34
1
57
6
38
45
60
44
25
2
32
36
37
56
FIT
1:1
100%

Артикул

Название

Примечание

Количество

22-702

ALTERNATOR

ALTERNATOR ASSEMBLY - engine, Includes: Ref. 1 - 61

1шт.

104258A1R

REMAN-ALTERNATOR

Remanufactured 12 Volt, 90 Amp Alternator

1шт.

104258A1C

CORE-ALTERNATOR

Return Number, 12 Volt, 90 Amp Alternator

1шт.

1

22-1051

HOUSING

HOUSING - alternator

1шт.

2

22-1053

ROTOR

ROTOR ASSEMBLY - alternator

1шт.

3

22-1054

STATOR

SPARE PART STATOR ASSEMBLY - alternator

1шт.

4

22-1061

FRAME

SPARE PART FRAME - front cover

1шт.

5

22-1064

REGULATOR

REGULATOR - voltage

1шт.

6

22-1065

DIODE

DIODE ASSEMBLY - alternator

1шт.

9

22-1093

RECTIFIER

BRIDGE ASSEMBLY - rectifier

1шт.

10

22-1019

INSULATOR

INSULATOR - rectifier bridge

1шт.

11

22-1094

COIL ASSY.

COIL ASSEMBLY - field

1шт.

14

22-1095

BEARING ASSY,0.875" ID x 1.1875" OD x 0.812"

BEARING - outer

1шт.

15

22-1096

RACE

BEARING - inner

1шт.

16

22-1097

BALL

BEARING - roller

1шт.

17

22-1098

CAPACITOR

CAPACITOR - alternator

1шт.

18

22-1011

BRACKET

CLAMP - capacitor

1шт.

19

22-1099

PACKAGE

TERMINAL KIT

1шт.

23

22-1100

PACKAGE

TERMINAL KIT

1шт.

24

22-1101

SCREW

SCREW - flanged head, 1/4 NC x 1/2 inch

1шт.

25

22-1102

PLATE

SPARE PART PLATE - cover

1шт.

26

22-1103

ASSEMBLY

WIRE - lead

1шт.

27

22-1104

ASSEMBLY

WIRE - lead

1шт.

28

22-1106

ROD, CONNECTING

CONNECTOR - body

1шт.

29

22-1105

CAP

CAP - connector body

1шт.

32

22-1107

RETAINER

RETAINER - bearing

1шт.

33

22-1108

FAN

FAN - alternator

1шт.

34

22-1023

SLINGER

SLINGER - bearing

1шт.

35

19-115

LOCK WASHER,1/4"

1/4"

1шт.

36

22-1022

NUT

NUT - hex, keps, No. 8 NC

2шт.

37

22-1021

OIL SEAL

SEAL - bearing

2шт.

38

22-1024

NUT

NUT - hex lock, 5/8 inch NF

1шт.

39

22-1144

WASHER

WASHER - flat, 5/8 x 1-1/4 x 3/32 inch

1шт.

40

22-1020

PLUG

PLUG - bearing hole

1шт.

41

22-1034

SCREW

SCREW - flanged head, No. 10 NC x 1-5/16 inch

4шт.

42

22-1038

SELF-TAP SCREW

SCREW - flanged head, No. 8 NC x 7/16 inch

7шт.

43

22-1018

GROMMET

GROMMET - wire

1шт.

44

22-1039

SCREW

SCREW - flanged head, No. 10 NC x 13/16

1шт.

45

22-1017

GASKET

GASKET - retainer

1шт.

46

22-1049

SCREW

SCREW - hex, keps, No. 8 NC x 1-1/4 inch

2шт.

47

22-1016

COLLAR

SPARE PART COLLAR - outside

1шт.

48

22-1015

COLLAR

SPARE PART COLLAR - inside

1шт.

49

22-1014

CLIP

CLIP - wire

1шт.

55

22-1050

SCREW

SCREW - keps

1шт.

56

22-1013

CAP

CAP - terminal

1шт.

57

22-1012

BUSHING

BUSHING - housing

1шт.

58

22-1010

BOOT

BOOT - regulator

1шт.

59

22-1009

BOLT

BOLT - flanged head, No. 10 NC x 3-5/8 inch

4шт.

60

22-1110

WASHER

WASHER - flat, No. 8

2шт.

61

22-1008

WASHER

WASHER - flat, insulating

1шт.

Выбрано товаров: 0