Запчасти Case IH 9170 (4-48) - FRONT WINDOW WIPER (04) - ELECTRICAL SYSTEMS

Схема запчастей Case IH 9170 - (4-48) - FRONT WINDOW WIPER (04) - ELECTRICAL SYSTEMS
9
5
8
1
1
15
12
7
1
21
20
6
16
FIT
1:1
100%

Артикул

Название

Примечание

Количество

1

REF

INSTRUCTION

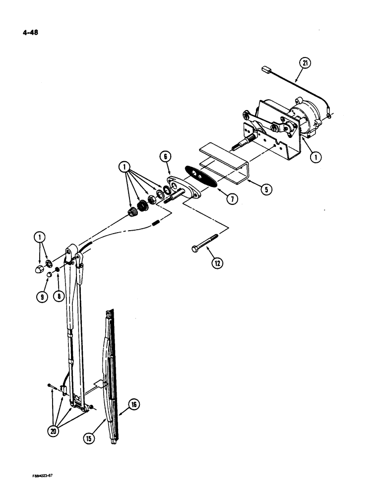
DRIVE ASSEMBLY - wiper, front window, See Figure 4-54

1шт.

5

2-2822T1

SPACER

- wiper mounting

1шт.

60-1436T91

PIVOT ASSY.

PIVOT KIT - wiper blade, Includes: Ref. 6 - 9

1шт.

6

NSS

NOT SOLD SEPARAT

PIVOT - body and shaft, wiper blade

1шт.

7

2-4190T1

GASKET

- pivot

1шт.

8

2-4191T1

WASHER

- flat

1шт.

9

2-4192T1

NUT

- hex, cap

1шт.

12

114-10

BOLT,Hex, 1/4" - 28 x 2-1/4", Gr 5

B0LT - hex, 1/4 NF x 2-1/4 inch

2шт.

60-1145T91

WIPER BLADE

BLADE ASSEMBLY - wiper, Includes: Ref. 15 & 16

1шт.

15

NSS

NOT SOLD SEPARAT

FRAME - wiper blade

1шт.

16

2-4194T1

WIPER BLADE

BLADE - wiper, rubber, 18 inch

1шт.

20

60-1144T1

WIPER ARM

ARM - wiper, 17 inch

1шт.

21

20-1452T1

ELECTRICAL WIRE

WIRE - ground lead

1шт.

Выбрано товаров: 0