Качественные детали и логистика
Оригинальные и аналоговые запчасти с доставкой по России, Казахстану и Беларуси
©2022 PartSell ООО "Система" ИНН 2463123282 ОГРН 1212400004838
Центральный офис: г. Красноярск, Академика Киренского, д.87, пом.4
Телефон: 8 (800) 777-65-74 Email: zakaz@partsell.ru
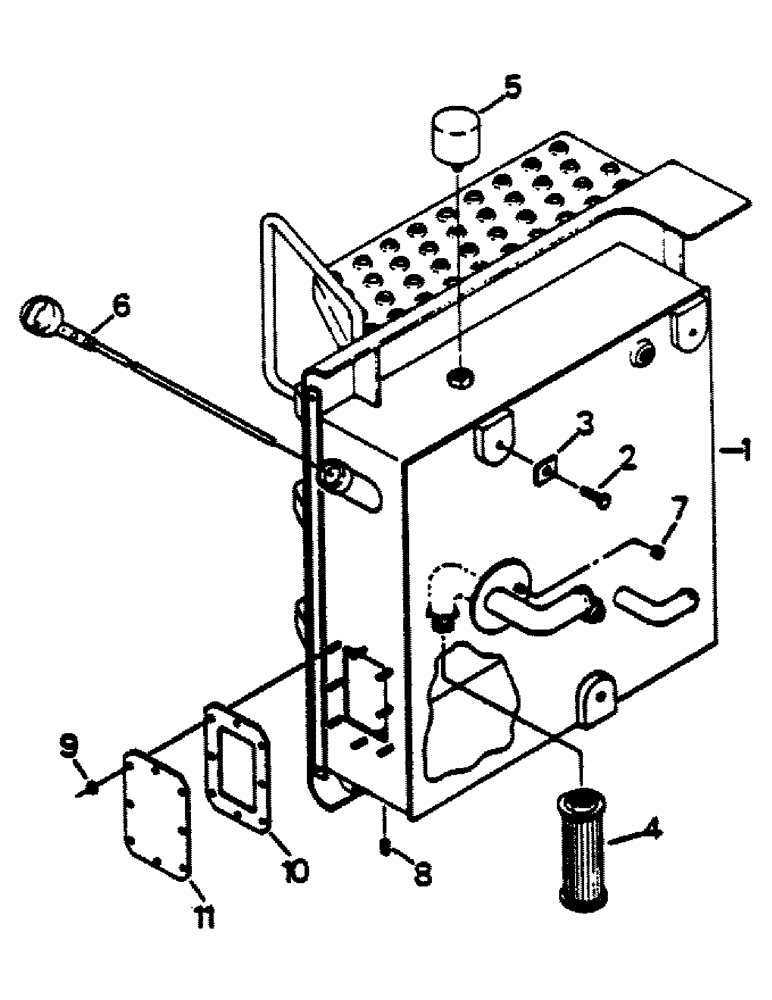
(08-10) - HYDRAULIC RESERVOIR AND MOUNTING
№
Артикул
Название
Примечание
Количество
1
50-1897T2
HYDRAULIC RESERVOIR
1шт.
2
19-45
BOLT,1/2" - 13 x 1 1/2", Gr 5
CAPSCREW, 1/2 UNC x 1-1/2 G-5
3шт.
3
70-4268T1
RECTANGULAR WASHER
4
50-1509T1
FILTER
SUCTION SCREEN
50-2029T1
FILTER SCREEN
SUCTION SCREEN (Interchangeable with P/N 50-1509T1)
5
18-503
PRESS, filter valve
18-1633
BREATHER
ELEMENT
6
47-3580
DIPSTICK
7
9403371
CAP,37 Degree, 9/16"-18
NUT, 9/16-18 JIC 37 degree
8
31-35
PLUG
PIPE PLUG, 1/2 NPT
9
232-4136
LOCK NUT,3/8"-16, GC
3/8 UNC G-B
8шт.
10
2-1914
GASKET
11
1-4058
PLATE
COVER PLATE
Выбрано товаров: 0