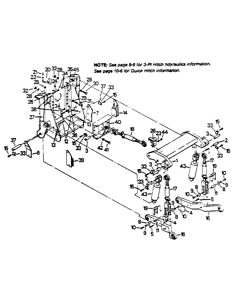
Запчасти Case IH 9170 (10-01) - THREE POINT HITCH AND MOUNTING Options & Miscellaneous

Схема запчастей Case IH 9170 - (10-01) - THREE POINT HITCH AND MOUNTING Options & Miscellaneous
5
19
12
33
36
9
31
15
5
4
41
22
34
8
28
16
6
8
17
8
9
4
3
33
11
10
35
19
44
35
18
2
45
14
7
33
29
32
15
10
24
27
10
26
13
1
9
3
13
43
8
37
33
21
38
15
15
40
32
15
33
15
34
39
33
10
15
28
16
9
28
11
2
23
25
33
1
43
37
20
30
42
3
FIT
1:1
100%

Артикул

Название

Примечание

Количество

1

ROCKERSHAFT (See Fig. 10-4)

1шт.

2

2-3645T1

PIN

2шт.

3

2-3646T1

PIN

3шт.

4

2-2516T2

LARGE PLATE

PLATE

2шт.

5

19-792

BOLT,Hex, 1/2" - 13 x 2 1/2", Gr 8

CAPSCREW, 1/2 UNC x 2-1/2 G-8

4шт.

6

2-3653T1

PLATE

SWAY BLOCK (Left)

1шт.

7

2-3654T1

PLATE

SWAY BLOCK (Right)

1шт.

8

19-701

WASHER,1 1/4"

1-1/4

4шт.

9

19-111

WASHER,5/8"

5/8

4шт.

10

19-674

BOLT,Hex, 5/8" - 11 x 3/4", Gr 5

CAPSCREW, 5/8 UNC x 3/4 G-5

4шт.

11

70-2059T1

PIN

2шт.

12

19-543

BOLT,Hex, 1/2" - 13 x 1 1/2", Gr 8

CAPSCREW, 1/2 UNC x 1-1/2 G-8

4шт.

13

19-1058

WASHER

HARDENED WASHER, 1/2

8шт.

14

2-3659T1

SUPPORT

NON-SWAY BLOCK (Right)

1шт.

15

19-1108

BOLT,Hex, 1/2" - 13 x 1", Gr 8

CAPSCREW, 1/2 UNC x 1 G-8

14шт.

16

70-1923T2

ROCKER ARM

LOWER LINK (Cat IV N)

1шт.

17

LIFT LINK (See Fig. 10-5)

2шт.

18

UPPER LINK (See Fig. 10-5)

1шт.

19

CLEVIS LOCKING BLOCK (See Fig. 10-4)

2шт.

20

2-4110T1

GUARD

1шт.

21

19-76

NUT,1/4"-20, G5

1/4 UNC G-B

2шт.

22

19-223

WASHER,1/4"

1/4

2шт.

23

19-224

WASHER,3/8", SAE

3/8

2шт.

24

19-6071

GROOVED PIN,1/8" x 1 1/4", Type D

1/4 x 1-1/4

1шт.

25

31-1740

GROMMET

1шт.

26

POSITION CONTROL (See Fig. 10-4)

1шт.

27

70-1591T4

LARGE PLATE

MOUNTING PLATE

1шт.

28

19-5685

WASHER

1 x 2-1/2 x 3/8 thk

22шт.

29

19-5739

WASHER

1 x 2 x 5/32 thk

6шт.

30

223489

BOLT,Hex, 1" - 8 x 3 1/2", Gr 8

CAPSCREW, 1 UNC x 3-1/2 G-8

6шт.

31

223495

BOLT,1" - 8 x 5", Gr 8

CAPSCREW, 1 UNC x 5 G-8

8шт.

32

429-1016

NUT,1"-8, G8

1 UNC G-C

14шт.

33

70-3082T2

LARGE PLATE

RETAINER BLOCK

7шт.

34

19-5877

BOLT,Hex, 3/8" - 16 x 1", Gr 5

FLANGED CAPSCREW, 3/8 UNC x 1 G-8

4шт.

35

70-2433T1

PIN

2шт.

36

70-2384T1

PIN

2шт.

37

70-1574T1

PIN

2шт.

38

2-4836T1

SPACER

4шт.

39

2-3655T1

PLATE

NON-SWAY BLOCK (Left)

1шт.

40

70-2132T1

MOUNTING PARTS

UPPER LINK MOUNT

1шт.

41

223470

BOLT,Hex, 7/8" - 9 x 2 1/2", Gr 8

CAPSCREW, 7/8 UNC x 2-1/2 G-8

6шт.

42

19-853

WASHER,15/16" x 1 3/4" x .134", HDN

HARDENED WASHER, 7/8 x 1-3/4 x 5/32 thk

6шт.

43

HYDRAULIC CYLINDER (See Fig. 10-3)

2шт.

44

454899

BOLT,Hex, 3/8" - 16 x 7/8", Gr 8, Full Thd

CAPSCREW, 3/8 UNC x 7/8 G-8

2шт.

45

19-6186

SHIM

1шт.

Выбрано товаров: 45