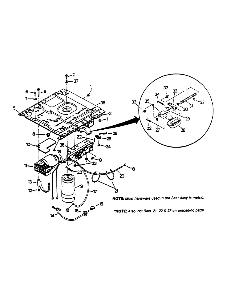
Запчасти Case IH 9170 (01-23) - SEAT ASSEMBLY, COMPRESSOR AND MOUNTING (10) - CAB

Схема запчастей Case IH 9170 - (01-23) - SEAT ASSEMBLY, COMPRESSOR AND MOUNTING (10) - CAB
22
14
18
22
7
27
6
18
10
35
18
9
38
37
27
13
17
12
18
22
30
26
24
20
15
15
5
36
23
32
28
19
1
8
33
33
11
3
2
1
25
34
4
29
31
21
FIT
1:1
100%

Артикул

Название

Примечание

Количество

1

60-1613T1

FASTENER

CLIP

12шт.

2

40-1231

BOLT,Hex, M8 x 1.25 x 16mm, Gr 8.8

CAPSCREW

1шт.

3

60-4913T1

PLATE

STRIP

1шт.

4

60-1632T1

PLATE

STRIP

1шт.

5

1-2503

RIVET,Pop, .146" x .425"

POP RIVET

1шт.

7

19-699

WASHER,3/16"

1шт.

8

60-4881T1

CLIP,ELECTRICAL

CABLE CLIP

2шт.

9

40-1234

CAPSCREW,Hex, M6 x 75mm, Gr 8.8

1шт.

10

60-4880T1

SEAL, RUBBER

FOAM

1шт.

11

60-4896T91

COMPRESSOR

ASSY (Includes refs. 1, 6, 7, 9, 10, 12, 13, 18, 21 & 28)

1шт.

12

40-1235

LOCK NUT

NUT

1шт.

13

60-4897T1

BRACKET

MOUNTING BRACKET

1шт.

14

60-4909T91

HARNESS

COMPRESSOR WIRE HARNESS ASSY (Includes refs. 1, 6, 7, 15, 16, 21 & 28)

1шт.

15

NSS

NOT SOLD SEPARAT

GROMMET

1шт.

16

NSS

NOT SOLD SEPARAT

CONNECTOR

1шт.

17

60-4898T1

HOSE,450.00 mm

1шт.

18

60-4895T1

CLAMP

5шт.

19

60-4900T91

SPRING

AIR SPRING ASSY (Includes refs. 1, 2, 6, 7, 18, 28 & 37)

1шт.

Also includes Refs. 21, 22 & 27 on preceding Fig.

1шт.

20

60-4899T1

HOSE

1шт.

21

22-824

CABLE TIE,3/16" x 7 1/4"

STRAP, CABLE, 3/16" x 7 1/4"

2шт.

22

60-4883T1

SPRING

2шт.

23

60-4882T1

RING, SNAP

RETAINER

2шт.

24

NSS

NOT SOLD SEPARAT

BUSHING

1шт.

25

60-4886T91

STOP

ASSY (Includes refs. 1, 6, 22, 24, 26, 27, 28 & 33)

1шт.

26

60-4889T1

SPRING

1шт.

27

40-1157

RING

RETAINING RING

2шт.

28

60-4884T1

HANDLE

1шт.

29

NSS

NOT SOLD SEPARAT

RATCHET

1шт.

30

60-4892T1

WASHER

1шт.

31

NSS

NOT SOLD SEPARAT

PIVOT SHAFT

1шт.

32

NSS

NOT SOLD SEPARAT

ANGLE

1шт.

33

60-4887T1

FLANGED BEARING

BEARING, Flanged

2шт.

34

60-4891T1

SPRING

1шт.

35

60-4890T91

SLIDE

CARRIER ASSY (Includes refs. 1, 22 & 27-34)

1шт.

36

60-4877T91

SEAT

UPPER SEAT MOUNT (Includes ref. 8)

1шт.

37

40-1154

LOCK WASHER

LOCK WASHER

1шт.

38

60-4894T91

SLIDE

BAR MOUNT ASSY (Includes refs. 1, 6, 7, 8, 18, 22, 23 & 28)

1шт.

Выбрано товаров: 38