Запчасти Case IH 9170 (01-41) - CLUTCH CONTROL (10) - CAB

Схема запчастей Case IH 9170 - (01-41) - CLUTCH CONTROL (10) - CAB
30
8
4
29
40
39
27
35
41
11
28
17
9
19
6
26
25
20
18
10
22
32
24
21
3
38
34
1
16
31
13
23
14
7
2
15
4
37
19
20
36
7
33
12
5
FIT
1:1
100%

Артикул

Название

Примечание

Количество

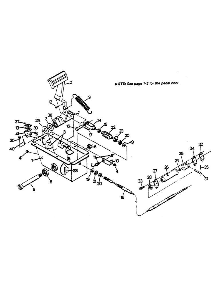
1

2-4997T2

CLUTCH PEDAL HOUSING

1шт.

2

2-4998T91

PEDAL

ASSY (Includes ref. 36)

1шт.

3

4-1019

STOP

2шт.

4

231-1445

NUT,5/16"-18, GB

5/16 UNC G-A

2шт.

5

19-5957

BOLT,3/4" - 10 x 7", Alloy Steel

SHOULDERED CAPSCREW

1шт.

6

19-5958

NUT

LOCK NUT, 3/4 UNC G-A

1шт.

7

19-5635

WASHER

NYLON WASHER, 1 x 1-3/4 x .09 thk

2шт.

8

2-4999T1

WASHER

1шт.

9

2-5000T1

SPRING

1шт.

10

2-5001T1

MOUNTING PARTS

SWITCH MOUNT

1шт.

11

20-1517T1

SWITCH

1шт.

12

20-1316T1

ACTUATOR

1шт.

13

20-2080T91

SWITCH

MICRO SWITCH

1шт.

14

19-137

CLEVIS

1шт.

15

19-237

NUT,Jam, 1/2" - 20, Gr 5

JAM NUT, 1/2 UNF G-B

1шт.

16

19-142

CLEVIS PIN,1/2" x 1.36"

1/2 x 1-3/8

1шт.

17

19-168

COTTER PIN,1/8" x 1"

1/8 x 1

1шт.

18

60-2424T2

CABLE

CLUTCH CABLE

1шт.

19

19-710

WASHER

9/16

2шт.

20

19-1026

JAM NUT,9/16" - 18, Gr 5

JAM NUT, 9/16 UNC G-C

2шт.

21

19-182

LOCK WASHER,Ext Tooth, 9/16"

9/16

1шт.

22

60-2563T1

BOOT

1шт.

23

32-30

HOSE CLAMP,#8, 0.50/0.91 Type M Worm

CLAMP

1шт.

24

19-236

JAM NUT,5/16" - 24, Gr 5

JAM NUT, 5/16 UNF G-B

1шт.

25

2-4752T1

FORK

YOKE

1шт.

26

2-4692T1

ROPE GUIDE

ENCLOSURE

1шт.

27

2-4693T1

RETAINER

1шт.

28

19-885

JAM NUT

JAM NUT, 3/4 UNF G-B

1шт.

29

19-6053

WASHER

1 x 1-3/4 x .04 thk

1шт.

30

19-6021

CAPSCREW,M18 x 1.5 x 50mm

FLANGED CAPSCREW, 3/8 UNC x 1-1/4 G-5

4шт.

31

19-6041

PIN

(Special)

1шт.

32

60-2056T1

GASKET

retainer

1шт.

33

19-5852

FLANGE BOLT,Hex, 1/4" - 20 x 3/4", Gr 5

FLANGED CAPSCREW, 1/4 UNC x 3/4 G-5

2шт.

34

60-3008T1

SHIM

1шт.

35

19-6043

COTTER PIN,1/32" x 3/4"

Pin, Split (Cotter) 1/32" x 3/4"

2шт.

36

24-208

BEARING ASSY,1" ID x 1.125" OD x 0.75"

BEARING

2шт.

37

19-5564

LOCK NUT,#6-32, GB

#6 UNC G-A

2шт.

38

323-6

COTTER PIN,3/16" x 1 1/2"

Pin, Split (Cotter), 3/16" x 1 1/2"

1шт.

39

281-13712

SELF-TAP SCREW,Hex Wash Hd, 1/4" x 3/4"

TAPPING SCREW, 1/4 UNC x 3/4

2шт.

40

470-10620

SCREW,Pan HD, #6 - 32 x 1-1/4"

MACHINE SCREW, #6 UNC x 1-1/4

2шт.

41

20-2081T1

BRACKET

1шт.

Выбрано товаров: 41