Запчасти Case IH 9180 (6-10) - TRANSMISSION, [CONT] (06) - POWER TRAIN

Схема запчастей Case IH 9180 - (6-10) - TRANSMISSION, [CONT] (06) - POWER TRAIN
37
35
38
32
33
31
28
34
30
27
32
25
36
29
26
39
FIT
1:1
100%

Артикул

Название

Примечание

Количество

25

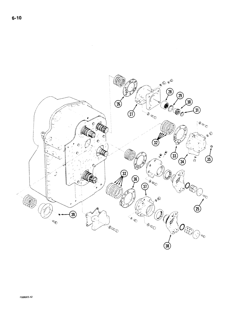
SM8134035

BOLT

BOLT - hex, M10 x 1.25 x 35 mm, Grade 10.9 (Continued from previous Fig.)

3шт.

26

33-1468T1

GASKET

pump support

1шт.

Part of Transmission Gasket Kit P/N S1670S00F

1шт.

27

33-1443T1

SUPPORT

- oil pump

1шт.

28

33-1444T1

COUPLING

- pump adapter

1шт.

29

33-1445T1

RING, SNAP

RING - snap

1шт.

30

33-1448T1

ADAPTER

- pump drive

1шт.

31

33-1447T1

RING, SNAP

RING - snap

1шт.

32

33-1460T1

SHIM

- bearing, 0.10 mm thick

1шт.

32

33-1461T1

SHIM

- bearing, 0.30 mm thick

1шт.

32

33-1462T1

SHIM

- bearing, 0.50 mm thick

1шт.

32

33-1463T1

SHIM

- bearing, 0.70 mm thick

1шт.

32

33-1475T1

SHIM

- bearing, 0.15 mm thick

1шт.

33

33-1433T1

GASKET

clutch collector

1шт.

Part of Transmission Gasket Kit P/N S1670S00F

1шт.

34

33-1438T1

CLUTCH

COLLECTOR - clutch

1шт.

35

STX99700F

PLUG

1шт.

36

33-1426T1

GASKET

bearing retainer

1шт.

Part of Transmission Gasket Kit P/N S1670S00F

1шт.

37

33-1427T1

BEARING CARRIER

RETAINER - bearing

1шт.

38

33-1429T1

YOKE

- output, front

1шт.

39

33-1439T1

PLUG

- orifice

2шт.

S1670S00F

GASKET

KIT Transmission, Includes: Refs. 26, 33 and 36

1шт.

Выбрано товаров: 23