Качественные детали и логистика
Оригинальные и аналоговые запчасти с доставкой по России, Казахстану и Беларуси
©2022 PartSell ООО "Система" ИНН 2463123282 ОГРН 1212400004838
Центральный офис: г. Красноярск, Академика Киренского, д.87, пом.4
Телефон: 8 (800) 777-65-74 Email: zakaz@partsell.ru
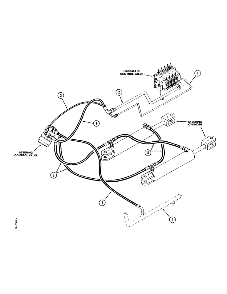
(1-16) - STEERING HYDRAULICS
№
Артикул
Название
Примечание
Количество
1
Steering Pressure Sensing Tube, Fig. 5-8
1шт.
2
Steering Supply Tube, Fig. 5-8
3
Steering Pressure Sensing Hose, Fig. 5-8
4
Tube to Valve Supply Hose, Fig. 5-8
5
Steering Hose, Fig. 5-8
6
Return Tube, Fig. 8-2
7
Steering Return Hose, Fig. 5-8
8
Выбрано товаров: 0