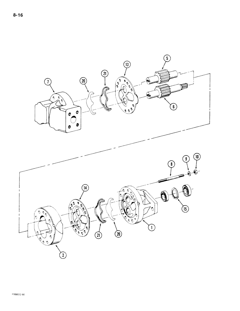
Запчасти Case IH 9180 (8-16) - GEAR PUMP ASSEMBLY (08) - HYDRAULICS

Схема запчастей Case IH 9180 - (8-16) - GEAR PUMP ASSEMBLY (08) - HYDRAULICS
1
9
6
21
15
13
2
14
5
20
10
21
20
7
8
FIT
1:1
100%

Артикул

Название

Примечание

Количество

50-2917T91

PUMP

ASSEMBLY - gear, Includes: Ref. 1 - 21

1шт.

1

33-1331T1

HOUSING

- front, with bearings

1шт.

2

33-1333T1

VALVE BLOCK

BODY - pump, center

1шт.

5

33-1334T1

GEAR

- idler

1шт.

6

33-1335T1

GEAR

- drive

1шт.

7

50-2324T1

CAP

HOUSING - rear, with bearings

1шт.

8

33-1332T1

STUD

- pump

8шт.

9

19-118

LOCK WASHER,7/16"

7/16"

8шт.

10

19-92

NUT,7/16"-20, G2

- hex, 7/16 inch NF

8шт.

13

50-2116T1

PLATE

- wear

1шт.

14

50-2112T1

PLATE

- wear

1шт.

15

50-2110T1

SNAP RING

RING - snap

1шт.

50-2317T1

SEAL KIT

KIT - pump, Includes: Ref. 18 - 21

1шт.

18

50-2109T1

SEAL

- input shaft

1шт.

19

50-2111T1

SEAL

- input shaft

1шт.

20

NSS

NOT SOLD SEPARAT

SEAL- pump

2шт.

21

NSS

NOT SOLD SEPARAT

RETAINER - seal

2шт.

Выбрано товаров: 17