Запчасти Case IH 9180 (9-012) - FRONT FRAME (09) - CHASSIS/ATTACHMENTS

Схема запчастей Case IH 9180 - (9-012) - FRONT FRAME (09) - CHASSIS/ATTACHMENTS
26
41
4
18
19
25
18
42
2
9
27
13
3
24
31
12
8
35
5
33
4
11
34
17
9
23
1
10
36
32
41
22
40
37
FIT
1:1
100%

Артикул

Название

Примечание

Количество

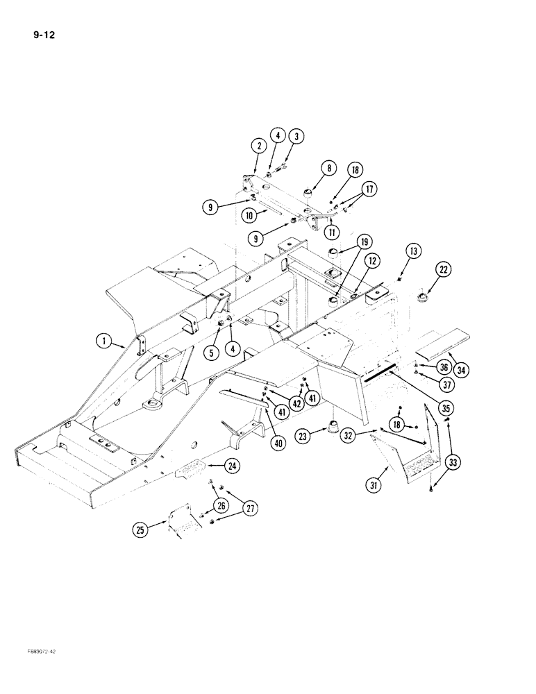
1

70-5005T1

FRAME

- front

1шт.

2

70-4295T1

SUPPORT

PLATE - steering, cylinder front mounting

1шт.

3

25738R1

BOLT,Hex, 7/8" - 9 x 3", Gr 8

- hex, 7/8 NC x 3 inch, Grade 8

4шт.

4

19-6120

WASHER

- flat, hardened, 15/16 x 1-3/4 x 1/8 inch

8шт.

5

9422309

LOCK NUT,7/8"-9, GC

NUT - hex, lock, 7/8 inch NC

4шт.

8

15-44

SPHERICAL BEARING

BEARING - self aligning, cylinder

2шт.

9

31-599

ELBOW

- 90 degree, 1/8 NPT x 1/4 inch tube

2шт.

10

70-3085T1

PIPE

TUBE - grease

1шт.

11

70-3084T1

PIPE

TUBE - grease

1шт.

12

31-598

CONNECTING ROD

CONNECTOR - straight, 1/8 NPT x 1/4 inch tube

2шт.

13

80710

LUBE NIPPLE,1/8” – 27 Dryseal PTF

NIPPLE, LUBE, 1/8"-27 x .66 lg

2шт.

17

31-1862

CLAMP

- tube

2шт.

18

232-4136

LOCK NUT,3/8"-16, GC

NUT - hex, lock, 3/8 inch NC

7шт.

19

70-1242T1

RING RACE

BUSHING - hinge, upper

2шт.

22

70-1209T1

BUSHING

- hinge, lower, top

1шт.

23

70-1210T1

BUSHING,57.23mm ID x 76.2mm OD x 77.72mm L

- hinge, lower, bottom

1шт.

24

70-2139T2

STEP

- front, top

1шт.

25

70-2142T3

STEP

- front, bottom

1шт.

26

19-109

WASHER,1/2"

- flat, 1/2 x 1-3/8 x 7/64 inch

4шт.

27

19-81

NUT,1/2"-13, G5

- hex, 1/2 inch NC

4шт.

31

70-5107T1

STEP

- rear, bottom

1шт.

32

70-5109T1

FIXING STRIP

STRAP - stabilizer, step

1шт.

33

113-221

BOLT,Hex, 3/8" - 16 x 7/8", Gr 5

5шт.

34

70-5086T1

COVER

- tool box

1шт.

35

2-7088T1

GASKET

GROMMET - vibration, tool box cover

1шт.

36

19-700

WASHER,5/16"

- flat, 5/16 x 7/8 x 5/64 inch

3шт.

37

19-77

NUT,5/16"-18, G5

- hex, 5/16 inch NC

3шт.

40

70-2074T2

COVER

- wire protection, RH

1шт.

40

70-2073T2

COVER

- wire protection, LH

1шт.

41

129-103

NUT,Hex, 3/8" - 16, Gr 5

NUT, 3/8"-16, G5

8шт.

42

19-107

WASHER

- flat, 3/8 x 1 x 5/64 inch

8шт.

Выбрано товаров: 31