Запчасти Case IH 9180 (2-66) - ENGINE MOUNTING 3406 ENGINE (02) - ENGINE

Схема запчастей Case IH 9180 - (2-66) - ENGINE MOUNTING 3406 ENGINE (02) - ENGINE
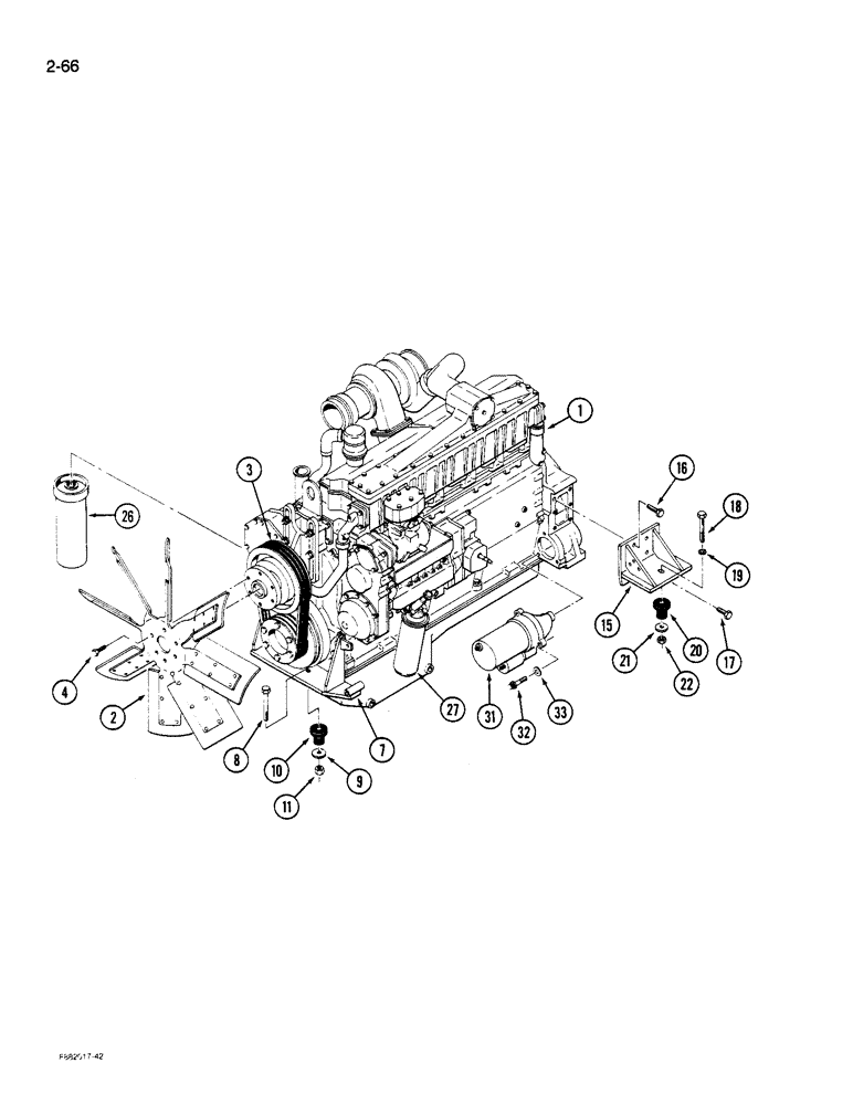
19
31
18
33
10
1
9
26
8
27
3
32
20
21
17
22
7
2
15
4
11
16
FIT
1:1
100%

Артикул

Название

Примечание

Количество

1

90-6780T1

ENGINE ASSEMBLY - 3406 DITA, 375 horsepower

1шт.

2

90-4238T1

FAN

- engine

1шт.

3

90-4665T1

V-BELT,0.62" W

Fan drive (Set of 2 belts) 0.62" W

1шт.

4

19-821

BOLT,Hex, 1/2" - 13 x 1 1/4", Gr 8, Full Thd

- hex, 1/2 NC x 1-1/4 inch, Grade 8

6шт.

7

90-6604T1

MOUNTING PARTS

MOUNT - engine, front

1шт.

8

19-256

BOLT,Hex, 5/8" - 11 x 4", Gr 5

- hex, 5/8 NC x 4 inch

2шт.

9

19-408

WASHER

- flat, 5/8 x 2-1/2 x 3/16 inch

2шт.

10

24-231

RUBBER MOUNTING

MOUNT - isolator, rubber

2шт.

11

19-222

LOCK NUT,5/8" - 11, GB

NUT - hex, lock, 5/8 inch NC

2шт.

15

90-6924T1

MOUNTING PARTS

MOUNT - engine, LH

1шт.

15

90-1444T1

MOUNTING PARTS

MOUNT - engine, RH

1шт.

16

19-839

BOLT,Hex, 5/8" - 11 x 1 3/4", Gr 8

- hex, 5/8 NC x 1-3/4 inch, Grade 8

10шт.

17

19-822

BOLT,Hex, 5/8" - 11 x 1 1/2", Gr 8, Full Thd

- hex, 5/8 NC x 1-1/2 inch, Grade 8

2шт.

18

113-710

BOLT,Hex, 3/4" - 10 x 4", Gr 5

2шт.

19

19-712

WASHER,3/4", SAE

- flat, 3/4 x 1-1/2 x 1/8 inch

2шт.

20

47-4172

SHOCK ABSORBER

MOUNT - isolator, rubber

2шт.

21

19-112

WASHER,3/4"

- flat, 3/4 x 2 x 9/64 inch

2шт.

22

19-85

LOCK NUT

- hex, lock, 3/4 inch NC

2шт.

26

1-2335

FILTER, ENGINE OIL

FILTER - oil, engine

1шт.

27

1-2334

FILTER

- fuel

1шт.

31

REF

INSTRUCTION

STARTER ASSEMBLY - engine (See Fig. 4-34)

1шт.

32

19-907

12 PT SCREW,Flg, 5/8" - 11 x 2", Gr 8

BOLT - 12 point, 5/8 NC x 2 inch, Grade 8

3шт.

33

19-912

WASHER

- flat, 5/8 x 1-3/16 x 3/16 inch

3шт.

Выбрано товаров: 23