Запчасти Case IH 9180 (4-54) - WIPER DRIVE ASSEMBLY FRONT WINDOWS (04) - ELECTRICAL SYSTEMS

Схема запчастей Case IH 9180 - (4-54) - WIPER DRIVE ASSEMBLY FRONT WINDOWS (04) - ELECTRICAL SYSTEMS
10
5
14
19
29
22
30
8
35
24
15
40
31
28
34
16
9
20
21
1
6
23
FIT
1:1
100%

Артикул

Название

Примечание

Количество

60-5908T91

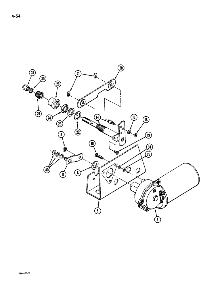
WIPER MOTOR

DRIVE ASSEMBLY - wiper, Includes: Ref. 1 - 40

1шт.

1

2-6866T1

MOTOR, ELECTRIC

MOTOR ASSEMBLY - wiper

1шт.

5

1-2681

SUPPORT

BRACKET - mounting, motor

1шт.

6

D71411

WASHER

- wave

1шт.

8

60-5914T1

LEVER

- drive

1шт.

9

1-2680

NUT

NUT - hex, keps

1шт.

10

1-2682

BOLT

SCREW - machine, keps round head

3шт.

14

2-6869T91

SHAFT ASSY.

DRIVE - shaft and pivot arm, Includes: Ref. 15 and 16

1шт.

15

19-890

LOCK WASHER,Int Tooth, 1/4"

WASHER - lock, internal tooth, 1/4 inch

1шт.

16

19-936

JAM NUT

- hex, jam, 1/4 inch NF

1шт.

19

2-6870T1

SCREW

- machine, keps pan head

1шт.

20

1-2683

LINK

- connector

1шт.

21

1-2685

CLIP

- spring, retainer

2шт.

22

60-3495T1

WASHER

- flat

1шт.

23

60-3496T2

WASHER

- flat

1шт.

24

60-3497T1

NUT

- hex, jam

1шт.

28

60-3498T1

COVER

CAP - seal

1шт.

29

60-3499T1

BLOCK DRIVER

DRIVER - knurled, wiper arm

1шт.

30

60-3501T1

WASHER

- lock, internal tooth

1шт.

31

60-3500T1

CAP

NUT - hex, cap

1шт.

34

60-5913T1

SPACER

- motor

3шт.

35

19-6265T1

SPACER

- motor

3шт.

40

19-700

WASHER,5/16"

- flat, 5/16 x 7/8 x 5/64 inch (Quantity 1 if equipped with side wipers)

3шт.

Выбрано товаров: 23