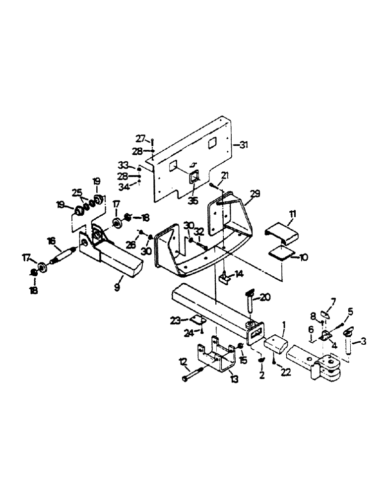
Запчасти Case IH 9180 (06-07) - DRAWBAR AND MOUNTING (12) - FRAME

Схема запчастей Case IH 9180 - (06-07) - DRAWBAR AND MOUNTING (12) - FRAME
29
10
5
25
6
24
11
22
33
34
28
4
12
28
32
9
35
8
13
23
19
31
14
20
15
7
18
17
30
2
30
21
18
28
27
3
19
17
16
FIT
1:1
100%

Артикул

Название

Примечание

Количество

1

70-1727T1

DRAWBAR

1шт.

2

19-1041

LOCK PIN,7/16" x 2"

KlICK PIN

1шт.

3

70-1735T1

PIN

PIN

1шт.

4

70-1737T1

LATCH

1шт.

5

42-102

CLEVIS PIN,1/2" x 2.060"

1/2 x 2

1шт.

6

19-168

COTTER PIN,1/8" x 1"

1/8 x 1

1шт.

7

1-4906

LATCH

LATCFH

1шт.

8

19-543

BOLT,Hex, 1/2" - 13 x 1 1/2", Gr 8

CAPSCREW, 1/2 UNC x 1-1/2 G-8

2шт.

9

70-1718T1

TUBE,91.75" Length

DRAWBAR TUBE

1шт.

10

70-4513T1

SLIDE

PLASTIC SLIDER

1шт.

11

70-4555T1

COVER

1шт.

12

19-1212

BOLT,Hex, 1" - 8 x 9", Gr 5

CAPSCREW, 1 UNC x 9 G-8

2шт.

13

70-4516T1

CLEVIS

DRAWBAR YOKE

1шт.

14

70-1937T2

SHAFT LOCK

STOP PIN

2шт.

15

19-375

LOCK NUT,1" - 8, GB

1 UNC G-B

2шт.

16

70-1206T1

PIN,57.07mm OD x 296.67mm L

KING PIN

1шт.

17

19-5636

WASHER,39.62mm ID x 88.9mm OD x 9.53mm Thk

HARDENED WASHER, 1-1/2 x 3-1/2 x 3/8 thk

2шт.

18

19-5641

LOCK NUT,1 1/2"-6, GB

1-1/2 UNC G-B

2шт.

19

70-2733T1

BUSHING,57.35mm ID x 85.85mm OD x 47.75mm L

2шт.

20

70-1731T1

PIN

1шт.

21

19-6088

PIN

HITCH PIN

2шт.

22

223431

BOLT,Hex, 5/8" - 11 x 1", Gr 8

CAPSCREW, 5/8 UNC x 1 G-8

1шт.

23

70-2508T1

CAP

1шт.

24

19-16

BOLT,Hex, 3/8" - 16 x 3/4", Gr 5

CAPSCREW, 3/8 UNC x 3/4 G-5

2шт.

25

70-2542T1

SPACER

2шт.

26

429-1016

NUT,1"-8, G8

1 UNC G-C

8шт.

27

19-42

BOLT,1/2" - 13 x 2 1/4", Gr 5

CAPSCREW, 1/2 UNC x 2-1/4 G-5

2шт.

28

19-109

WASHER,1/2"

1/2

4шт.

29

70-1739T1

HANGER

1шт.

30

19-5739

WASHER

HARDENED WASHER, 1 x 2 x .15 thk

16шт.

31

70-3029T1

LARGE PLATE

PLATE

1шт.

32

19-5404

BOLT,Hex, 1" - 8 x 5.50", Gr 8

CAPSCREW, 1 UNC x 5-1/2 G-8

8шт.

33

19-961

WASHER,17/32" x 1 1/2" x 1/8"

1/2 x 1-3/4 x 1/8 thk

2шт.

34

19-81

NUT,1/2"-13, G5

1/2 UNC G-B

2шт.

35

2-7088T1

GASKET

GROMMET

2шт.

Выбрано товаров: 35