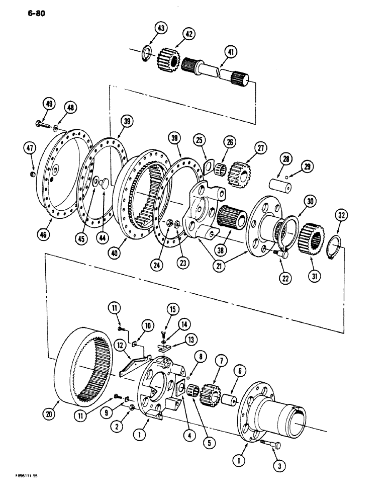
Запчасти Case IH 9180 (6-80) - AXLE ASSEMBLY, WHEEL HUB PLANETARY, K598.85/95 SERIES (06) - POWER TRAIN

Схема запчастей Case IH 9180 - (6-80) - AXLE ASSEMBLY, WHEEL HUB PLANETARY, K598.85/95 SERIES (06) - POWER TRAIN
45
6
20
1
8
42
22
49
47
23
27
43
7
44
24
39
14
21
46
48
29
38
11
3
13
9
31
39
30
5
4
1
32
10
41
28
25
26
15
12
11
2
40
FIT
1:1
100%

Артикул

Название

Примечание

Количество

90-6992T91

4WD AXLE ASSY

AXLE ASSEMBLY - front (With traction control) (Continued), Includes: Ref. 1 - 49

1шт.

90-6993T91

AXLE HOUSING

AXLE ASSEMBLY - rear (With traction control), Includes: Ref. 1 - 49

1шт.

90-4533T91

REDUCER

CARRIER ASSEMBLY - inner planetary, Includes: Ref. 1 - 15

2шт.

1

NSS

NOT SOLD SEPARAT

CARRIER - inner planetary, Includes: Ref. 2 and 3

2шт.

2

16-1598

NUT

- hex, 16 mm - 1.5

10шт.

3

90-4538T1

SCREW

BOLT - shouldered

10шт.

4

1-8341

SPACER

PLATE - spacer, wear

20шт.

5

1-8340

BEARING, NEEDLE

BEARING - needle roller (2 per gear)

20шт.

6

90-2567T1

PIN

SHAFT - planetary pinion (With lube hole)

10шт.

6

90-4536T1

LARGE PIN

SHAFT - planetary pinion (Without lube hole)

4шт.

7

1-8339

PINION

GEAR - pinion, inner planetary (19 tooth)

10шт.

8

16-1607

BALL

- steel

10шт.

9

90-4531T2

NUT

TAB - locking, 4 mm thick

6шт.

10

90-6731T1

NUT

TAB - locking, 2 mm thick

4шт.

11

16-1626

BOLT,Hex, M8 x 1.25 x 15mm, Gr 10.9

BOLT - hex, 8 x 15 mm, Grade 10.9

12шт.

12

90-4530T1

LARGE PLATE

PLATE - baffle

2шт.

13

90-4532T1

LARGE PLATE

PLATE - oil

2шт.

14

40-1149

LOCK WASHER

- lock, 6 mm

2шт.

15

30191R1

BOLT,Hex, M6 x 1 x 12mm, Cl 10.9, Full Thd

- hex

2шт.

20

90-4529T1

GEAR, RING

GEAR - ring

2шт.

90-4522T91

REDUCER

CARRIER ASSEMBLY - planetary, Includes: Ref. 21 - 32

2шт.

21

90-4523T91

REDUCER

CARRIER - planetary, Includes: Ref. 22 - 24

2шт.

22

16-1608

SCREW,Hex Shldr

BOLT - shouldered

6шт.

23

16-1599

WASHER

- flat

6шт.

24

16-1598

NUT

- hex, 16 mm - 1.5

6шт.

25

1-8341

SPACER

PLATE - spacer, wear

12шт.

26

1-8340

BEARING, NEEDLE

BEARING - needle roller (2 per gear)

12шт.

27

90-4525T1

PINION

GEAR - pinion, idler (26 tooth)

6шт.

28

90-2567T1

PIN

SHAFT - planetary pinion (With lube hole)

6шт.

29

16-1607

BALL

- steel

6шт.

30

90-4528T1

RING, SNAP

RING - snap

2шт.

31

16-1622

SUN GEAR

GEAR - sun

2шт.

32

16-1623

RING, SNAP

RING - snap

2шт.

38

90-4526T1

PINION

GEAR - sleeve

2шт.

39

NSS

NOT SOLD SEPARAT

GASKET - ring gear (Order 1-1055, RTV sealant)

2шт.

40

90-4521T1

GEAR, RING

GEAR - double ring

2шт.

41

90-7178T1

SHORT SHAFT

SHAFT - axle, short, 1147.5 mm

1шт.

41

90-7177T1

LONG SHAFT

SHAFT - axle, long, 1195.5 mm

1шт.

42

90-4519T1

PINION

GEAR - sun (25 tooth)

2шт.

43

16-1596

RING, SNAP

RING - snap

2шт.

44

90-2555T1

LARGE PIN

PIN - support, axle shaft

2шт.

45

90-2554T1

SHIM

- support pin

1шт.

46

90-4520T1

COVER

- axle end

2шт.

47

90-2523T1

PLUG

- 24 mm - 1.5

2шт.

48

16-1592

LOCK WASHER

- lock, 15 mm

48шт.

49

40-1171

BOLT,Hex, M14 x 1.5 x 50mm, Gr 10.9

BOLT - hex, 14 mm - 1.5 x 50 mm, Grade 10.9

48шт.

Выбрано товаров: 46