Запчасти Case IH 9180 (6-88) - ELECTRIC SHIFT ASSEMBLY (06) - POWER TRAIN

Схема запчастей Case IH 9180 - (6-88) - ELECTRIC SHIFT ASSEMBLY (06) - POWER TRAIN
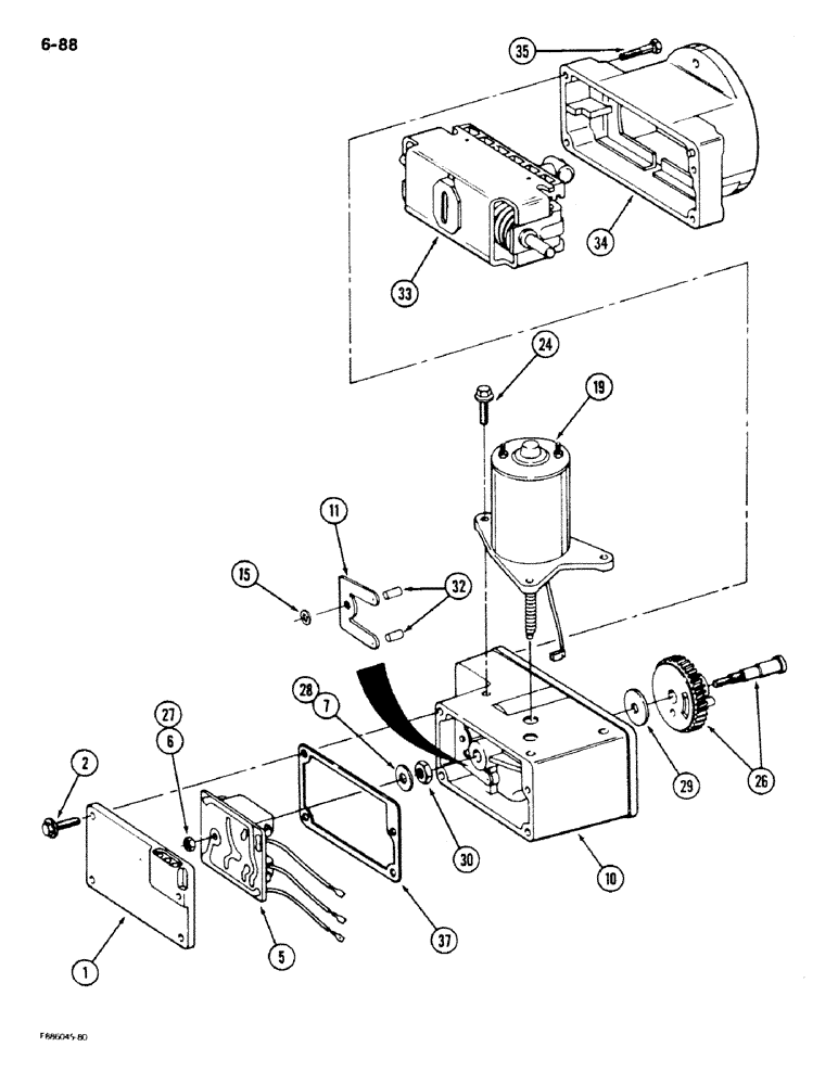
15
26
28
24
27
33
10
5
34
19
7
35
6
1
30
32
2
29
37
11
FIT
1:1
100%

Артикул

Название

Примечание

Количество

90-4391T91

SHIFTING UNIT

SHIFT ASSEMBLY - electric, axle, Includes: Ref. 1 - 37

1шт.

1

90-4542T1

COVER

- electric shift, Includes: Ref. 37

1шт.

2

90-4552T1

SCREW

BOLT - flanged

4шт.

90-4550T1

BOARD, PRINTED CIRCU

BOARD ASSEMBLY - circuit, Includes: Ref. 5 - 7

1шт.

5

NSS

NOT SOLD SEPARAT

BOARD - circuit

1шт.

6

NSS

NOT SOLD SEPARAT

NUT - hex

1шт.

7

NSS

NOT SOLD SEPARAT

WASHER - flat

1шт.

90-4543T91

HOUSING

ASSEMBLY - motor, Includes: Ref. 10, 11 and 15

1шт.

10

NSS

NOT SOLD SEPARAT

HOUSING - motor

1шт.

11

NSS

NOT SOLD SEPARAT

SPRING - switch

1шт.

15

NSS

NOT SOLD SEPARAT

RETAINER - push on

1шт.

90-4546T91

MOTOR, ELECTRIC

MOTOR ASSEMBLY - shift, Includes: Ref. 19 and lubricant

1шт.

19

NSS

NOT SOLD SEPARAT

MOTOR - electric shift

1шт.

90-4551T1

LUBRICANT - gear (Not shown)

1шт.

24

90-4553T1

SCREW

BOLT - flanged

3шт.

90-4547T91

GEAR

ASSEMBLY - with shaft, Includes: Ref. 26 - 30, lubricant and Ref. 32

1шт.

26

NSS

NOT SOLD SEPARAT

GEAR - with shaft

1шт.

27

NSS

NOT SOLD SEPARAT

NUT - hex

1шт.

28

NSS

NOT SOLD SEPARAT

WASHER - flat

1шт.

29

NSS

NOT SOLD SEPARAT

WASHER - flat, wear

1шт.

30

NSS

NOT SOLD SEPARAT

NUT - hex

1шт.

90-4551T1

LUBRICANT - gear (Not shown)

1шт.

32

90-4545T1

GEAR

PIN - cam

2шт.

33

90-4548T1

SLIDE

BLOCK ASSEMBLY - slide and shaft

1шт.

34

90-4549T1

HOUSING

- slide block and shaft

1шт.

35

90-4554T1

SCREW

BOLT - hex

4шт.

37

90-6754T1

GASKET

- cover

1шт.

1-1055

SEALANT

ANT - RTV (Not shown)

1шт.

Выбрано товаров: 28