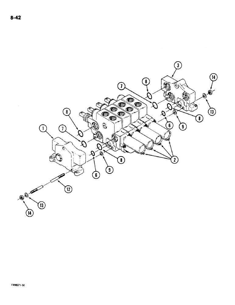
Запчасти Case IH 9180 (8-42) - HYDRAULIC REMOTE VALVE ASSEMBLY (08) - HYDRAULICS

Схема запчастей Case IH 9180 - (8-42) - HYDRAULIC REMOTE VALVE ASSEMBLY (08) - HYDRAULICS
2
1
8
7
9
14
12
8
3
6
9
7
14
13
6
8
13
8
FIT
1:1
100%

Артикул

Название

Примечание

Количество

50-3147T91

VALVE, CONTROL

VALVE ASSEMBLY - remote, three spool, Includes: Ref. 1 - 14

1шт.

50-3148T91

VALVE, CONTROL

VALVE ASSEMBLY - remote, four spool, Includes: Ref. 1 - 14

1шт.

1

A52403

BODY

COVER - end

1шт.

2

REF

INSTRUCTION

BODY ASSEMBLY - valve, float (See Figure 8-44 and 8-46)

1шт.

3

REF

INSTRUCTION

BODY ASSEMBLY - inlet (See Figure 8-48)

1шт.

2-3792T1

SEAL KIT

SEAL KIT - valve section, Includes: Ref. 6 - 9

1шт.

6

NSS

NOT SOLD SEPARAT

O-RING - seal

1шт.

7

NSS

NOT SOLD SEPARAT

O-RING - seal

1шт.

8

NSS

NOT SOLD SEPARAT

O-RING - seal

2шт.

9

NSS

NOT SOLD SEPARAT

O-RING - seal

3шт.

12

19-5978

STUD

- valve, three spool remote, 3/8 NC x 9-7/8 inch

3шт.

12

19-5977

STUD

- valve, four spool remote, 3/8 NC x 11-3/4 inch

3шт.

13

492-11038

LOCK WASHER,3/8"

6шт.

14

129-103

NUT,Hex, 3/8" - 16, Gr 5

NUT, 3/8"-16, G5

6шт.

Выбрано товаров: 14