Запчасти Case IH 9180 (9-04) - HITCH UPPER AND LOWER LINK MOUNT (09) - CHASSIS/ATTACHMENTS

Схема запчастей Case IH 9180 - (9-04) - HITCH UPPER AND LOWER LINK MOUNT (09) - CHASSIS/ATTACHMENTS
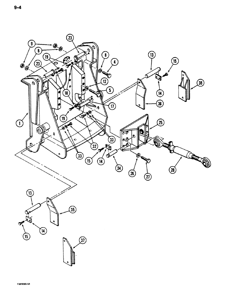
8
18
26
32
13
1
27
17
37
8
23
24
15
5
33
12
9
28
23
19
19
38
15
14
35
15
4
25
33
14
13
14
36
FIT
1:1
100%

Артикул

Название

Примечание

Количество

1

70-4985T1

FRAME

MOUNT - three point hitch, rear frame

1шт.

4

223489

BOLT,Hex, 1" - 8 x 3 1/2", Gr 8

- hex, 1 NC x 3-1/2 inch, Grade 8

6шт.

5

223495

BOLT,1" - 8 x 5", Gr 8

- hex, 1 NC x 5 inch, Grade 8

8шт.

8

19-5685

WASHER

- flat, 1 x 2-1/2 x 3/8 inch

22шт.

9

19-610

NUT,1"-8, G5

- hex, 1 inch

14шт.

12

19-5739

WASHER

- flat, hardened, 1 x 2 x 5/32 inch

6шт.

13

70-1574T1

PIN

- draft arm

2шт.

14

70-3082T2

LARGE PLATE

BLOCK - pin retaining

3шт.

15

19-1108

BOLT,Hex, 1/2" - 13 x 1", Gr 8

- hex, 1/2 NC x 1 inch, Grade 8

6шт.

17

70-2384T1

PIN

- cylinder, lower

2шт.

18

2-4836T1

SPACER

- mounting, pin

4шт.

19

19-5877

BOLT,Hex, 3/8" - 16 x 1", Gr 5

- flanged, 3/8 NC x 1 inch, Grade 8

4шт.

23

70-2433T1

PIN

- rockershaft

2шт.

24

2-3646T1

PIN

- upper link

1шт.

25

70-5022T1

SUPPORT

MOUNT - upper link

1шт.

26

19-853

WASHER,15/16" x 1 3/4" x .134", HDN

- flat, hardened, 7/8 x 1-3/4 x 5/32 inch

6шт.

27

26053R1

BOLT,Hex, 7/8" - 9 x 2 1/2", Gr 8

- hex, 7/8 NC x 2-1/2 inch, Grade 8

6шт.

28

REF

INSTRUCTION

LINK ASSEMBLY - upper (See Figure 9-6)

1шт.

32

326-824

BOLT,Hex, 1/2" - 13 x 1-1/2", Gr 8

4шт.

33

495-21056

WASHER,1/2"

- flat, 9/16 x 1-3/8 x 3/32 inch

8шт.

35

2-3653T1

PLATE

BLOCK - sway, left

1шт.

36

2-3654T1

PLATE

BLOCK - sway, right

1шт.

37

2-3655T1

PLATE

BLOCK - non sway, left

1шт.

38

2-3659T1

SUPPORT

BLOCK - non sway, right

1шт.

Выбрано товаров: 24