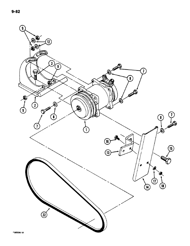
Запчасти Case IH 9180 (9-82) - AIR CONDITIONING, COMPRESSOR MOUNTING AND DRIVE (09) - CHASSIS/ATTACHMENTS

Схема запчастей Case IH 9180 - (9-82) - AIR CONDITIONING, COMPRESSOR MOUNTING AND DRIVE (09) - CHASSIS/ATTACHMENTS
7
1
3
8
18
9
17
22
13
9
8
2
9
12
15
8
14
7
7
16
FIT
1:1
100%

Артикул

Название

Примечание

Количество

1

REF

INSTRUCTION

COMPRESSOR - air conditioning (See Figure 9-84)

1шт.

2

55-209T1

SUPPORT

MOUNT - compressor

1шт.

3

24861R1

BOLT,Hex, 1/2" - 13 x 1 1/4", Gr 8

- hex, 1/2 NC x 1-1/2 inch

2шт.

7

19-454

SCREW,Hex, M10 x 34mm, Cl 8.8

BOLT - hex, 10 mm - 1.5 x 34 mm

4шт.

8

25896R1

WASHER,13/32" x 13/16" x .09", HDN

- flat, 13/32 x 13/16 x 5/64 inch

4шт.

9

19-455

NUT

- hex, 10 mm - 1.5

4шт.

12

25846R1

WASHER

- flat, 15/32 x 59/64 x 3/32 inch

2шт.

13

90-6871T1

SUPPORT

BRACKET - mounting, shield

1шт.

14

90-6872T1

SHIELD

- compressor

1шт.

15

19-674

BOLT,Hex, 5/8" - 11 x 3/4", Gr 5

- hex, 5/8 NC x 3/4 inch

1шт.

16

19-6

BOLT,5/16" - 18 x 3/4", Gr 5

- hex, 5/16 NC x 3/4 inch

2шт.

17

28588R1

WASHER

- flat, 11/32 x 11/16 x 3/64 inch

2шт.

18

19-508

LOCK NUT

- hex lock, 5/16 inch NC

2шт.

22

1-6864

V-BELT,0.53" W x 39.25" L

A/C Compressor 0.53" W x 39.25" L

1шт.

Выбрано товаров: 14