Запчасти Case IH 9180 (3-08) - THROTTLE CONTROLS, ROPS (03) - FUEL SYSTEM

Схема запчастей Case IH 9180 - (3-08) - THROTTLE CONTROLS, ROPS (03) - FUEL SYSTEM
7
22
12
23
3
1
7
17
21
25
6
9
18
24
4
5
8
19
20
13
2
6
FIT
1:1
100%

Артикул

Название

Примечание

Количество

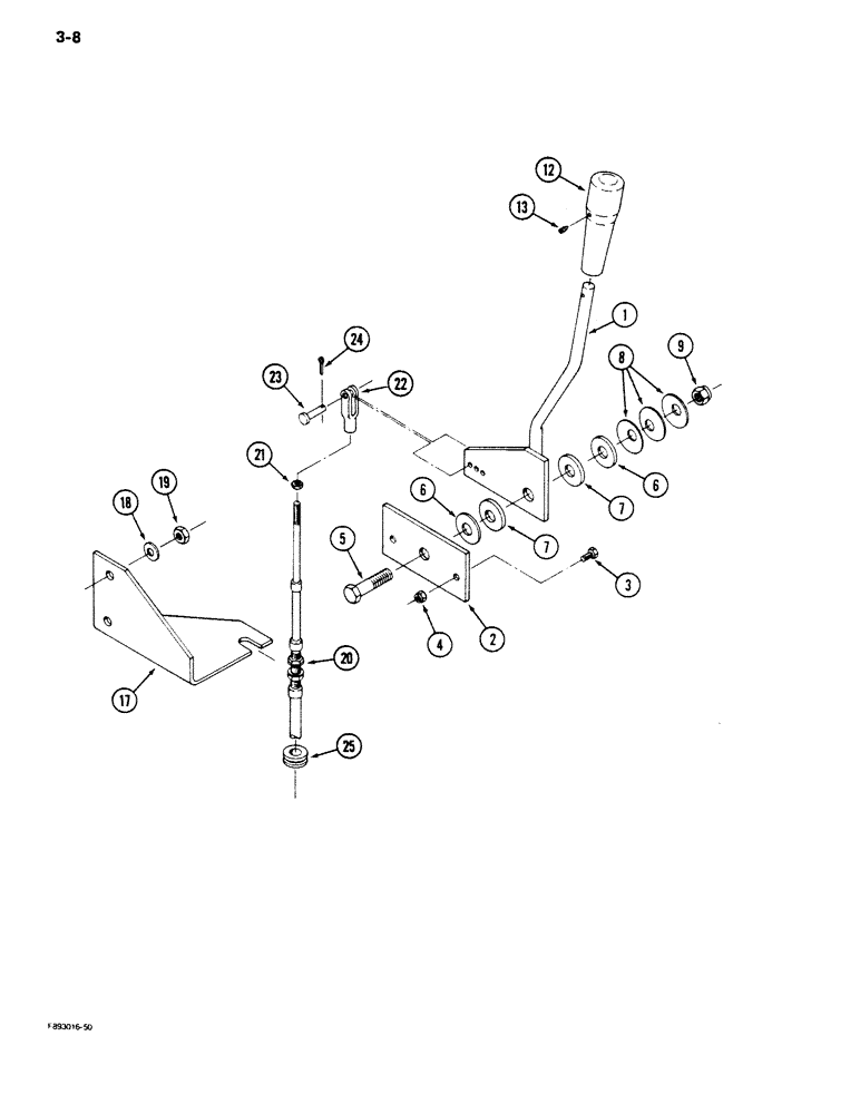
1

60-5850T1

LEVER ASSY.

LEVER - throttle control

1шт.

2

60-5851T1

LARGE PLATE

PLATE - mounting, throttle control

1шт.

3

113-3

BOLT,Hex, 1/4" - 20 x 3/4", Gr 5

2шт.

4

111626C1

NUT

- hex lock, 1/4 inch NC

2шт.

5

19-269

BOLT,Hex, 1/2" - 13 x 1 3/4", Gr 5

- hex, 1/2 NC x 1-3/4 inch

1шт.

6

495-21056

WASHER,1/2"

- flat, 9/16 x 1-3/8 x 3/32 inch

2шт.

7

54-294

THRUST WASHER

- flat, 1/2 x 1-3/8 x 1/8 inch

2шт.

8

19-5648

SPRING WASHER

- spring, conical, 1/2 inch

3шт.

9

19-653

LOCK NUT

- hex lock, 1/2 inch NC

1шт.

12

60-2050T3

BALL KNOB

KNOB - control lever

1шт.

13

19-5798

SET SCREW

SCREW - set, No. 8 NC x 5/8 inch

1шт.

17

60-6279T1

SUPPORT

BRACKET - cable mounting

1шт.

18

28588R1

WASHER

- flat, 11/32 x 11/16 x 3/64 inch

2шт.

19

19-77

NUT,5/16"-18, G5

- hex, 5/16 inch NC

2шт.

20

60-5759T1

CABLE

- throttle, Includes: Ref. 21

1шт.

21

19-308

NUT,#10 - 32

- hex, No. 10 NF

1шт.

22

117824

YOKE

- clevis, No.10 NF

1шт.

23

19-874

CLEVIS PIN,3/16" x .580"

PIN - clevis, 3/16 x 1/2 inch

1шт.

24

19-1100

COTTER PIN,1/16" x 1/2"

Pin, Split (Cotter), 1/16" x 1/2"

1шт.

25

22-609

GROMMET

- protective, throttle cable

1шт.

Выбрано товаров: 20