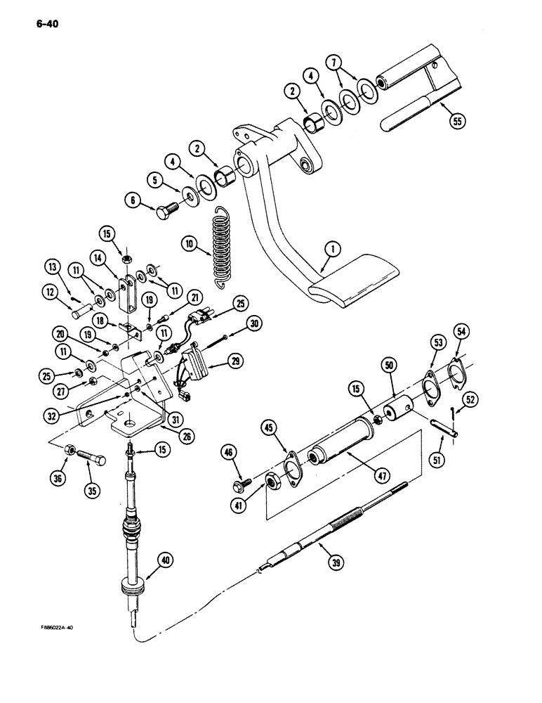
Запчасти Case IH 9180 (6-40) - CLUTCH CONTROL, TRANSMISSION (06) - POWER TRAIN

Схема запчастей Case IH 9180 - (6-40) - CLUTCH CONTROL, TRANSMISSION (06) - POWER TRAIN
55
4
31
12
7
19
20
1
26
40
53
11
35
41
36
13
29
25
2
15
54
52
5
27
19
11
21
46
15
30
51
39
15
10
32
14
45
47
25
11
4
50
6
18
11
2
FIT
1:1
100%

Артикул

Название

Примечание

Количество

1

60-4251T2

PEDAL

- clutch, actuating

1шт.

2

24-208

BEARING ASSY,1" ID x 1.125" OD x 0.75"

BEARING - pivot, split

2шт.

4

19-5635

WASHER

- flat, nylon, 1 x 1-3/4 x 3/32 inch

2шт.

5

495-21056

WASHER,1/2"

- flat, 9/16 x 1-3/8 x 3/32 inch

1шт.

6

19-43

BOLT,1/2" - 13 x 1", Gr 5

- hex, 1/2 NC x 1 inch

1шт.

7

19-6053

WASHER

- flat, 1 x 1-3/4 x 3/64 inch

1шт.

10

2-5000T1

SPRING

- tension, pedal return

1шт.

11

25709R1

WASHER

- flat, 13/32 x 13/16 x 3/32 inch, hardened

6шт.

12

19-5922

CLEVIS PIN,3/8" x 1 1/4"

PIN - clevis, 3/8 x 1-1/4 inch

1шт.

13

132-320

COTTER PIN,3/32" x 3/4"

PIN, SPLIT (COTTER), 3/32" x 3/4"

1шт.

14

60-4384T1

CLEVIS COUPLING

YOKE - clevis

1шт.

15

19-236

JAM NUT,5/16" - 24, Gr 5

- hex jam, 5/16 inch NF

3шт.

18

60-5048T1

SUPPORT

BRACKET - actuator mounting

1шт.

19

446143

WASHER

- flat, No.8

2шт.

20

19-5621

LOCK NUT,#8-32, GB

NUT - hex lock, No. 8 NC

1шт.

21

20-1316T1

ACTUATOR

- magnetic

1шт.

25

60-6027T1

SENSOR

ASSEMBLY - proximity

1шт.

26

60-6025T1

SUPPORT

BRACKET - control mounting

1шт.

27

425-104

NUT,1/4"-20, Cl 5

- hex, 1/4 inch NC

3шт.

29

20-2340T91

IGNITION SWITCH

SWITCH ASSEMBLY - micro (Order switch 20-2333T1 and wire 60-2666T1)

1шт.

30

182-530

SCREW,Sl Pan Hd, #6 - 32 x 1 1/4"

- machine, pan, No.6 NC x 1-1/4 inch

2шт.

31

19-708

WASHER,#6

- flat, No. 6 x 3/8 x 1/16 inch

2шт.

32

19-1013

NUT

- hex, No. 6 NC

2шт.

35

19-20

BOLT,Hex, 3/8" - 16 x 1 3/4", Gr 5

- hex, 3/8 NC x 1-3/4 inch

1шт.

36

19-5573

NUT,3/8"-16, G8

- hex, 3/8 inch NC

1шт.

39

60-4957T1

CABLE

- clutch, actuating

1шт.

40

1-1050

GROMMET

- hole, cable protecting

1шт.

41

129-168

JAM NUT,Jam, 3/4"-10, G5

- hex jam, 3/4 inch NF

1шт.

45

2-4693T1

RETAINER

- cable enclosure

1шт.

46

121-134

FLANGE BOLT,Hex, 1/4" - 20 x 3/4", Gr 5, Full Thd

BOLT, Hex Flg, 1/4"-20 x 3/4", G5, Full Thd

2шт.

47

2-4692T1

ROPE GUIDE

ENCLOSURE - cable

1шт.

50

60-6241T1

END

YOKE - clevis, clutch actuating

1шт.

51

19-6041

PIN

- clevis

1шт.

52

19-6043

COTTER PIN,1/32" x 3/4"

Pin, Split (Cotter) 1/32" x 3/4"

2шт.

53

60-2056T1

GASKET

- retainer

1шт.

54

60-3008T1

SHIM

- enclosure

1шт.

55

REF

INSTRUCTION

MOUNT - pedal, clutch and brake (See Figure 7-2)

1шт.

Выбрано товаров: 37