Запчасти Case IH 9210 (2-036) - THERMOSTAT HOUSING, 6T-830 ENGINE, 6TA-830 ENGINE (02) - ENGINE

Схема запчастей Case IH 9210 - (2-036) - THERMOSTAT HOUSING, 6T-830 ENGINE, 6TA-830 ENGINE (02) - ENGINE
13
5
4
3a
3
10
9
14
1
16
2
8
15
11
6
7
12
FIT
1:1
100%

Артикул

Название

Примечание

Количество

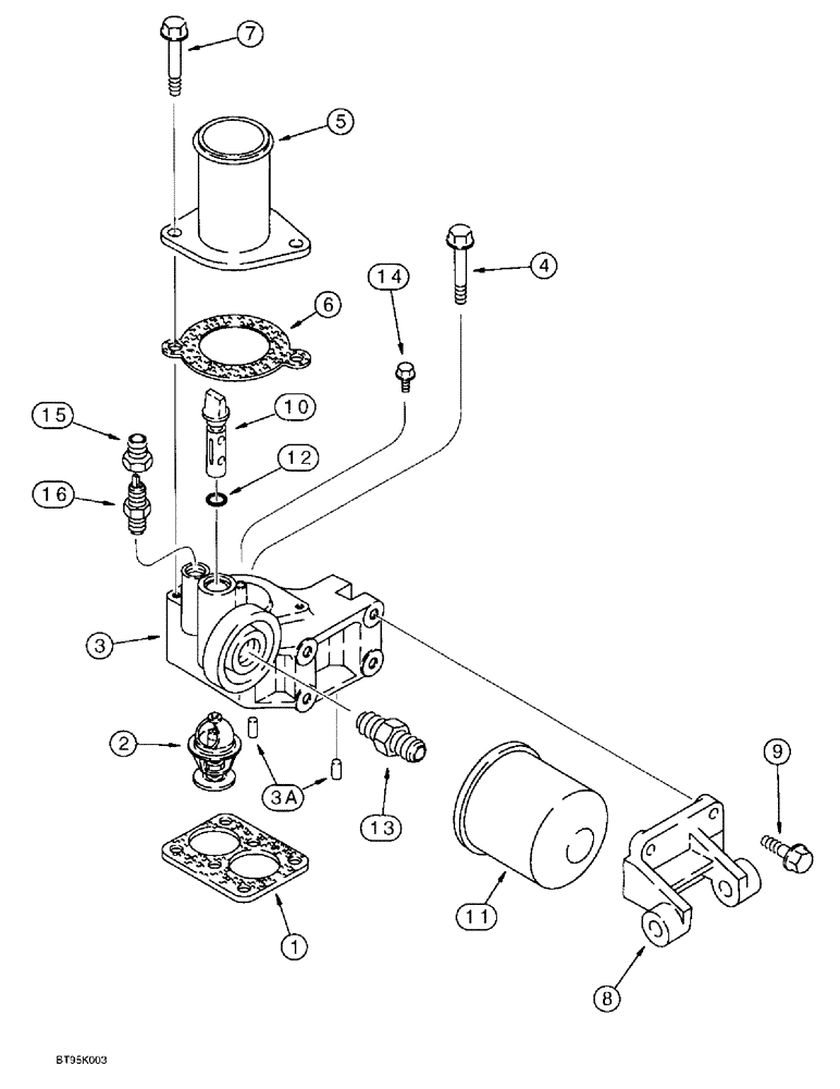
1

J914310

GASKET,0.8mm Thk

- housing, thermostat

1шт.

2

J907242

THERMOSTAT

- engine coolant, 83 degree C

2шт.

3

J913708

HOUSING

- thermostat

1шт.

Ref #3 - Replaced by J926509 for units prior to S/N44808257.

1шт.

Ref #3A - Use J924589 on units after S/N44808257

1шт.

3a

180811A1

ROLL PIN

PIN - roll, special

2шт.

4

845-8080

BOLT,Hvy Hex, M8 x 80mm, Cl 8.8

- heavy hex flange, 8 - 1.25 x 80 mm

2шт.

5

J912800

CONNECTION

TUBE - outlet

1шт.

Ref #5 - Used on units prior to S/N44808257

1шт.

6

J918779

GASKET,1.19mm Thk

- outlet tube, water, replaces A77705 gasket

1шт.

7

845-8095

BOLT,Hvy Hex, M8 x 95mm, Cl 8.8

- heavy hex flange, 8 - 1.25 x 95 mm

2шт.

8

J918544

SUPPORT

- mounting, alternator

1шт.

9

845-8025

BOLT,Hex Flg, M8 x 25mm, Cl 8.8

- heavy hex flange, 8 - 1.25 x 25 mm

4шт.

10

J912837

COCK

VALVE - shutoff

1шт.

11

A77544

FILTER

- coolant

1шт.

12

238-5111

O-RING,0.103" Thk x 0.424" ID, -111, Cl 5, 75 Duro

1шт.

13

A77623

ADAPTER,3/4" - 10 x 11/16" - 16

- filter

1шт.

14

845-6010

BOLT,Hvy Hex, M6 x 10mm, Cl 8.8

1шт.

15

J911925

COUPLING

- hose

1шт.

16

J911901

VALVE, CHECK

VALVE - check

1шт.

Выбрано товаров: 20